Сидя дома и скучая вспомнил о своей давней мечте: управлять различными устройствами (освещением в доме, замком на калитке, жалюзями на окне) не вставая из за компьютера, а при написании и собственного софта то и с любой точки земли через интернет, посидев пару часов в интернете пересмотрев кучу радиолюбительских сайтов и форумов, выбрал вариант устройства который более подходит для меня, как для начинающего радиолюбителя который недавно ознакомился со свойствами транзистора, диода и остальных элементарных радиоэлементов и совершенно ничего не понимающего в микроконтроллерах.
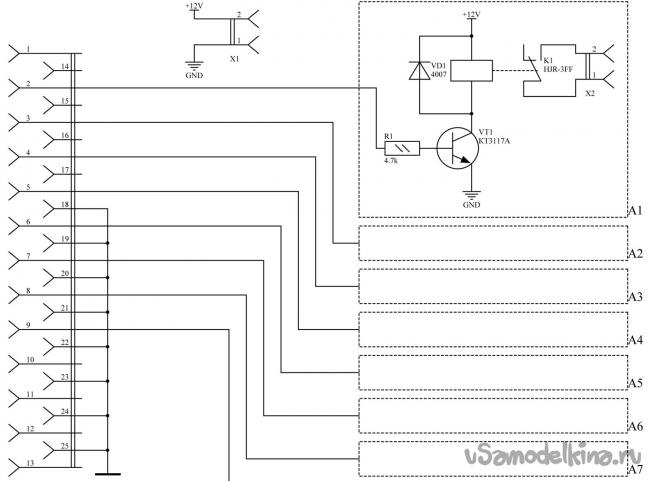
Просмотрев схему которая состоит из резистора, транзистора, реле и диода, решил для себя что с лёгкостью справлюсь с этой задачей, и немного её модифицирую, а именно добавив светодиоды для удобства и индикации.
Единственный недостаток этой аналоговой схемы в том что управления нагрузками производится через LPT порт настольного компьютера с устаревшей материнкой, но так как эта схема очень проста в повторении и у меня дома стоит старый никому не нужный настольный компьютер, который может послужить прекрасным началом по созданию умного дома, то я просто не смог пропустить эту схемку.
Для создания LPT-управляемой розетки нам понадобится:
• Текстолит
• LPT-порт сторона «Б» (противоположная стороне которая вставляется в компьютер) я выковырял из платы старого принтера
• Реле HJR-3FF-S-Z (Обмотка 12В, коммутируемый контакт 10А, 250В переменного напряжения) я взял 4, хотя плата разведена на 8 таких реле. 4 шт
• Диоды VD 4007 4шт.
• Транзисторы КТ3117А (я взял их китайские аналоги, так как стоят они дешевле, я характеристики одни и те же) 4шт.
• Резисторы, я использовал SMD резисторы они удобные в монтаже так как для них не надо сверлить отверстия номиналом 4,7 Ком
• Источник питания на 12в. Я взял блок питания похож на зарядку от мобильного, оно на выходе у него оказалось 12В.
• Розетки я взял 4 розетки из старой военной аппаратуры
• Провода
• 5 светодиодов для индикации (4 индикация включения реле 1 индикация питания)
• Корпус (я взял от старого нерабочего свитчера на 16 портов)
• LPT провод
• Паяльник и паяльные принадлежности
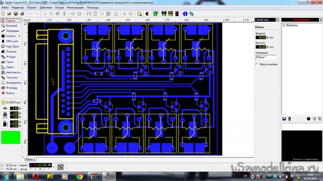
Начинать будем из разработки платы и травления ее. Мне посчастливилось найти готовую печатную плату в формате «.lay», для ее открытия я использовал программу «Sprint-layout_6.0».
Печатаем плату на лазерном принтере и переводим на текстолит, далее ее необходимо вытравить и пролудить.
Далее впаиваем сверлим отверстия для реле и транзисторов и можно приступать к сборке.
Впаиваем элементы согласно схеме либо смотрим на рисунок в программе «Sprint-layout_6.0», лично мне больше нравится второй вариант.
Вот что должно получиться
Чуть не забыл, необходимо установить диод для защиты транзистора от выброса обратного напряжения, пропускным направления к плюсу. Плата почти готова.
Теперь можно приступать к изготовлению и сборке корпуса.
Первым делом, разбираем старый свитчер и выкидываем из него плату)
Вторым делом необходимо прикинуть размещения плат, розеток, портов в корпусе.
Как выяснилось, LPTпорт и разъем для подключения 220 не подошел по размерам и мне пришлось немного подпилить корпус
Вставляем все на места, заливаем термоклеем и закрываем крышку корпуса чтобы убедится в том что все нормально стало и подошло.
Возвращаемся к нашей плате и припаиваем к ней навесным способом управляющие провода которые в свою очередь подпаиваем и к приклеенному к корпусу LPTпорту.
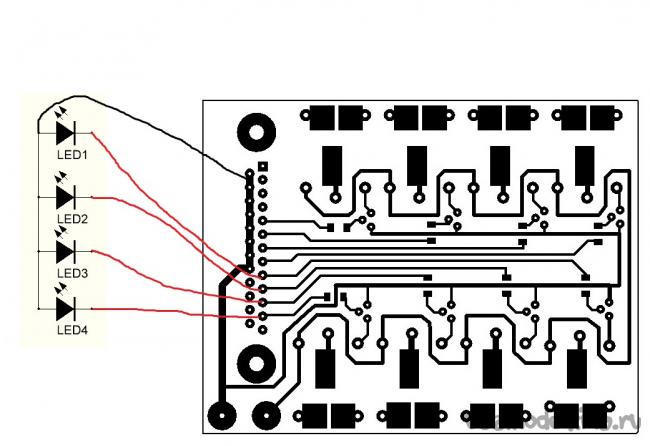
После того как провода от LPTпорта припаяны, нужно припаять еще 5 проводов для светодиодной индикации, светодиоды я установил на места светодиодов которые показывали наличия подключенных к свитчу проводов.
Провода припаивал по такой схеме
Вот что должно получиться
Далее объединяем все центральный клеммы реле, клеммы на розетках и припаиваем к входному разъему на 220В
Вот наглядная схема подключения проводов с напряжениям 220В
Нам осталось подключить управляющее напряжения для реле 12В их мы возьмем от блока питания (не знаю от чего, просто валялся в куче ненужного хлама)
Разбираем блок, отпаиваем стандартные провода и припаиваем провода которые будут записывать реле напряжениям 12в через транзистор.
Принцип действия транзисторного усилителя, я думаю, вы знаете. 5В подаем на базу, транзистор открывается и подается напряжения 12В на реле, которое в свою очередь коммутирует нагрузку по больше.
Подключаем блок питания, садим платы на шурупы и можно приступать к финальному этапу – сборке
Когда сборка закончена, можно приступать к тестированию)
Запускаем программу «LPT-Control-Panel»
Видим окошечко в котором отображены нагрузки, если мы правильно собрали схему то когда мы будем мышкой щелкать на нужную нам нагрузку – соответствующая нагрузка будет включаться.
Для пробы можно использовать обычные лампы накаливания.
Пробуем, нажимаем «Нагрузка 1» - должна засветиться лампа №1

И так далее.
У меня 4 реле, у вас есть возможность подключить 8 реле и соответственно 8 нагрузок.
Всем спасибо, удачи!
Вот архив с программой и печатной платой
Становитесь автором сайта, публикуйте собственные статьи, описания самоделок с оплатой за текст. Подробнее здесь.


