Для конструкции нам понадобится:
- часть лампы типа «экономка», та что с цоколем;
- светодиоды 5630;
- 4 диода 1n4007;
- электролитический конденсатор от 3,3 мкФ;
- резистор R1 - 470к, 0.25 ватт
- резистор R2 - 150 ом, 0.25 ватт
- резистор R3 – о нем позже.
- конденсатор типа К73-17 емкостью от 0.22 мкФ и рабочим напряжение от 340 В;
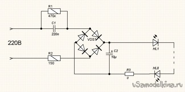
Схема простая с гасящим конденсатором.
Светодиоды в количестве 8 штук.
Схема для подбора емкости конденсатора.
Регулируемый резистор R3. Его устанавливал в максимальное сопротивление перед включением, чтоб стрелка прибора не зашкаливала. Потом сводил к минимуму. Конденсатор С2 с напряжением от 340В. Я при тестах ставил 10 мкФ, но из-за размеров он не влез в корпус, установил номиналом меньше. Зачем такое большое напряжение? Это на случай обрыва цепи со светодиодами. Так как напряжение подскочит до напряжения выше чем переменное сетевое в 1.41 раза(230*1,41=324,3В).

Пробуя конденсаторы с разной емкостью, получил примерные результаты.

Ток можно подсчитать по формуле:
Где «I» ток светодиодов в амперах.

Или по упрощенной формуле:

Я же руководствовался замерам проведенным на испытательной схеме с миллиамперметром.
Плату делал по технологии ЛУТ. Светодиоды смд.
Плата в формате lay 6 версии прилагается
Травим плату, сверлим отверстия и лудим.

Паяем диоды, светодиоды, резистор R1, конденсатор C2.
Монтируется плата в цокольную часть корпуса.
Диаметр корпуса экономки 38 мм, плата 36 мм.
Конденсатор С1 припаивается навесом к резистору R1. Опять же из-за ограничения корпуса. Резистор R2 вынесен за пределы платы и выполняет роль «поддтяжки». За счет его плата плотно прижимается к корпусу.
Припаиваем резистор и провод к цоколю.
Первое включение производил через лампочку. Потребление лампы составило 7.45 ватт. По световому потоку замерить нет возможности, но на глаз более 3 ватт (если сравнивать с рядом лежащей покупной).
У схемы отсутствует гальваническая развязка от сети. Будь те осторожны при экспериментах и эксплуатации. Так же соблюдайте осторожность при установке лампы. Монтаж производить при отключенном выключателе.
Лампа уже работает около полутора лет при постоянном включении/выключении.
На видео все можно рассмотреть в деталях:
   Становитесь автором сайта, публикуйте собственные статьи, описания самоделок с оплатой за текст. Подробнее здесь.
        
        






 
                     
                    