
Намучился в свое время с мелкими безвыводными детальками для печатного монтажа (SMD) и полевыми транзисторами паяя их большим сетевым паяльником. Потом сделал миниатюрный паяльничек из МЛТ-резистора, но как-то не очень долго он жил. А тут встретил в местном электрическом магазине паяльник от китайской паяльной станции Lukey. C паяльными станциями сталкивался ранее и удобство их оценил. Посему, пришла мысль сделать блок управления самостоятельно.
Чем отличается паяльная станция от обычного паяльника, или даже паяльника с регулятором? В паяльной станции есть, обратная связь. При касании жалом массивной детали температура жала падает, соответственно уменьшается напряжение на выходе термопары. Это падение напряжения, усиленное операционным усилителем (ОУ), анализируется, и отрабатывается – схема подает на нагреватель больше мощности, повышая температуру жала, до установленного уровня.
Найденный паяльник низковольтный (24В), довольно удобен, в руке лежит как фломастер, жало тонкое, все железо паяльника заземлено для стекания статического электричества. Провод довольно мягкий, словом, понравился.
Порывшись на просторах, нашел немало конструкций, как аналоговых так и цифровых, подобрал наиболее подходящую по функциональным возможностям и содержащую доступные элементы. Выбор пал на цифровую паяльную станцию на микроконтроллере ATmega8 и семисегментном светодиодном индикаторе. Управление пятью кнопками.
Первым делом распотрошил паяльник, интересно же, как он внутри сделан. Сфоткал внутренности, может быть, кому пригодится.

Ну ничего, все вроде культурно, заодно посмотрел куда какие провода идут - разъем на хвосте был жидковат, вроде как пи-си-пополам от мышек и клавиатур. Заменил его на DIN 5-ти штырьковый, всяко по надежнее будет, гнездо, опять же, легче найти.

Та-ак, вот эта платка в ручке, пружина для контакта "земли" с остальными железками паяльника, в том числе и жалом (смотри про полевые транзисторы выше).

Вышеупомянутые железки.

Платка поставлена на место, снаружи только контактная пружина с керамическим нагревателем, где то там, внутри и термопара.

Делай раз!

Делай два!

Делай три.

Четыре. Паяльник в сборе. Аплодисменты.
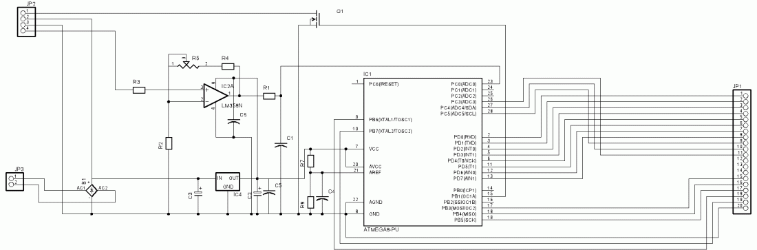
Собственно схема. Принципиальная.
Функционально схема состоит из двух частей – блока контроля и блока индикации.

Где
R1 - 1M
R2 - 1k
R3 - 10k
R4 - 82k
R5 - 47k
R7, R8 - 10k
R индикатора -0.5k
C3 - 1000mF/50v
C2 - 200mF/10v
C - 0,1mF
Q1 - IRFZ44
IC4 – 7805
Бипер со встроенным генератором, подключается + к 14 ноге контроллера, - к минусу питания.
Что умеет:
Температура от 50 до 500гр, (нагрев до 260гр примерно 30 секунд), две кнопки +10гр и -10гр температуры, три кнопки памяти - длинное нажатие (до моргания) - запоминание установленной температуры, короткое - установка температуры из памяти. После подачи питания схема спит, после нажатия кнопки - включается последняя использованная установка температуры. При первом включении температуры в памяти 250, 300, 350гр. На индикаторе моргает установленная температура, затем бежит и потом горит температура жала с точностью до 1 гр в реальном времени (после нагревания иногда забегает на 1-2 гр вперед, потом стабилизируется и изредка проскакивает на +-1гр). Через 1 час после последней манипуляции с кнопками засыпает и остывает (защита от забывания выключить). Если температура более 400гр, засыпает через 10 минут (для сохранности жала). Бипер пикает при включении, нажатиях кнопок, записи в память, достижении заданной температуры, три раза предупреждает перед засыпанием (двойной бип), и при засыпании (пять-бип).
Что понадобилось.
Материалы.
Кроме радиоэлементов - монтажный провод, кусочек оцинкованной стали и органического стекла, нетолстая нержавеющая сталь для подставки, нейтральный силиконовый герметик, фольгированный материал и химикаты для изготовления печатной платы, сопутствующие мелочи.
Инструменты.
Паяльник с принадлежностями, инструмент для радиомонтажа и мелкий слесарный. Ножницы по металлу. Пригодились вытяжные заклепки со специальными клещами для их установки. Нечто для сверления, в том числе и отверстий на печатной плате (~0,8мм), можно изловчиться одним шуруповертом – платки маленькие, отверстий немного. Гравер с принадлежностями. Не обойтись без компьютера со специальным софтом (PonyProg ) для «прошивки» микроконтроллера. Хорошо, если есть доступ к принтеру. При изготовлении подставки, пользовался маленьким сварочным инвертором с принадлежностями, но можно обойтись и винтиками.
Наиболее эргономичная форма корпуса и компоновка элементов, была проработана в САПР AutoCAD. Пришлось повозиться. Идею корпуса этакой пирамидкой подсмотрел у какой-то дорогущей буржуйской модели паяльной станции. Очень понравилась.

Платы разведены для разработанного корпуса в программе Sprint Layout. Кнопки, индикатор, прямо на плате. Радиатор полевому транзистору не требуется.

Выше, процесс облуживания дорожек платы и инструмент для него – кусочек медной оплетки примотанный тонкой проволокой к ручке. Плата после зачистки мелкой шкуркой и нанесения жидкого флюса, крепится к столу струбциной, конец оплетки с припоем прижимается мощным паяльником к плате и протаскивается по дорожкам. Они равномерно покрываются тонким слоем припоя без иголок и других дефектов.

Установка элементов. Микросхемы в панельках, благо они дешевы и легко доступны. Индикаторы АЛС 324.


Так, ну вот, все в сборе, процессор прошит, соединения на живую нитку, пробуем. С первого раза, чуток напутал с индикацией, после устранения все заработало как нужно. Большой конденсатор вне платы, появился в процессе настройки, он включен к выпрямительному мосту и немного повышает просевшее напряжение.

Теперь, самое сложное – оформить в корпус. Из макетов в инструменты.

Корпус выполнен из кровельной оцинкованной стали. Начертил развертку, перенес на железку, вырезал ножницами, согнул. Прямоугольные окошки выпиливал крохотным отрезным кругом, гравером.

Передняя панель - простой испытанный вариант из напечатанной на плотной бумаге панели и оргстекла поверх. Светофильтр на индикаторы из двух слоев от коричневой одноразовой баклажки.

Трансформатор довольно мощный и соответственно тяжелый, чтоб надежно закрепить его внутри корпуса, пришлось сооружать такое вот крепление. Пластинка-подставка с вваренным кусочком резьбовой шпильки, металлическая шайба, резиновые прокладки, изоляция резьбы - чтоб провода не покорябала, пластинка с контактными лепестками, чтоб пайки были не на весу.

Трансформатор в сборе, крепится в корпус за четыре угла подошвочки вытяжными заклепками.

Корпус в боевом положении, обратите внимание на весьма плотный монтаж - результат корпения в Автокаде.

Вот, еще один аспект в удобстве пользования паяльником - хорошая подставка. Сварил ее из нетолстой листовой нержавейки, по мотивам фабричных. Вес получился вполне приемлимый, ничего не ёрзает, не опрокидывается.

Узел держателя на промежуточной примерке. Чашечка сделана из отрезанного горлышка от пустого алюминиевого баллончика с ингалиптом.

Ортопедическая эластичная прокладка из нейтрального (чтоб не разъело алюминий) силиконового герметика. Формовка выполнялась самим паяльником. Соответствующее его место было плотно обернуто пищевой полиэтиленовой пленкой и вдавлено в жидкий герметик. Подставка вообще и этот узел в частности, получились весьма удобными. Пальник сидит плотно, его можно не вкладывать, а почти вбрасывать, на манер дартса, причем без особенного лязга и брякания. Сильно точное прицеливание, тоже не требуется.

Паяльная станция в сборе, к слову, на свеже сделанном рабочем столе.


Да, пришлось еще делать программатор для контроллера.

DB-9 для COM порта не нашлось, пришлось делать из длинного - махнул "болгаркой" и приходи-кума-любоваться!


USB-это для питания.

После более чем двух лет эксплуатации, существенных недостатков не обнаружено. Индикаторы только тускловато светятся при обычном рабочем освещении - лень было ключи - транзисторы ставить. Но это недостаток самих индикаторов. Ничего не разбирая и не допаивая, можно сверху приладить блендочку, но не особенно нужно. Три температуры в памяти (дежурный режим, рабочий и для безсвинца или деталек помассивнее) устанавливаются один раз, потом их нужно только вызывать по мере необходимости в "один тырк".

Авторы схемы паяльной станции и прошивки контроллера, некто - Миха-Псков, e-mail: 60rus@rambler.ru, Hricava, e-mail: hrisvasilis@gmail.com, им спасибо, все работает не первый год, совершенно безупречно.
Прошивка (2 версии) скачиваем:
Становитесь автором сайта, публикуйте собственные статьи, описания самоделок с оплатой за текст. Подробнее здесь.



