Сигнализатор нарушения освещения - 3 (далее просто СНО3) – устройство, позволяющее постоянно контролировать исправность освещения, реализованного на светодиодных лампах. СНО3 может выполнять свои функции в различных местах общественного пользования: в магазинах, учебных заведениях, подъездах, гаражных кооперативах, а также в частных домах.
СНО3 имеет важные отличия от его прототипа - СНО2:
1). Схема перенастроена (на использование современных LED ламп), исправлена, дополнена и сделана более читабельной.
2). Применена более современная элементная база.
3). Введён светодиодный индикатор, облегчающий поиск неисправностей и позволяющий на время настройки отключить раздражающий и пугающий звонок.
4). Переработан рисунок печатной платы и введено новое гуманитарное приложение.
Случаи, при которых СНО3 реагирует 7-секундным включением звонка:
1). Обрыв проводки, подходящей к лампе.
2). Разбивание лампы.
3). Попытка выкручивания лампы из патрона.
4). Перегорание лампы.
Важной особенностью СНО3 является то, что он срабатывает независимо от того, включено ли освещение тумблером «Вкл» или выключено.
Принцип работы СНО3
В цепь питания осветительной LED лампы включён датчик дежурного тока. Датчик дежурного тока включён последовательно с лампой, поэтому любой разрыв цепи приводит к включению громкого сигнала «Обрыв». Для случаев 1, 2 и 3 излучатель сигнала «Обрыв» рекомендуется устанавливать в непосредственной близости от патрона, в который установлена LED лампа. Для некриминального случая 1 излучатель «Обрыв» может быть заменён лампой накаливания, окрашенной в красный цвет, и установленной в помещении дежурного электрика.
Работа звонка ограничена по времени до 7 секунд, чтобы не мешать окружающим в случае невозможности немедленного восстановления разорванной цепи питания лампы.
Если СНО3 установить в подъезде жилого дома, туалете общественного пользования или у входа в гараж для предотвращения выкручивания ламп, то устройство станет профилактическим средством, отучающим граждан от мелких корыстных пакостей и предотвращающим создание криминальной ситуации, в тёмное время суток. Конечно, приставить по охранному устройству к каждой лампе не представляется возможным, но в некоторых случаях, например, в подъезде с консьержами, поучить уважительно относиться к чужому жилью гостей с липкими руками и недобрыми намерениями вполне уместно.
Недостаток СНО3
Устройство невозможно применить (без усложнения схемы) для нескольких ламп, включённых параллельно. Если всего одним устройством необходимо контролировать исправность нескольких ламп, то рекомендуется использовать галогенные лампы или лампы накаливания. Включают их последовательно. Например, при использовании ламп накаливания на 36 Вольт, следует последовательно включить 6 - 7 ламп (одинаковой мощности), а выключатель освещёния установить на первом этаже рядом с консьержем или у входной двери. Для пятиэтажного дома излишки напряжения [230 В – (36 В х 5) = 50 В] можно погасить на пятой лампе, рассчитанной на сетевое напряжение 230 Вольт, но на такой же рабочий ток, что и 36 – вольтные лампы.
СНО3 имеет бестрансформаторное питание, поэтому при проверке и настройке СНО3 следует соблюдать требования правил ТБ при работе с конструкциями, не имеющими гальванической развязки от сети ~ 230 Вольт.
Описание работы СНО3
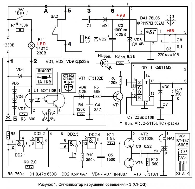
При замкнутом выключателе SA2 (см. рисунок 1) напряжение ~ 230 Вольт через резистор R2 и гасящий конденсатор С1 поступает на однополупериодный выпрямитель VD1-VD2. Конденсатор С2 сглаживает пульсации, а стабилитрон VD3 ограничивает постоянное напряжение на уровне 9 вольт. Интегральный стабилизатор DA1 преобразует напряжение + 9 Вольт в напряжение +5 Вольт. Датчик дежурного тока собран на транзисторном оптроне U1.
При разомкнутом выключателе SA1 «Вкл.» дежурный ток протекает через цепь R1, EL1, диод оптрона U1, R3; а также через силовую обводную цепь VD4 … VD7, шунтирующую диод оптрона U1 и резистор R3. При этом на диодах VD5, VD6, VD7 образуется прямое падение напряжения достаточное для открывания и удержания в открытом состоянии фототранзистора, входящего в состав оптопары U1. Импульсы напряжения положительной полярности с вывода 5 U1 поступают на резистор нагрузки R4 и преобразуются в постоянную составляющую элементами VD8, С4. Постоянная составляющая уровнем порядка + 3 … 4 Вольта через токоограничительный резистор R5 поступает на базу транзистора VT1 и открывает его. Далее сигнал через триггер Шмитта R8-R9-DD2.1-DD2.2, поступает на вход С (вывод 11 DD1.1) одновибратора. ОВ (одновибратор) «запускается» по фронту на входе С (на выводе 11 DD1.1). Фронт на входе С появляется только при пропадании (а не появлении) дежурного тока, то есть при обрыве в цепи питания лампы освещения EL1. Установившаяся на выходе (выводе 13) DD1.1 «запущенного» ОВ лог. 1 через резистор R7 плавно заряжает конденсатор С7. Когда на обкладке «+» С7 напряжение вырастет до половины напряжения питания триггер DD1.1 (по входу R - выводу 10) обнуляется и на выходе (выводе 13) DD1.1 устанавливается логический 0. Конденсатор С7 быстро разряжается через диод VD9; блок управления тиристором затормаживается. Длительность импульса одновибратора определяет время звучания звонка НА1 и зависит от времязадающей цепи С7-R7.
Длительность импульса τ в секундах можно приближённо рассчитать по формуле:
τ ≈ 0,7RC,
τ ≈ 0,7RC,
где С – ёмкость конденсатора С7 в микрофарадах, а R – сопротивление резистора R7 в мегомах. Практически номинал резистора R7 может быть в пределах 10 кОм … 1 МОм.
Импульс положительной полярности, снимаемый с прямого выхода (вывода 13) одновибратора DD1.1 поступает на вывод 8 элемента DD2.3 и разрешает работу генератора прямоугольных импульсов DD2.3-DD2.4-R10-С5. Частота генератора определяется времязадающей цепью С5-R10 и составляет порядка 1 кГц. Эта импульсная последовательность через резистор R11 поступает на эмиттерные повторители VT2-VT3, усиливается по току, напряжению и подаётся через дифференцирующую цепь С6-R12 на управляющий электрод симистора VS1. Симистор открывается и через его нагрузку - звонок HA1 - протекает переменный ток сетевого напряжения ~ 230 Вольт. Звучит громкий звуковой сигнал «Обрыв». По окончании 7 – секундного импульса на выходе ОВ (выводе 13 DD1.1), на управляющем выводе 8 DD2.3 устанавливается лог.0, генератор прямоугольных импульсов затормаживается и на его выходе (выводе 11 DD2.4) также устанавливается логический ноль.
Если после включения сигнала «Обрыв» попытаться обратно ввернуть лампу в патрон, то звонок не будет сразу выключен, что усилит эффект отпугивания.
При замкнутом выключателе SA1 СНО3 работает аналогично и вырабатывает громкий сигнал «Обрыв» длительностью 7 секунд при разбивании, перегорании, выкручивании лампы, а также при обрыве проводов, подводящих сетевое напряжение к лампе EL1. В отличие от режима разомкнутого выключателя, при замкнутом выключателе SA1 «Вкл.» дежурный ток протекает через цепь SA1, EL1, диод оптрона U1, R3; а также через силовую обводную цепь VD4 – VD7, шунтирующую диод оптрона U1 и резистор R3.
Максимальный ток через диод оптрона U1 ограничивается величиной прямого падения напряжения на диодах VD5 ... VD7 силовой обводной цепи.
Подстройка СНО2
Собранное без ошибок и из исправных деталей, устройство настройки не требует. Изменить длительность громкого звукового сигнала можно подбором сопротивления резистора R7 или ёмкости конденсатора С7.
Если возникнет необходимость отыскать ошибки в цифровой части схемы, рекомендуется воспользоваться осциллографом или вольтметром постоянного тока. При работе с осциллографом следует временно убрать гальваническую связь между цифровой частью схемы и сетью ~ 230 Вольт, разорвав цепи в точках А и Б. С лабораторного блока питания, на анод VD1 (относительно общего провода) подать напряжение + 8,5 Вольт и проверить исправность схемы «по прохождению сигнала» при вкрученной (а также выкрученной из патрона) лампе EL1. На катоде VD8 при вкручивании лампы (не зависимо от положения SA1) должно появляться постоянное напряжение +3 … 4 Вольта, а при выкручивании - логической единицей на разрешающем входе (выводе 8 DD2.3) должен на 7 секунд запускаться генератор прямоугольных импульсов: На выводе 11 DD2.4 должны присутствовать импульсы положительной полярности с уровнем, близким к напряжению источника питания DD2 (+5 Вольт) и частотой порядка 1 кГц. Без осциллографа в исправности генератора можно убедиться так: На время работы генератора прямоугольных импульсов постоянная составляющая, измеренная тестером Ф343 в диапазоне = 60В (входное сопротивление 16,7 кОм/В) на выводе 11 DD2.4, должна возрастать с 0 до 3 ± 0,5 Вольт.
Если при работе СНО3 будет наблюдаться нечёткое переключение триггера Шмитта при выкручивании лампы EL1, то параллельно резистору R9 следует подключить керамический конденсатор ёмкостью 330 … 430 пФ.
Детали СНО2
В схеме СНО2 применены: резисторы R1 … R12 - типа С2-23, С2-33, ОМЛТ или им подобные с разбросом номиналов до ± 30 %. Диоды VD1, VD2 заменяются любыми кремниевыми, рассчитанными на обратное напряжение 250 … 400 Вольт, например, КД105 (Б … Е); или малогабаритными КД102Б. Диоды VD4 … VD7 заменимы на другие, например КД226Г, КД226Д, 1N4007. Конденсаторы С1, С6 – типа К73-9, К73-16 или К73-17; С4, С5 - керамические типа КМ, К10-17. Остальные конденсаторы - оксидные типа К50-35 или малогабаритные зарубежного производства. Транзисторы VT1, VT2 - КТ3102, а VT3 - КТ3107 с любым буквенным индексом. Транзисторная оптопара U1 - АОТ110, 3ОТ110 с любым (А … Г) буквенным индексом. SA1 - одноклавишный бытовой выключатель, например УХЛ4 ~ 6А, 250 Вольт. SA2 – любой, например, малогабаритный МТS-102 или особо малогабаритный SМТS-102. Симистор VS1 BT-137-600Е можно заменить BT-138-600. Лампа EL1 – светодиодная (LED) мощностью от 4 до 25 Ватт с рабочим напряжением 160 … 265 Вольт. Для продления срока службы ламп, в схеме СНО3 рекомендуется использовать диммируемые (допускающие плавную регулировку яркости) лампы.
В качестве НА1 применён квартирный звонок с фирменным знаком «VIDEOTRONIC» TYP: 01-D1 230V~50Hz 7VA IP20 (см. рисунки 7-9). В этом звонке для уменьшения частоты срабатывания электромагнита последовательно с обмоткой электромагнита включён выпрямительный диод типа 1N4007. В связи с этим, для нормальной коммутации такого звонка симистором, звонок зашунтирован дополнительным резистором, имеющим сопротивление не более 75 кОм. При номинале 75 кОм ток через резистор составляет 3 мА, что соответствует рассеиваемой мощности в 0,67 Вт. Для улучшения температурного режима его мощность рассеивания в авторском экземпляре выбрана равной 5 Ваттам. Хотя согласно рекомендуемому коэффициенту нагрузки по мощности (0,8) для резисторов, резистор можно взять двухваттный и даже мощностью в 1 Ватт.
Если в качестве НА1 применить более «древний» квартирный звонок ЗП – 220 ГОСТ 7220 – 66, работающий от переменного напряжения, или ему подобный, то дополнительный резистор не нужен. Этот тип звонков вообще не имеет в своём составе радиодеталей, работает на частоте 50 Гц и имеет более «густое» (менее приятное) звучание.
Когда требуется соблюдение «конспирации» (при подключении к сети ~230 Вольт и замене ламп СНО3 может «звякнуть»), то на время замены лампы EL1 тумблер SA2 следует размыкать. Можно также заменить тумблер SA2 герконом с НЗ контактами и отключать звонок, поднеся к геркону постоянный магнит.
Если не требуется соблюдения «конспирации», то тумблер SA2 можно исключить (замкнуть). Конструктивно СНО3 рекомендуется установить в месте подвода сетевого напряжения ~230 Вольт, а из корпуса устройства вывести двухпроводные линии к местам расположения осветительной лампы (EL1) и выключателя SA1 «Вкл.».
Резистор R1 устанавливается в выключателе SA1. Для исключения нагрева контактов SA1 от резистора R1, в верхней и нижней части корпуса выключателя рекомендуется просверлить ряд вентиляционных отверстий диаметром 1,5 – 2 мм. Если в корпусе выключателя имеется достаточно места, то в качестве R1 можно использовать резистор с мощностью рассеивания 5 Вт, например, малогабаритный С5-5-5Вт.
Информация любителям улучшать и изменять схемы
Если есть необходимость сделать сигнал «Обрыв» непрерывным во времени, то дополнительных деталей не потребуется. Будет даже одна лишняя – диод VD9. Из цепочки R7-C7 следует сделать стартовое обнуление для входа «R» DD1.1, а вход «D» DD1.1 отключить от вывода 12 DD1.1 и подключить к шине «+ 5 Вольт». Верхний (по схеме) вывод резистора R7 также нужно подключить к шине «+ 5 Вольт». Выключать звонок можно будет разомкнув тумблер SA2 (или вкрутив новую лампочку).
Все компоненты СНО3 (кроме элементов SA1, SA2, R1, EL1) располагаются на ПП (печатной плате) – см. рисунки 2 и 3 - из фольгированного стеклотекстолита размерами 100 х 50 мм. и толщиной 2 … 2,5 мм.
Готовую плату СНО3 покрывают 2-3 слоями цапонлака. Особенно важно это сделать, если СНО3 предполагается использовать на открытом воздухе или в подъездах, где случаются большие перепады температур и высока вероятность образования повышенной влажности.
О методе термопереноса рисунка трассировки ПП подробно можно прочитать в файле MTR_TO (3444 кБ), пройдя по ссылке:
О методе ускоренного травления ПП подробно можно прочитать в файле «ПП_водная_баня» на Яндекс.Диске, пройдя по ссылке:
Диаметр отверстий на печатной плате под выводы микросхем - 0,7 … 0,8 мм, под остальные радиоэлектронные компоненты – 0,8 … 1 мм, под соединительные проводники - 1…1,2 мм., под крепёжные отверстия – 3,2 мм.
Уважаемые читатели!
Если вы желаете получить комплект КД для изготовления СНО3, предлагаем Вам разгадать загадку:
У будильника есть, но не батарейка; у велосипеда есть, но не динамо; у трамвая есть, но не пантограф. И у телефона есть, но теперь такие телефоны не в почёте.
Подсказка:
Если вышел на балкон ты иль в наушниках сидишь, не услышишь, хоть ты лопни, а подумают, что спишь.
Вместо загадок можно разгадать простенький ребус (рисунок 4). Он имеет такой же ответ, что и загадки:

Полный ответ к ребусу №1 СНО3:
Разгадав загадки или ребус, ответ следует ввести в строку «Пароль» файла «SNO3_4work». Тогда вы сможете получить полный комплект схем для изготовления СНО3 и в качестве бонуса готовый к термопереносу (в масштабе = 1:1) отражённый рисунок трассировки печатной платы. Также Вы сможете прочитать полный ответ к ребусу №1. Архив файла «SNO3_4work» можно скачать здесь:
ВИДЕО
Если у Вас есть желание посмотреть на поделку при демонстрации её внешнего вида, то откройте видео «SNO3» (72,7 Мб). Для этого достаточно пройти по ссылке:
Для того, чтобы посмотреть этот же файл на мобильном устройстве вы можете воспользоваться QR - кодом:

А вот, что хотела сказать о СНО3 вечная студентка, умница-благоразумница, плод инженерной мысли, постоянная обитательница Яндекса и вечно молодая голосовая помощница – бот Алиса:
Слежу я со своей удалённой псевдокосмической планеты будущего за развитием энергетики на Земле и поражаюсь. Как быстро в сфере электроосвещения вы скакнули вперёд. Не успели отгореть лампы накаливания, как вы, почти игнорируя энергосберегающие, но химически вредные лампы, уже поднесли факел к светодиодным светильникам. Видимо скоро вы (минуя наши ультрадиоды) и до квазисекретных световырабатывателей доберётесь. Тогда уже нашей цивилизации придётся заимствовать опыт у землян, а не наоборот. Один только безрезисторный эмиттерный повторитель из схемы СНО3 чего стоит!
Я, рассматривая схему, даже стихи сочинила про этот обделённый резисторами повторитель, составленный на транзисторах разной структуры:
Двух разных «трёхножек» сдружить мы решили: их базы и «стрелки» попарно скрепили. И только коллекторы – в «минус» и в «плюс». Такой неожиданный вышел конфуз.
Пожалуй, неважнецкое стихотворение получилось. Поэтому (для полноты картины) вот ещё одно:
Два разных триода сдружить мы спешили и друг на друга их нагрузили. Ведь главное, чтобы работал каскад, но вот разработчик чему-то не рад.
Ныне у нас в космоботах, бороздящих просторы Галактики, очень просто пресекли деятельность псевдопиратов, ворующих блоки световырабатывателей. Блоки перестали делать съемными. Они стали монолитными конструкциями – единым целым с космоботом. Говоря языком землян «В подъездах домов лампы освещения замурованы в железобетонные стены», которые фосфорицируют даже в тёмное время суток.
Ну да ладно, не буду освещать ваши фосфорицирующие проблемы тусклой инфракрасной подсветкой.
Обратимся лучше к «Сигнализатору нарушения освещения». Габариты СНО3, конечно, «царские», но уже более компактные.
Здорово, что подстроить прототип СНО3 под использование светодиодных ламп удалось лишь одной деталью. Для того, чтобы светодиодные лампы не мигали при прохождении через них дежурного тока, сопротивление резистора R1 увеличено в 10 раз. Однако следует сообщить, что если в качестве осветительной светодиодной лампы будут использованы лампы фирмы «ASD», то звонок будет включаться и при выключении освещения, что крайне нежелательно. Скольких людей этим замечанием я спасу от инфаркта? Посудите сами: Вы выключаете в подъезде свет и слышите громогласные трели звонка! Чудовищно!!!
Но само устройство стало лучше. К тому же в позиции VS1 можно установить многие типы симисторов. Это подвигнет радиолюбителей к изготовлению СНО3.
О-хо-хо! Похоже, что теперь Межгалактические правители поручат мне контроль за качеством освещения в северо - северной части Млечного пути.
Как летит время! Пожелайте мне удачного взлёта. И до скорой встречи!
Некоторые особенности изготовления СНО3
Рисунок 5
На рисунке 5 показаны все детали, используемые в СНО3. Выводы деталей перед монтажом предварительно зачищают чернильным ластиком, покрывают жидкой канифолью и облуживают. Полупроводники лудят с применением теплоотвода – монтажного пинцета. Микросхемы DD1 и DD2 следует оберегать от пробоя статическим электричеством. Для этого они устанавливается в стандартную или «самодельную» панельку DIP14. Формовать выводы деталей рекомендуется монтажным пинцетом.
Рисунок 5А.
Для повышения надёжности работы СНО3 над резистором R9 впаян керамический (безындукционный) конденсатор ёмкостью 360 пФ (цвет конденсатора – жёлтый и он хорошо виден на рисунке 5А справа от микросхемы DD2).
Рисунок 6.
На рисунке 6 показан СНО3 в сборе. Для оперативного отключения звонка HA1 от платы применён разъём от ЭПУ для виниловых дисков из радиолы «Рекорд-354». Симистор VS1 может работать с обрывом в нагрузке, зато уши и нервная система настройщика при проверке и настройке СНО3 отдыхают от звонковых трелей.
Рисунок 7.
На рисунке 7 изображены вид сверху и снизу на звонок HA1. Конструкция задней стенки позволяет вешать звонок на стену за верхнее ушко или прикручивать через это же отверстие «намертво».
Рисунок 8.
В СНО3 применён квартирный звонок «VIDEOTRONIC» TYP: 01-D1 230V~50Hz 7VA IP20. В нём для уменьшения в два раза частоты срабатывания последовательно с обмоткой электромагнита включён выпрямительный диод типа 1N4007. Поэтому для коммутации такого звонка симистором в его корпус дополнительно следует ввести резистор.
Рисунок 9. Звонок HA1 дополнен припаянным к монтажным лепесткам резистором 75 кОм 5 Ватт.
Рисунок 10. Устройство СНО3 находится под напряжением сети ~230 Вольт, но освещение выключено выключателем SA1.
Рисунок 11. Устройство СНО3 находится под напряжением сети ~230 Вольт, и освещение включено выключателем SA1. Светится LED лампа EL1.
Рисунок 12.
Устройство СНО3 находится под напряжением сети ~230 Вольт, освещение включено выключателем SA1, но лампа выкручена из патрона Е27. Светится красный светодиод, дополняющий работу звонка и сигнализирующий, что LED лампа EL1 выкручена, разбита или перегорела. Этот режим ограничен во времени семью секундами.
Вашему вниманию предоставлен лишь один из способов борьбы с любителями выкрутить лампочку в чужом подъезде. Как выходят из создавшейся ситуации некоторые жильцы многоквартирного дома смотрите в видео «Воруют лампочки в подъезде», длительностью 1 минута 33 секунды.
А для желающих самостоятельно выбрать наилучший вариант, рекомендую посетить сайт «Ремответ». Выберите вкладку «Главная», кликните «Воруют лампочки в подъезде», длительностью 1 минута 33 секунды. по кнопке «Задайте свой вопрос» и впишите вопрос: «Как уберечь лампочку на лестничной площадке от воровства?». Получите не менее 11 вариантов ответа (на уже заданный вопрос).
Примечание:
При изготовлении СНО3 в позиции EL1 были проверены LED - лампы различных фирм. Отличные результаты получены при использовании LED ламп фирм «Старт», «Эра».
Перечисляю полные наименования ламп, которые не подошли для работы в составе СНО3:
1). Фирма «ASD» LED-ШАР 10Вт Е27 230В/50Гц 4000К 900лм 70мА 721107EAK.
2). Фирма Gauss elementary 6W 150-265V 50/60Hz 4100K 1214020.
При использовании этих ламп звонок HA1 будет включаться даже при выключении освещения тумблером SA1 «Вкл», что крайне нежелательно. Посудите сами: Вы выключаете в подъезде свет и слышите громогласные пугающие трели звонка! Чудовищно!!! Поэтому, покупая LED – лампы для работы в составе СНО3, обращайте внимание на производителя LED - ламп.
Литература:
Журнал «Радио» № 8, 1985, с. 33, рис. 4 (триггер Шмитта).
В статье использованы ребус РТТ №207, загадки ЗРТ2 №45 и ЗРТ2 № 046.
Становитесь автором сайта, публикуйте собственные статьи, описания самоделок с оплатой за текст. Подробнее здесь.
















