После прочтения статьи «Включение устройств по звуку» (Ссылка) известного на сайте автора DIMON-BIDON, вспомнилась моя старая, 2011 года заметка. Итак, сокращенный вариант…
Наверное, каждый попадал в такую ситуацию: длинный темный коридор, в темноте надо найти выключатель, включить свет, пройти в конец коридора, отпереть дверь и… вернувшись, выключить в коридоре свет и в темноте или полумраке снова пробираться по коридору к нужной двери. А неохота! Вот и горит ненужный свет, иногда часами, иногда сутками, пропадают многие киловатт-часы электроэнергии. На радиокружке, который я вел тогда, разработано, изготовлено к Международному дню энергосбережения ШПИРЭ 11 ноября 2011 года и установлено в здании Лидского РЦТТУ и задействовано устройство для улучшения комфортности и экономии электроэнергии – акустический выключатель освещения (АВ).
Первые варианты АВ, которые включали бы освещение от звука с громкостью выше определенного уровня и которые можно было бы устанавливать вместо обычного выключателя или параллельно ему без доработки электропроводки, изготавливались достаточно давно, но у них были свои недостатки – недостаточная чувствительность, большие размеры, малая коммутируемая мощность. Теперь же, когда стали доступны высокочувствительные электретные микрофоны, малогабаритные силовые тиристоры, высоковольтные полевые транзисторы, появилась возможность без использования спецтехнологий изготовить задуманное устройство.
Вначале схемы устройств были достаточно громоздки.
Рис.1. Схемы АВ с использованием микросхем.
Первая схема имеет блокировку включения фоторезистором, т.е. при достаточной внешней освещенности АВ не включается.
Рис.2. Акустический выключатель без корпуса.
Более современная и компактная схема светильника получается при применении высоковольтных полевых транзисторов.
Рис.3. Схема светильника с АВ на полевом транзисторе.
В данной схеме звуковой сигнал с микрофона усиливается супер-бетта транзистором VT1, усиленный сигнал открывает ключевой транзистор VT2, который заряжает конденсатор С4 и включает мощный VT3. Недостатки схемы – работает только с лампами накаливания, плавное погасание (при этом полевик греется), ограничение мощности нагрузки из-за перегрева.
Рис.4. Светильник с АВ с полевым транзистором
Есть вариант схемы с питанием 12В, т.е. возможно автономное питание светильника от аккумулятора.

Рис.5. Светильник с АВ с полевым транзистором и питанием 12В
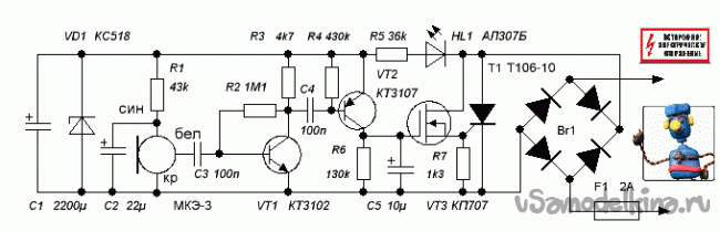
Более мощная и универсальная схема может коммутировать практически любые (с доработкой – установкой при необходимости дополнительного резистора) бытовые светильники или их группы с током до 10А, т.е. мощностью до 2кВт. Принцип работы такой же, как у предыдущей схемы, но применение выходного тиристора позволило резко уменьшить тепловыделение и, соответственно, увеличить коммутируемую мощность.
Рис.6. Схема АВ с полевым транзистором и тиристором.

Рис.7. АВ со снятым корпусом
Рис.8. АВ на испытаниях
Рис.9. АВ, установленный на рабочее место
Это устройство смонтировано и подключено в Международный день энергосбережения ШПИРЭ 11 ноября 2011 года в коридоре здания Лидского РЦТТУ. Монтаж и подключение проводились совместно с профессиональными электриками. Более старые версии задолго до этого испытывались и использовались в подвальных помещениях Центра, а также кружковцами в домашних условиях.
Все, комментируйте.










