
Сразу два стабилизатора у меня заглючили, один SVC-5000, стал выбивать автомат, второй АСН-5000/1 ЭМ, ёрзал двигателем, уходил в защиту и периодически занижал напряжение. Вскрытие показало, что в одном просто подгорели контакты в автомате. Там самые простые медные с лёгким, практически незаметным серебрением были. Почистил надфилем контакты и подогнул рычаг сблизив контакты на 1 мм. Работает устойчиво, да и редко нужно им щёлкать.
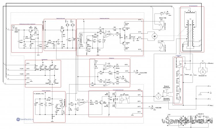
А вот со вторым стабилизатором пришлось подумать что делать, чистка мотора и смазка это по стандарту, пропайка кольцевых трещин и замена подозрительных конденсаторов, только один поменял у которого ESR было 2 ома, да и тот можно было не менять. Но моторчик отзывался на любой чих, включение или выключение холодильника, или лампочки заставляло моторчик елозить графитовыми щётками по обмоткам автотрансформатора. Изучение схемы и поиск в интернете решения не привёл к нужному результату. Схема спроектирована с аналоговым управлением и гистерезис туда просто не запроектировали. Пришлось заколхозить гистерезис подручными средствами. Ограничить чувствительность и разнести время включения и выключения подальше друг от друга. Пара светодиодов включенных встречно параллельно и замена резистора в цепи обратной связи операционного усилителя позволили добиться нужного режима работы. Теперь моторчик срабатывает не при трёх вольтах перепада, а при десяти. Точность вполне устраивает, зато мотор не жужжит практически постоянно. На видео показал до переделки и после. Конечно это древнее чудище, но свои функции выполняет ))
Подгорелый контакт зачистил надфилем и слегка нижний рычаг подогнул, теперь работает как надо.
Моторчик крутил с натугой, пришлось разобрать для чистки и смазки. Видно, что он перегревался, пластик лишний откусил бокорезами, чтоб не зацепился за якорь
Изопропанол отлично растворяет грязь и старую смазку
Первый неисправный стабилизатор после ремонта моторчика привода токосъёмных щёток, никакого усовершенствования не требует. Работает исправно.
Второй моторчик собирается проще, у него есть пазы для отжима щёток, вставляю заточенные спички, и после сборки мотора извлекаю их
При сборке в бронзовый подшипник закладываю консистентную смазку, типа литола, и чтобы легко вставить коллектор в щётки и вал в подшипник, поверх смазки кладу гетинаксовую шайбу моторчика
Второй стабилизатор уже был в серьёзном ремонте, заменил часть обмотки сгоревшей
Кольцевая трещина вокруг вывода токоограничивающего резистора.
До переделки мотор постоянно корректирует отслеживаемое напряжение, нет зоны нечувствительности.
Схема стабилизатора напряжения Resanta АСН-10000-1-эм
Изменение схемы для создания гистерезиса.
Второй стабилизатор после усовершенствования схемы и ремонта привода мотора, тоже исправно работает.
После замены нескольких деталей работает как и должно.
Становитесь автором сайта, публикуйте собственные статьи, описания самоделок с оплатой за текст. Подробнее здесь.













