
Принесли мне для ремонта и доработки зарядное устройство (ЗУ) для автомобильной аккумуляторной батареи (АКБ). У старого хозяина оно работало долго и надежно, а молодому ничего не стоит кинуть провода так, что крокодилы лягут друг на друга, проверить «на искру», перепутать плюс и минус (фу, мелочь какая!). Короче, понадобилась foolproof, по-русски – защита от дурака. Схема этого ЗУ простая и надежная, использовалась многими и многие годы.

И дорабатывать ее на «неубиваемость» мне также приходилось не раз, вот по этой схеме.

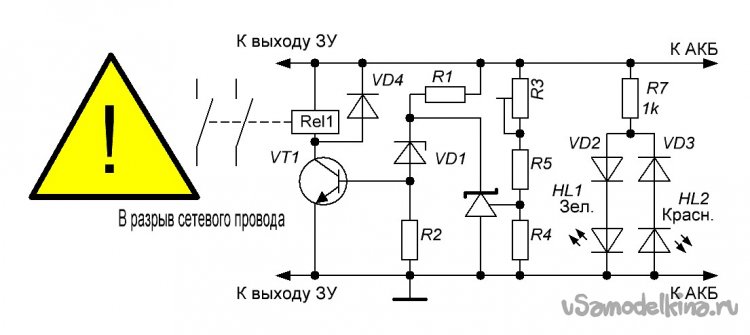
Поясним ее работу. Ключевой транзистор VT3 откроется только при правильно подключенной АКБ с напряжением не менее уровня, определяемого делителем R10/R7 (желательно также включение последовательно с диодом VD1 стабилитрона на несколько вольт), иначе он будет закрыт и, соответственно, питание на схему управления тиристором не пойдет. А закрытому тиристору безразличны и КЗ, и переполюсовка 12 В… При неправильно подключенной АКБ загорится красный светодиод, при правильно подключенной – зеленый. Но это вспомогательная и необязательная функция. Так же необязателен и R3, ограничитель ударного тока. А вот на тот случай, если надо подключить не АКБ, а, скажем, переноску или какой-нибудь моторчик, есть кнопка блокировки защиты, S1. Если параллельно клеммам АКБ поставить конденсатор на пару тысяч мкФ, то можно подключать даже радиоприемник. Такая вот получилась доработка. На переднюю панель была установлена кнопка «Откл. защиты» и держатель для сетевого предохранителя, которого до этого не было. Хотя вначале планировался немного другой, более безопасный вариант – с полным отключением ЗУ от сети.

Но под рукой не было реле с обмоткой на 9…12 В и контактами, способными коммутировать несколько ампер при напряжении сети.
А вот для примера схема индикатора полного заряда АКБ.

Собрав вместе эти схемы, получаем вариант с отключением ЗУ при достижении полного заряда АКБ. Т.е. включил и забыл.

Был еще вопрос о возможности автоматического проведения тренировочных циклов заряд-разряд. Но тут схема стала разрастаться, начало получаться что-то в этом роде:

Т.к. необходимости особой в этой функции нет, решили от нее отказаться. Да и реле не появилось, так что остановились на вот таком варианте:
Схема собрана на макетной плате, поэтому фото не привожу, чтобы не оскорблять эстетические чувства читающих. Пока работает… Все, комментируйте!



