Первая часть закончилась на том, что стиральная машина Bosch Maxx WFL1200 не греет воду после замены ТЭНа.
Первая мысль: где-то на плате сгорел предохранитель. Поставил бы я предохранитель - конечно бы поставил, значит надо смотреть блок управления. Добраться до него несложно. Для начала снимается верхняя крышка, которая держится на двух зацепах спереди и двух винтах в задней части крышки.
Под крышкой в левом заднем углу два клапана, подающие воду в порошкоприемник, которые были заменены в первый год эксплуатации, я рассказывал об этом в первой части.
В правом заднем углу сетевой фильтр, справа от которого виднеется сливной шланг.
За кнопками на передней панели расположен блок управления стиральной машины.
На баке табличка максимальных оборотов отжима, даты изготовления и прочее.
Для снятия передней панели необходимо снять лоток для порошка и выкрутить три винта.
Справа передней панели выкручиваю еще один маленький саморез.
Панель сидит достаточно плотно, но фиксаторов с защелкой у нее нет, поддел панель сверху плоской отверткой и, потянув на себя, снял. На фото видны штырьки фиксации.
Блок управления стиральной машины.
Сделал фото расположения силовых проводов, чтобы не перепутать при подключении.
Задняя и передняя стороны блока управления.
Попытался вытянуть плату из корпуса, и только потом заметил, что белая и серая части соединены фиксаторами.
Силовые компоненты платы.
Модель платы.
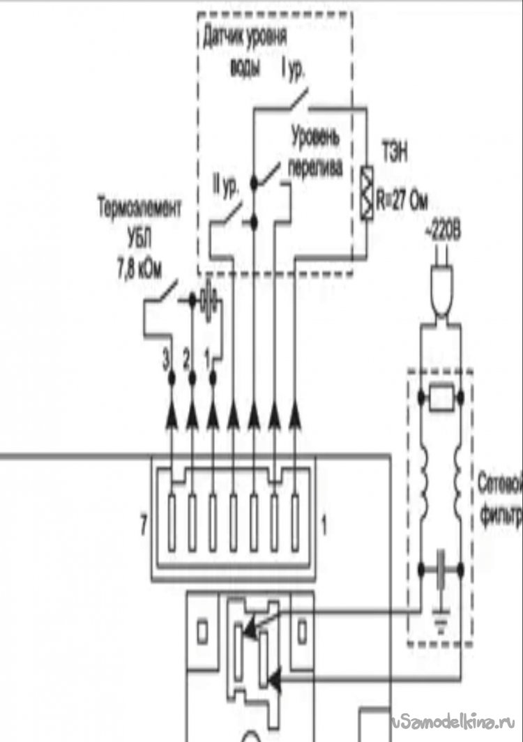
А вот предохранителей на плате нет, от слова совсем. Все целое, не подгоревшее, легкий налет возле диодов, который легко удалился кисточкой. Решил поискать документацию на плату. Именно на эту не нашел, но на одной из схем обнаружил, что нагреватель для безопасности подключается через прессостат, чтобы исключить включение нагрева, если нет воды в баке.
Действительно, один из проводов нагревателя идет на плату управления , а второй на прессостат. А какой из оставшихся трех с прессостата идет на плату? Ответ дал мультиметр. Так как воду из стиральной машины я не сливал, контакты должны быть замкнуты. Так и оказалось, соседний левый контакт замкнут на провод идущий к ТЭНу. Нашел второй контакт на плате управления и реле включающее нагреватель. Подключаю обратно все провода. Ну как все, остался один трехконтактный разъем термодатчика, а ответный разъем на плате четырехконтактный, вставить можно и так, и так.
Но я же все фотографировал. Поискал фото, как был подключен разъем, а фото нет… И вот именно этого разъема как раз и нет. Странно, что я не обратил внимание, на разный размер папы и мамы… Подключить конечно можно и попробовать так и так, вот только у меня и так проблемы с нагревом, а без датчика будет вторая неисправность. Опять полез в интернет. Минут через 10 нашел нужное фото.
Фото подсказало, что четырехконтактный разъем незадействован, возможно диагностический, а датчик подключен не в этот разъем, а сбоку на плату. Вот такие хитрые разъемы в стиральных машинках. Оказалось, сбоку на плате 4 разъема! Посмотрел на фото, куда подключен разъем, заодно убедился, что разъемы на блоке все-таки разные и подходит только одно гнездо, правое на нижнем фото.
Включаю машину.
Вода есть, дополнительно не подливается, реле ТЭНа не включается, соответственно напряжение на нагреватель не подается. Вышел из строя управляющий транзистор, микросхема контроллера? А почему? Предпосылок не было. Опять идем в интернет. Первый же сайт по запросу как раз о моей проблеме.
И какие ответы?

Матерясь, иду к машине, включаю и минут через 8 наблюдаю включение нагрева!
Оказывается все работает и ничего дополнительно ТЭН не утянул. В очередной раз фирма Siemens (изготовитель блока управления) меня удивила и порадовала надежностью. Прямо на ходу закрепил провода, собрал машину.
Верх люка нагрелся до 81 градуса, когда отключился нагрев.
Больше нагрев не включается, машина стирает в постепенно охлаждающейся воде. За некоторое время до слива добавилось некоторое количество холодной воды, возможно, это программная защита от слива слишком горячей воды в канализацию.
Что понадобилось по минимуму для всего процесса ремонта и без чего не обойтись. В общем-то немного. Мультиметр, пассатижи и китайский набор инструмента. Эндоскоп не в счёт, он был только для удобства и страховки.
Если посчитать все, что скопилось в ремонтной зоне, то без шланга, который я приматывал к пылесосу, кучка получилась немного больше.
Машина перешла в отжим, потребление двигателя выросло.
На весь холостой цикл с выключенным одним полосканием было потрачено два часа и 762 Вт энергии.
А на весь ремонт с поездкой на рынок ушло 9 часов, из них последние полтора часа на ремонт того, что по факту работало.
Смотря утром ролики я в шутку предложил другу заняться на старости лет ремонтом стиральных машин. Все казалось легко, просто и быстро. Вечером я так не думал). Везде нужны знания и опыт.
Утром рассмотрел устройство сгоревшего ТЭНа. За ночь он рассыпался на две части, А ведь перед поездкой на рынок я его обстучал молоточком от накипи, чтобы не везти мусор и он крепенько держался. Трубка нагревателя в сильной коррозии, видно треснула от перегрева и пошло, поехало.
Вот такой получился ремонт, неожиданно долгий, местами непростой, познавательный, интересный.





































