Чтобы не превысить напряжение при зарядке Li-Ion аккумуляторов, выше допустимого порога, необходим балансир. Отдельные секции аккумулятора не идентичны, поэтому критическое напряжение на каждой из секций при зарядке без корректировки, происходит в разное время и часть секций остаются не дозаряженными. В итоге снижается общая ёмкость аккумулятора.
Можно купить китайские BMS 3S 40A, или BMS 4S 40A, но не все модули одинаково полезные, мне попадались такие, которые то балансировали с большим разбросом, то спустя неделю просаживали все аккумуляторы ячейки в ноль.
А тут мне потребовалось просто зарядно-балансировочное устройство на тридцать шесть вольт, поискал на YouTube и нашел не одну схему балансира.
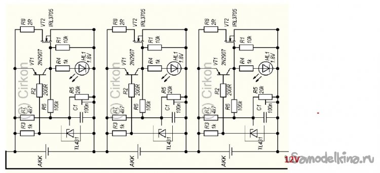
В них применена TL431, из нее, конечно, компаратор, от слова - никакой. Напряжение она сравнивает с опорным легко, а вот четко открыть силовой ключ не может. Мосфет открывается плавно и начинает работать как печь. Вот если TL431 превратить в триггер Шмитта, для этого нужно добавить в схему p-n-p транзистор, то на затворе мосфета сформируется управляющий импульс с очень крутыми фронтами, ключ откроется полностью. При этом он, всегда остаётся холодным. Получится идеальный балансир – относительно точный, достаточно термостабильный, очень простой, с чёткой командой на мосфет.
Для начала решил собрать балансир на три банки, на 12 вольт для солнечной панели восемнадцать вольт, один ампер. Выбранную схему продублировал три раза, все необходимые детали у меня для сборки б/у, да и если все покупать в лавке - копейки.
Ну в общем спаял я все на макетной плате, резисторы нагрузки балансира заменил на автомобильные лампы, при подключении к аккумулятору они как нагрузка имеют где-то по 0,7А, не люблю горячие резисторы.



Кстати, если сравнить размер китайского модуля и то, что я спаял, плата не на много больше китайца, конечно не беря во внимание лампы.

Настроил построечными резисторами порог срабатывания включения светодиодов каждый балансир на четыре и полтора вольта.
Затем из своих запасов выбрал три аккумулятора примерно по 0.1 А, чтобы при зарядке одним ампером они быстро зарядились, спаял последовательно, подключил к плате и начал заряжать. Первым зарядился аккумулятор левой ячейки. Напряжение превысило выставленное и стало сбрасываться на нагрузку балансира, загорелся светодиод. Так как емкость аккумулятора не большая, то спираль лампы не успевала накаляться, напряжение проседало и светодиод переставал светиться.

Спустя время начали срабатывать и другие светодиоды. Напряжение на аккумуляторах выровнялось и перестало подыматься, остановившись на 12.55V. Светодиоды светились постоянно, я думаю напряжение зарядки потекло через открытые мосфеты минуя аккумуляторы.


Далее я спаял аккумуляторы на двенадцать вольт, девять ампер и подключил их к балансиру.



Когда напряжение поднялось до 12.2 вольта аккумуляторы первого балансира вышли на ограничительные 4.16 вольта и лампа зажглась. При этом мосфет вообще не нагревается. Лампа горела пока напряжение на аккумуляторах этого балансира не опустилось до 4.08 вольта.


Напряжение на аккумуляторе спустя время поднялось до 12.3 вольт и включились первый, и второй балансир. Все повторилось как ранее, после сброса излишка напряжения на аккумуляторах до 4.08 и 4.09, лампы потухли.



Через пол часа напряжение на аккумуляторе поднялось до 12.5 вольт. Я замерил напряжение на аккумуляторах всех трех ячеек, оно выровнялось и было одинаковое по 4.16 вольта, которое было мною выставлено при настройках. Все лампы засветились вместе со светодиодами.

Подводя итог можно сказать, простенький самодельный балансир может заменить китайские BMS 3S на стадии заряда Li-Ion аккумуляторов. Кстати, китайские BMSки как балансир, мягко сказать, меня не порадовали. Редко напряжение на всех ячейках было относительно одинаковое после окончания заряда. В основном одна ячейка недобирала 0.2-0.4 вольта, а BMS уже отключилась. Если из трех ячеек одна сборка аккумуляторов не до заряжается, то по окончании заряда, общая емкость аккумуляторной сборки становится меньше.
Закончив экспериментировать с балансиром, нашел коробочку и разместил все спаянные проводочки в ней.



От розетки балансир справился со своей задачей на отлично, осталось теперь задействовать и солнышко. Выбрал четыре панели, замерил напряжение в солнечный день, вышло 18 вольт, 1 ампер. Обтянул их ПВХ и склеил панели в щит. Покрутил его в руках и решил, надо как ни будь собрать механизм, который будет следить и разворачивать панель за солнцем. Да, но это будет другой проект.






А пока солнечные панели закрепил на стекле окна, подключил балансир и аккумуляторы. За три часа, с двенадцати до пятнадцати, пока небо было чистое, аккумуляторы емкостью два ампера зарядились до двенадцати и одной десятой вольта. Жду следующий солнечный день.






