Светодиодный фонарь стабильной яркости свечения с контролем заряда аккумулятора.

Предлагается вариант изготовления светодиодного источника света стабильной яркости свечения в течении цикла разряда, с контролем от переразряда аккумулятора.
Часто используемые способы переделки фонаря на Li-Ion аккумуляторы и светодиоды, включают в себя их установку с дополнением модуля зарядного устройства на TP4056 и их согласование по току и напряжению. Однако, за цикл разряда аккумулятора, напряжение в цепи падает с 4,2В до 3,0В (бывает и хуже до 2,8…2,6В – как сработает защита). Соответственно и ток через светодиоды, следовательно, и яркость падают многократно. Например, при напряжении включения светодиода 2,7В, напряжение на нем за цикл изменится с 1,5В до 0,3В, а ток упадет в 5 раз.
Для выравнивания яркости фонаря предлагается, пополнить такую конструкцию дополнительным элементом – повысить напряжение аккумулятора с небольшим запасом над напряжением включения применяемого светодиода, а затем стабилизировать это напряжение или ток потребления светодиодов.

Предлагаемая конструкция фонаря изготовлена по этому принципу, на базе
- трех типовых светодиодов с линзами для концентрации пучка света;
- Li-Ion аккумулятора 18650 емкостью 2000 mAh;
- универсального модуля J5019 – состоящего из модуля заряда TP4056 для li-ion аккумулятора и повышающего DC-DC преобразователя на микросхеме SDB628;
- комплекта дополнительных радиодеталей согласно нижеприведенной схеме.
В качестве корпуса для изготовления конструкции использован древний фонарик, периодически использованный на даче до настоящего времени, на дисковых аккумуляторах Д-0,26Д выпуска 1989 года. Причиной реинкарнации фонарика стали его частые отключения из-за быстрого окисления механических контактов и последующей их очистки.

Поэтому, первым этапом стала замена контакта включения фонаря, с открытого существующего на закрытый контакт микропереключателя МП-7. В конструкции использован штатный пластмассовый движок включения фонарика и его штатная контактная пластинчатая пружина. У пружины оставлена только боковая часть и выполнен подгиб для фиксации расположения пружины в направляющих корпуса. Микропереключатель установлен между имеющимися стенкой и стойкой в корпусе, с помощью легкосъемной П-образной проволочной вилки в изготовленные сквозные отверстия диаметром 1 мм.


В корпусе удалена часть литых выступов для свободного расположения нового аккумулятора, в донной части корпуса выполнен паз под разъем для подключения зарядного устройства. К сожалению, типовой USB разъем под зарядное от телефона в конструкцию корпуса не вписался, недостаточно места. Придется использовать для зарядки свой шнур.


Для подключения аккумулятора изготовим контактные группы.
Для отрицательного контакта используем типовой пружинный контакт от старого приемника. Выполним выборку для его расположения в пазе донной части корпуса.
Положительный контакт, взятый там же, припаяем к круглой площадке из фольгированного гетинакса. Эта площадка будет дополнительно служить упором для аккумулятора и местом крепления для дополнительной схемы. Площадка будет установлена на штатное место бывшего верхнего дискового аккумулятора. Эти штатные приливы в корпусе оставлены при его доработке (см. фото). Прямоугольный вырез в площадке предназначен для свободного перемещения движка включателя питания и пропуска необходимых проводов.

Универсальный модуль J5019
Этот компактный модуль расположен на единой плате и состоит из модуля зарядного устройства для литиевых батарей на TP4056 (без защиты) и повышающего DC-DC преобразователя для питания разнообразных устройств.
Модуль может заряжать различные типы литиевых аккумуляторов (3,7В) от источника питания 4…7,5В, током до 1А. На плате установлены два цветных светодиода для индикации процесса зарядки и разъем Micro-USB для подключения питания от внешнего источника.
Также модуль включает в себя регулируемый повышающий преобразователь, увеличивающий напряжение подключенной к нему батареи до 27В. Преобразователь построен на микросхеме SDB628 (аналог MT3608). Повышающий преобразователь напряжения используется как экономичный и стабилизированный источник питания.

Характеристики
Входное напряжение: от 4,5 до 8В (более 5,5В не рекомендуется, перегрев)
Выходное напряжение: от 5,2 до 27В (регулируемое)
Напряжение отключения заряда: 4,2В
Ток зарядки: максимум 1А
Максимальный ток на выходе: 1,4A (5В), 0,8A (9В), 0,6A (12В)
Входное напряжение от аккумулятора: от 2,8 до 4,2В
Потребление DC-DC без нагрузки: 100мкА
Защита от перегрузки по току
На плате нет защиты и контроллера разряда
Размер: 33 х 23 мм
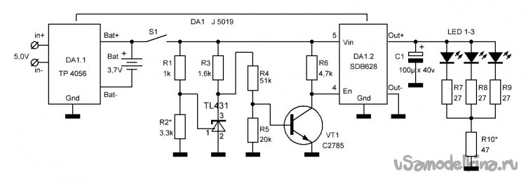
Схема светодиодного фонаря

Схема построена на базе универсального модуля J5019, где блок DA1.1 - модуль контроля заряда на TP4056, к выходу которого постоянно подключен Li-Ion аккумулятор 18650 (Bat). Вторая часть универсального модуля J5019 - DA1.2. Это повышающий DC-DC преобразователь на микросхеме SDB628, к его выходу подключена нагрузка. В данном случае, это три параллельно включенных светодиода на 2,7В с резисторами, устанавливающими ток через каждый светодиод - 15 mA. С помощью подбора резистора R10 можно установить необходимый ток в пределах выходных характеристик. Выходное стабилизированное напряжение модуля, в данном случае, установлено минимальное - 5,2В.
Блок защиты от переразряда аккумулятора
В связи с отсутствием в составе модуля J5019 контроллера разряда, в схему фонаря введен блок защиты от переразряда аккумулятора (ниже 3В).
Он состоит из компаратора на термостабильном прецизионном стабилизаторе TL431 и инвертора на транзисторе VT1.
Изменением резистора R2 добиваемся закрытия стабилизатора TL431, при понижении напряжения на аккумуляторе до заданного (в данном случае 3,1В). При этом транзистор VT1 открывается и соединяет вывод 4 "EN" микросхемы SDB628 с общим проводом. Так на вывод 4 микросхемы подается логический "0", запрещающий работу повышающего DC-DC преобразователя. При открытом стабилизаторе TL431, когда на его управляющем входе 1 напряжение превышает 2,5В, транзистор VT1 закрыт, на выводе 4 логическая "1", преобразователь работает. Таким образом действует внешнее управление микросхемы преобразователя SDB628 (МТ3608).
Приведенная схема блока защиты от переразряда, позволяет резко снизить яркость свечения светодиодов практически до ноля, что служит индикатором разряда и требованием своевременной подзарядки аккумулятора.
В состоянии поставки модуля J5019, выводы 4 и 5 микросхемы соединены и подключены к плюсу аккумулятора, что дает преобразователю постоянную готовность к работе. При необходимости внешнего управления, перерезают перемычку "EN" или выпаивают соединяющий их резистор R0.


Изготовление фонаря
- Недостаток места в корпусе, потребовал удалить с платы модуля USB разъем. Для подключения имеются дополнительные контакты.
- Для включения в схему выключателя питания S1, перерезаем дорожку положительной цепи питания (около контакта Bat +).
- Удаляем резистор R0 соединяющий выводы 4 и 5 микросхемы SDB628 (правый нижний угол платы на фото).

- В зоне расположения лампочки, по диаметру в корпусе фонарика, изготовим круглую платку и распаяем на ней светодиоды с ограничительными резисторами.

- Соберем блок защиты от переразряда аккумулятора. Из-за недостатка места в корпусе, выполним схему на двух платках.
- Инвертор на транзисторе VT1 распаяем на прямоугольной плате и присоединим ее к модулю сбоку.
- Плату компаратора на стабилизаторе TL431 впишем в размеры площадки положительного контакта аккумулятора и винтом присоединим плату к площадке.
- Распаяем все узлы согласно схеме, для установки ее в корпус.







- Напротив расположения светодиодов индикации процесса зарядки на плате модуля, в корпусе фонаря сверлим отверстие диаметром 3 мм. Из оргстекла изготовляем деталь, типа заклепки с прямоугольной головкой. Полируем ее и вклеиваем в отверстие.


- Собираем конструкцию фонаря и проверяем характеристики.







