Продолжаем восстановление радиолы ИЛГА РЭ-302-1С. В погоне за «идеальным» звуком будем делать фонокорректор. Для коррекции необходимо, чтобы фильтр поднял низкие частоты на 20 dB, а высокие частоты опустил на -20 db. По крайней мере, на всех графиках частотной характеристики фильтров фонокоррекции указано именно так.

Весь проект был на минималках, ничего дополнительно не покупалось, обходился запасами. Занялся поисками фонокорректора. Мне казалось, что он у меня где-то есть, снятый с какой-то аппаратуры, возможно даже где-то сохранилась вся электроника от проигрывателя, о котором я рассказывал в первой части. Обыскав закрома, я нашел только одну похожую плату 2000 года, которую делал сам. Очень похожа на фонокорректор. Но точно помню, что не проверял ее работу. Даже некоторые детали впоследствии были выпаяны для других проектов.
По плате нарисовал схему, вроде оно. Нашел недостающие детали.
Запаял в плату все, что не хватало, поменял электролит по питанию и входные конденсаторы.
Установил плату на радиолу. Для временного размещения воспользовался вспененным скотчем из фикспрайса, наклеенным в два слоя. Если заработает, можно все так и оставить, почему нет.
Не заработало. Высоких много, низких мало, звук еле слышен. Не захотелось разбираться, что и почему, и так видно, что вход не согласован, а потом выяснилось, транзистор не в режиме, но не это главное. Такому фонокорректору все равно потребуется дополнительное усиление.
Хотел собрать схему популярного фонокорректора с полевым транзистором на входе. Хотеть мало. В домашнем запасе КП303 не оказалось, а в магазине он стоит какие-то нереальные деньги, которые тратить не хотелось, вдруг корректор не заработает или будет не то, что мне надо.

Поискал типовые схемы фонокорректоров.

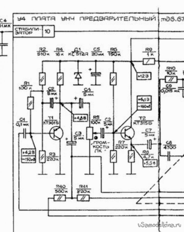
Понравилась простая схема фильтра радиотехники третьего класса.
Вот часть схемы с самим фонокорректором на транзисторе Т1:
Просто и со вкусом. Попробуем собрать? Попробуем! Быстренько сделал разводку на два канала.
Отрезал кусок текстолита, накернил и просверлил отверстия, краской нарисовал дорожки.
Шилом поудалял потеки краски.
Отправляю плату на травление в раствор хлорного железа. Все по старинке, по серьезному, без всякой перикиси, соли и лимонной кислоты.
Плата вытравлена и очищена от краски.
Занялся поиском стабилитрона на 12В. Кучка не большая, нашел достаточно быстро.
Все детали припаяны. Выглядит красиво.
Перед проверкой меняю на ЭПУ два конденсатора по 0,25мкФ на один 1 мкФ.
Проверил, совсем другое дело. С родным конденсатором диск раскручивается самостоятельно. Отлично!
Проверяю новый фонокорректор. Не отлично… Что-то есть, но звук не очень красивый и самое главное очень тихий, даже при максимально выкрученной громкости.
Начал глубже изучать тему. Самое интересное, схем фонокорректоров очень много, но практически все они рассчитаны на магнитные головки, а у меня пьезоэлектрическая. А для пьезоэлектрических головок схемы в основном на лампах. Ну и одна красивая на полевом транзисторе, который я не хочу покупать.
А что я хочу тогда? Хочу собрать схему на операционном усилителе. Операционный усилитель это то, с чем работать просто и понятно. Какие характеристики требуются от фонокорректора? Большое входное сопротивление для пьезоэлектрической гловки, питание от однополярного питания радиолы +15В, чтобы не городить отдельное двухполярное, плюс и минус 15В.
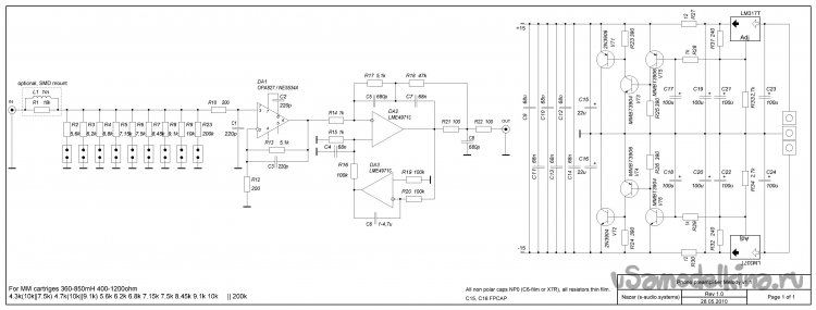
Ищу снова и нахожу на Драйв2 вот такую схему на TL072, сдвоенном малошумящем ОУ с входами на полевых транзисторах.
Причем, если большинство схем используют четыре операционника, по два на канал, то эта схема обходится одним сдвоенным. И однополярное питание меня устраивает. Решено, собираю. Даже решил купить именно этот операционник.
Пока едет из столицы микросхема я делаю плату, благо она есть у автора на сайте, ничего придумывать не надо.

Только надо отзеркалить фото для правильной печати стороны дорожек.

Распечатал, накернил, просверлил, зачистил губкой для посуды. Удобно губкой зачищать.
Перманентным маркером нарисовал дорожки, так будет проще при рисовании краской.
Так как еще прошлый раз нитрокраску очень сильно развел ацетоном, течет она даже через тонкую инсулиновую иглу со свистом. Придется после высыхания опять убирать потеки.
Потеки убраны, отправляю плату на травление.
После травления смываю краску. В некоторых местах надо подрезать дорожки скальпелем.
Дорожки подрезаны, плата облужена.
Пользовался таким флюсом.
Подготовка к пайке. Детали на плате не подписаны, будем так искать, благо их не так и много.
Давно уже лежит у меня набор китайских выводных резисторов. Попробую найти их все там. На фото резисторы, которые высыпались из ленточек. Надо будет их как-нибудь перебрать и рассортировать по пакетикам.
Обнаружил непросверленное отверстие.
Китайских резисторов всех номиналов не было, пришлось искать другие, по всем закромам. Тот же вопрос поиска решал и с конденсаторами. И наконец, плата собрана.
Как по мне, смотрится красиво.
Ничуть не хуже, чем у автора на Драйве.

Подключаю, проверяю. Ну вот, совсем другое дело! Появились низкие частоты, усиление даже больше, чем надо, можно уменьшить. А вот высокие частоты мне не нравятся, какие-то искаженные. И я так понимаю, что виновата в этом криво «отремонтированная» головка звукоснимателя. Оказывается, мало просто подвесить пьезоэлементы, их надо задемпфировать, чтобы они не создавали лишние паразитные колебания. Кто-то для этой цели использует резину, кто-то клей, кто-то силикон. Другие не заморачиваются и покупают китайские аналоги.
Попробовал настроить давление головки на пластинку. Нашел, для такой головки должно быть 6 грамм. Воспользовался весами и листиком бумаги.
Опускаю головку иглой на листик. Сзади на тонарме есть пружина, которой можно отрегулировать вес. Выставляю требуемый вес 6 грамм.
Звук стал немного лучше, но все равно искаженный. Может все же надо купить новую головку, пусть и китайскую? А может купить магнитную головку и переделать тонарм под нее? Пишут, звук намного лучше. Даже нашел, что продают отдельно тонармы. Проблема в том, что у меня есть некоторое количество старых пластинок со скоростью 78 об/мин, котрые я хочу прослушать, возможно сохранить запись. Так вот для них нужна более тупая игла, чем те, которые предназначены для скорости 33 об/мин. Есть самоделкины, которые покупают головку с двумя иглами и ставят туда старую советскую двусторонюю иглу.
Нашел на маркетплейсе недорогую иглу за 22 рубля, заказал для пробы. Вот такая приехала:
Контакты намного тоньше, чем у оригинала, корпус напечатан на 3D принтере, на него приклеена недорогая пьезокерамическая головка с одной съемной иглой. Они, эти иглы, продаются, стоят рублей 7. На барахолке оригинальная двойная игла тоже встречается. Хотят за нее 25-35 рублей, в зависимости от аппетита продающих.
Поставил. Первые ощущения: звук стал намного лучше, нет высокочастотных искажений. Но теперь немного не хватает высоких частот. И надо немного уменьшить усиление, кажется, звук немного перегружен. Надо стать осциллографом, посмотреть, что выходит с фонокорректора и далее. Для этого снимаю ЭПУ с радиолы и ставлю пружинами на импровизированные подставки из баночек.
Радиолу поставил на бок, чтобы было удобнее подлезть шупом осциллографа.
Включаю осциллограф. Выставил чувствительность 100мВ/дел.
Ставлю на ЭПУ пластинку. Первым делом посмотрим, что на входе фонокорректора. Неожиданно там достаточно большой размах сигнала, в пиках до 200мВ.
А что на выходе фонокорректора? Там сигнал просто зашкаливает. Входной делитель стоит на 5В/дел.
Теперь понятны искажения звука. И сразу возникла мысль проверить, как будет звучать новая игла, подключеная напрямую ко входу радиолы. Грею паяльник, отключаю плату фонокорректора, подключаю без него. Проверка меня очень обрадовала. Звук чистый, красивый, громкий, без искажений, совсем не такой, как на родной головке. Немного не хватает высоких частот, но все же это радиола третьего класса. Но звучит хорошо, даже очень хорошо! На радостях достал пару пластинок, послушал несколько песен с удовольствием.
Получается, я сделал фонокорректор для магнитной головки, а не для пьезоэлектрической. Ну, что же, это тоже хорошо, если соберусь купить магнитную головку, то фонокорректор у меня уже есть.
Разобрался с источником низкочастотного гула, при включении двигателя ЭПУ. Это сам двигатель наводит низкочастотную помеху на тракт усилителя. Стоит немного приподнять ЭПУ, гул сразу уменьшается. Надо экранировать двигатель или усилитель. Думаю, двигатель проще экранировать, отрезать кусок листового алюминия и закрыть им низ двигателя, с учетом вентиляции. Но об этом уже в заключительной части.


































































