Ничего не найдено :(
    В гостях у Самоделкина! » Форум » Идеи самоделок » Курилка-кофейня. Общая ветка для общения #1

    Курилка-кофейня. Общая ветка для общения #1

    Dmitrij

    Ветка для обсуждения самоделок, общения, размышлений и прочего. Курить я не курю, но кофе пью, поэтому буду сюда заглядывать yahoo ok

    Здесь можно болтать о разном, что не противоречит правилам сайта, а также задавать вопросы по работе с сайтом и не только.


    Ветка перенесена:

    Ссылка на вторую ветку

    Древовидные комментарии
    Древовидным комментариям быть? (система ответов на комментарии)
    Всего проголосовало: 18
    9 264 ответа
    Информация
    Возможность комментирования данной публикации было отключено.
    R555 #51931
    Феодор,
    Пока отвечу по поводу  изготовления трансформатора, про остальные моменты позже.

    Из представленных на фото материалов рекомендую выбрать Ш-образный ферритовый магнитопровод с наибольшим размером (из тех, что на снимке). Проще мотать или перемотать, если что-то не так получилось. Челнок не нужен для этого, как если бы мотать на кольце. Про тонкие диэлектрические прокладки (зазор) не забывай при сборке такого сердечника.

    Кто не ошибается, тот не делает ничего.
    Феодор #51926
    Цитата: R555
    Не, не будет. Даже если исправить аж 3 ошибки в схеме. А их там более десятка, что я вижу своим беглым взглядом. 
    А вот с этого места можно поподробнее? В чём они заключаются, как исправить без дефицитных деталей и прочее?

    Цитата: R555
    Хочу дать дружеский совет. Сейчас многие бравируют своей грамотностью в части знания законов.
    Специально не изучал, много не знаю. Но если покупатель/клиент чем-то не доволен, то проще будет исправить причину его недовольства бесплатно. И волки сыты, и овцы целы.
    R555 #51925
    Феодор,
    Работать будет? Какие номиналы 
    Не, не будет. Даже если исправить аж 3 ошибки в схеме. А их там более десятка, что я вижу своим беглым взглядом. 

    А по поводу материалов для изготовления трансформатора своё мнение напишу немного позже...
    Кто не ошибается, тот не делает ничего.
    R555 #51924
    Korolev:Постарайтесь очень аккуратно, и для начала не лишним будет изучить законодательную базу. Феодор:По закону никуда не влипаем. Всё в пределах закона. По крайней мере пока что.

    Хочу дать дружеский совет. Сейчас многие бравируют своей грамотностью в части знания законов. А вот некоторые недовольные покупатели/клиенты могут разобраться прямо на месте безо всяких законов. У меня лично уже до 6 таких эпизодов было с начала 90-х. Когда "братва" ко мне приезжала. Их 2-3, а я один. И вопрос стоял остро, либо они меня завалят, либо я их, а потом...
    Кто не ошибается, тот не делает ничего.
    Феодор #51923
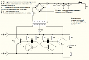
    Работать будет? Какие номиналы конденсаторов и резисторов надо поставить для большей эффективности? Какой и из чего трансформатор делать? Есть вот такой богатый выбор сердечников и катушек:
    Korolev #51922
    Феодор,
    По закону никуда не влипаем
    Ну, дай Бог удачи! 
    Феодор #51921
    Цитата: Korolev
    Постарайтесь очень аккуратно, и для начала не лишним будет изучить законодательную базу
    По закону никуда не влипаем. Всё в пределах закона.  thank_you yes   По крайней мере пока что.
    R555 #51913
    Валерий,
    НЕТ человека, которому было бы не интересно побродить по свалке!!!Если кто-то брезгливо это отрицает - он врёт в силу своих комплексов!!
    Не знаю как сейчас, но лет 5 назад был достаточно прибыльным такой бизнес. Состоятельных людей по их заказу переодевали в лохмотья бомжей и под присмотром переодетой охраны (ну чтоб там случайно не убили, не покалечили, не изнасиловали и прочее))) отвозили на свалку где-нибудь за городом. Чтобы, так сказать, они попробовали эту сторону жизни, экстрим, так сказать...Также нищими, попрошайками наряжали, чтобы побирались в подземных переходах. А там своя мафия, тоже охрана требовалась. Короче, такие "услуги" стоили очень недёшево. Были даже случаи, когда бизнесмены нанимали за большие деньги людей, чтобы их как следует избили. А то, понимаешь, уже нет остроты ощущений. Больно, но без последствий для жизни, здоровья. Слышал не из СМИ, а от некоторых участников этого. fool  
    Кто не ошибается, тот не делает ничего.
    Валерий #51911
    Цитата: ino53
    Ой-ой! ... ... ... Что то функция "Вставка скрытого текста" не работает, а в открытую такие тексты писать остатки совести не позволяют

    А я не знаю, как оно сформировалось, но иногда, когда особо достанет, выкрикиваю длинную тираду,которую и написать можно... Звучит она так
    "Тва-а-аю душу, царя, султана, дивизиии, премьер-министра Шеварнадзе мать!!!"
    Повторю, не знаю, как и когда сформировалась именно такая фраза, и почему поминаю Амбросьевича, но пользуюсь ею очень давно... Десятки лет... Причём, спонтанно вылетает.. Не осознанно...))))))

    Цитата: pogranec
    Сколько мы там разных интересных вещей находили.

    Я в молодости очень увлекался психологией... Так вот... НЕТ человека, которому было бы не интересно побродить по свалке!!!Если кто-то брезгливо это отрицает - он врёт в силу своих комплексов!!
    Але нови ностра алис!
    pogranec #51909
    И я не стыжусь, что в те годы, действительно, собирал детали по свалкам, помойкам.  
    Советская свалка, это Свалка с большой буквы. Сколько мы там разных интересных вещей находили. От грамофонов до пороха, от рога для дымовух до предохранителей с местной подстанции. Один раз нашли кучу утят.Вывезли с местной инкубаторной станции яйца.видно посчитали что сроки вышли, а они полежали и давай лупиться.
    А на железную дорогу ходили собирать пробки. Фанта, пепси, есентуки.... Шарики стеклянные для металлургического завода,сера

    Korolev #51908
    ino53,
    Ой-ой! ... ... ...
    Да ладно, я же не претендую на гениальность, а только на талант!  smile 
    R555 #51907
    Феодор,
    Ускоритель, как по мне, вещь прикольная, но опасная в правильном исполнении. Пока не собирал нормального экземпляра, но потихоньку работаю.
    Да, и ознакомься как сложилась судьба Дэвида Хана (США). 1976-2016 гг. 39 лет прожил всего. Прославился тем, что в свои 17 лет собрал нерабочий, но опасный ядерный реактор в сарае возле своего дома. Добывал Торий, Амерций из калильных сеток газовых фонарей, датчиков дыма. Толковый парень, мог бы стать выдающимся учёным-ядерщиком...Хотел создать размножитель ядерного горючего. Даже после того, как его арестовали, радиоактивные отходы захоронили, он отслужил в армии, но попал под надзор за возобновившиеся опыты и...
    Кто не ошибается, тот не делает ничего.
    Korolev #51906
    Феодор,
    Лучше и не узнавать. А то и так много знаю 
    Лишних знаний не бывает, а служба в армии здорово обогатит твой багаж знаний, особенно в некоторых, весьма специфичных аспектах. Подрабатывал (калымил) сам. smile 
    Сейчас создаём с ним аккуратную базу для входа на рынок труда. 
    Постарайтесь очень аккуратно, и для начала не лишним будет изучить законодательную базу. 
    ino53 #51904
    Цитата: Korolev
    Это ты ещё не знаешь моих лингвистических талантов в области ненормативной лексики!   

    Ой-ой! ... ... ...
    Что то функция "Вставка скрытого текста" не работает, а в открытую такие тексты писать остатки совести не позволяют dontknow

    R555 #51903
    Korolev,
    на свалки ездил в поисках радиодеталей. Но подрабатывать на ремонтах начал в 7-м классе. 

    Да уж, мы с тобой люди той советской эпохи. И я не стыжусь, что в те годы, действительно, собирал детали по свалкам, помойкам. Вспомнился эпизод из фильма "Приключения Электроника". Мама, папа мы познакомились с ним на помойке, вернее на свалке... xaxa Зато свои первые деньги, как сейчас помню 3 рубля, я получил за ремонт лампового чёрно-белого телевизора у соседки-бабули ещё когда учился в 3-м классе. Ну а дальше понеслось... Школу забросил почти, мол зачем посещать уроки, типа всё и так знаю... 
    Кто не ошибается, тот не делает ничего.
    Феодор #51902
    Цитата: Korolev
    Это ты ещё не знаешь моих лингвистических талантов в области ненормативной лексики!  smile  
    Лучше и не узнавать. А то и так много знаю. boss 
    Цитата: Korolev
    Но подрабатывать на ремонтах начал в 7-м классе. 
    Подрабатывали сами, или у кого-то работали? У моего одноклассника просто недавно идея появилась, своеобразный бизнес открыть. По изделиям из металлов и дерева, ремонту всякого барахлишка и пр. Говорит мне:"Я впариватьпродавать умею, а ты руками много делать умеешь." Сейчас создаём с ним аккуратную базу для входа на рынок труда.
    Korolev #51901
    Феодор,
    Ну что ж, как есть
    Да я тоже, в своё время, за город на свалки ездил в поисках радиодеталей. Но подрабатывать на ремонтах начал в 7-м классе. 

    Феодор,
    Раз пишите и читаете свободно
    Это ты ещё не знаешь моих лингвистических талантов в области ненормативной лексики!  smile  
    Феодор #51900
    Цитата: Korolev
    Да у меня и с русским-то проблемы ...  smile 
    Не думаю что эти проблемы существенны. Раз пишите и читаете свободно, то этого вполне достаточно для простого человека.
    Korolev #51899
    R555,
    А на арабском не пробовал подобным способом читать тексты? 
    Да у меня и с русским-то проблемы ...  smile 
    R555 #51894
    Korolev,
    Интересно, а как читаю я, перед сном, лёжа на боку, а книга стоит на прикроватной тумбочке в подставке для книг (для школьников, сидящих за столом)???
    А на арабском не пробовал подобным способом читать тексты? Это ещё сложнее, учитывая их направление письма.  xaxa  xaxa  smoke  friends 
    Кто не ошибается, тот не делает ничего.
    Феодор #51893
    Цитата: Korolev
    Да уж, тебе не позавидуешь ...  
    Ну что ж, как есть.
    Цитата: Korolev
    Насчёт дальнобойности диодов я не сомневаюсь ... тестировал на исправность  
    А вот это - правильный подход!  smile  
    Угу. Если бы не делал проверку, то вёз бы лишний хлам в надежде использовать его весь, а после приезда разочаровался. Там столько дохлых было!
    Хотелось бы узнать побольше по драйверу к светодиодам. И, если это возможно в целом, сразу указывайте, откуда можно взять микросхемы.
    Pronin #51891
    Есть правила (физиология-гигиена) как читать текст и графику.
    Помнитца проводили опыты пытливые медики-экспериментаторы на студентах-добровольцах. Наша оптика (в глазах) подает перевернутое изображение... А если в дополнительных "очках" подать уже перевернутое изображение. Оказалось сначало трудно воспринимать-ориентироваться шо все наоборот. Но, потом мозг адаптируется (дважды переворачивает изображение), но устает и тд. Хуже оказалось, когда сняли эти доп.очки. Нарушения аккомодации, головные боли и тд неприятности. И это у молодого организьма. 

    Korolev #51890
    Феодор,
    По вертикали относительно земли, или по горизонтали относительно вашей головы.
    Не всё так просто, строчки книги расположены горизонтально, глаза на вертикали, мозг сходит с ума! Ведь именно наш мозг конвертирует чёрные закорючки на белом фоне в мысли, а его с детства приучили к правильному расположению этих самых закорючек относительно глаз. 
    Насчёт дальнобойности диодов я не сомневаюсь ... тестировал на исправность  
    А вот это - правильный подход!  smile
    Было б, на что покупать
    Да уж, тебе не позавидуешь ...  
    Феодор #51887
    Цитата: Korolev
    Интересно, а как читаю я, перед сном, лёжа на боку, а книга стоит на прикроватной тумбочке в подставке для книг (для школьников, сидящих за столом)???  scratch 
    По вертикали относительно земли, или по горизонтали относительно вашей головы.
    Цитата: Korolev
    Феодор,
    Проще купить недорогой фонарик с регулировкой фокусировки, и проработать схему его питания.

    Было б, на что покупать.
    Насчёт дальнобойности диодов я не сомневаюсь. Доставал их в деревне, там же тестировал на исправность. Так вот ночью световой поток от матрицы на 6 диодов доставал до верхней части водонапорной вышки.
    Korolev #51886
    Феодор,
    курсы скорочтения, "по диагонали" ... Я читаю "по вертикали"
    Интересно, а как читаю я, перед сном, лёжа на боку, а книга стоит на прикроватной тумбочке в подставке для книг (для школьников, сидящих за столом)???  scratch 
    Korolev #51884
    Феодор,
    Эту микросхему можно питать от аккумулятора, сколько минимальное питающее напряжение?  
    Посмотри по ссылке, может поможет: "https://static.chipdip.ru/lib/968/DOC003968684.pdf". А вообще-то я полностью согласен с ino53, не самое правильное решение, приспосабливать для велофары специализированные детали, для этого не предназначенные. Ведь и светики из лампочки тоже не очень "дальнобойные". Проще купить недорогой фонарик с регулировкой фокусировки, и проработать схему его питания. Например такой: 
    Фонарик Garin Lux HL6 ... от 144  до 154 р  
    Или такой: 
    Фонарик Perfeo LT-006 ... от 190 р
     


    Феодор #51883
    Цитата: ino53
    Пардон, сударь, чем Вы недовольны?
    Большим количеством времени, которое потерял на поиск такой простой неисправности.
    Но в общем результатом я доволен.
    ino53 #51881
    Цитата: Феодор
    предложите, в ваших знаниях я не сомневаюсь после пресловутого электрошокера.

    Пардон, сударь, чем Вы недовольны?
    Феодор #51879
    Цитата: ino53
    Были в свое время курсы скорочтения, "по диагонали". Долго потом люди переучивались читать нормально. not_i
    Я читаю "по вертикали". Не вижу смысла читать невесть как, можно пропустить самое важное, весь смысл текста.
    Цитата: ino53
    Зачем она вообще на велосипеде, это ВВ микросхема...
    Все драйверы для светодиодов видел только на специализированных микросхемах. Ну или плохо искал.
    Но всё равно для тех схем, которые находил, детали найти на помойке не так уж легко.
    Цитата: ino53
    ...тут нужна другая схемотехника.
    Уж предложите, в ваших знаниях я не сомневаюсь после пресловутого электрошокера.
    ino53 #51876
    Цитата: Феодор
    читаю я очень быстро. Не до конца понимаю написанное.
    Были в свое время курсы скорочтения, "по диагонали". Долго потом люди переучивались читать нормально. not_i А вообще то:
    Оказывается, если переменить очередность букв в русском слове, но оставить на месте первую и последнюю, то всякий русскоговорящий спокойно может прочесть его! 

    По рзелульаттам илссеовадний одонго анлигйсокго унвиертисета, не иеемт занчнеия, в кокам пряокде рсапожолены бкувы в солве.
    Галвоне, чотбы преавя и пслоендяя бквуы блыи на мсете. 
    Осатьлыне бкувы мгоут селдовтаь в плоонм бсепордяке, все-рвано ткест чтаитсея без побрелм.
    Пичрионй эгото ялвятеся то, что мы не чиатем кдаужю бкуву по отдльенотси, а все солво цликеом. 

    Видите? Все понятно, хоть и буквы перемешались.

    Цитата: Феодор
    Эту микросхему можно питать от аккумулятора, сколько минимальное питающее напряжение?

    Зачем она вообще на велосипеде, это ВВ микросхема, тут нужна другая схемотехника.

    Привет, Гость!


    Зарегистрируйтесь

    Или войдите на сайт, если уже зарегистрированы...

    Войти

    Добавьте самоделку

    Добавьте тему

    Онлайн чат

    Последние ответы

    Все ответы