Ничего не найдено :(
    В гостях у Самоделкина! » Форум » Идеи самоделок » Курилка-кофейня. Общая ветка для общения #1

    Курилка-кофейня. Общая ветка для общения #1

    Dmitrij

    Ветка для обсуждения самоделок, общения, размышлений и прочего. Курить я не курю, но кофе пью, поэтому буду сюда заглядывать yahoo ok

    Здесь можно болтать о разном, что не противоречит правилам сайта, а также задавать вопросы по работе с сайтом и не только.


    Ветка перенесена:

    Ссылка на вторую ветку

    Древовидные комментарии
    Древовидным комментариям быть? (система ответов на комментарии)
    Всего проголосовало: 18
    9 264 ответа
    Информация
    Возможность комментирования данной публикации было отключено.
    Pronin #77579

    По фото плоховато видно, но тоже кажется на элкетролит в левом углу...

    И другие платки откл. (кроме процессорной, тк обратная связь -управление там обычно)

    Dmitrij #77578 Автор

    Это дутик, или мне кажется?

    «Марти! Думать нужно в четырех измерениях...»
    Феодор_2 #77577
    поуль рамже,много ли за это барахло дадут?.. Как по мне - никому оно даром не сдалось.
    Феодор_2 #77576
    Pronin,уже отключал. Ничего не поменялось, всё та же реакция.


    Pronin #77575

    Уже говорил, надо откл. от источника питания блок ламп... 

    Откл. от источника, что не имеет обратной связи (смотреть по схеме).

    И вкл. - см. когда светодиод-индикатор не погаснет. Потом подкл.платы(с выкл. вилкой 220в)

    Dmitrij #77574 Автор
    Феодор_2,

    проверяй напряжения тут... но все это дело опасная херня, ну тебя это все равно не остановит. Рядом то похоже стоят на радиаторе стабилизаторы напряжения, у меня так стояли точно в старом музыкальном центре.

    Там должны быть надписи, где сколько должно быть

    «Марти! Думать нужно в четырех измерениях...»
    поуль рамже #77573
    Феодор_2,


    Поздравляю, сдашь цветной металл и поправишь свое финансовое положение. 

    Лови тему.

    собираешь самоделку:  подводная камера для рыбалки, ружье для подводной охоты, шест 4-6 метров, дистанционный спуск гарпуна

    Приходишь на водоем, погружаешь это и выбираешь что будешь варить на обед. 

    dance2  А то нашел на помойке телик и озадачил свободные светлые головы.  punish 

    Феодор_2 #77571

    блок запитки ламп и основной блок питания


    Феодор_2 #77570

    и ещё фото

    Dmitrij #77568 Автор
    Феодор_2,


    проверь все диоды, должны звониться в одном направлении 

    «Марти! Думать нужно в четырех измерениях...»
    Феодор_2 #77567

    и ещё фото

    Феодор_2 #77566

    и ещё фото

    Феодор_2 #77565

    ещё фото

    Феодор_2 #77564

    Фото кишков телевизора.

    ino53 #77558

    Из интернета...

    Korolev #77546
    Валерий,
    Вспомнился старый анекдот...

    Тоже вспомнил старый, бородатый: жених перед свадьбой покрасил зелёнкой. Наутро невеста: "Ой, Вась, а чё это они у тебя зелёные?" Он ей хрясь по морде: "А ты что, сцука, другие видела?"!  xaxa 

    Валерий #77540
    Цитата: gadkiyy-gnom
    секретная раскраска пасхальных яиц.  


    Все изложенные способы помогают покрасить только в синий. Классический способ - одно дверями, второе - кипятком. Тогда синий и красный.

    П.С. Вспомнился старый анекдот...

    Профосмотр. Пациент на приёме у терапевта. Врач смотрит в карту, и просит снять брюки. После чего мажет левое йодом, что-то записывает в карточку и посылает пациента в процедурный кабинет. На вопросы пациента, что случилось и чем он болен, не отвечает.

     В процедурном  врач внимательно читает и... тоже просит спустить брюки. После чего мажет правое зелёнкой, тоже делает запись в карточку и посылает обратно к терапевту.

    Выйдя, пациент в недоумении.. В коридоре останавливается и читает карту. Две последних записи:

    "Христос Воскресе, Иван Фёдорович!" "Воистину воскресе, Пётр Иванович!"

    xaxa

    Але нови ностра алис!
    ino53 #77539
    Цитата: Феодор_2
    вот в хорошем качестве.

    Лучше. Ну, Королеву работа... pardon 


    Феодор_2 #77537

    Пардон, вот в хорошем качестве.

    ino53 #77535
    Цитата: Феодор_2
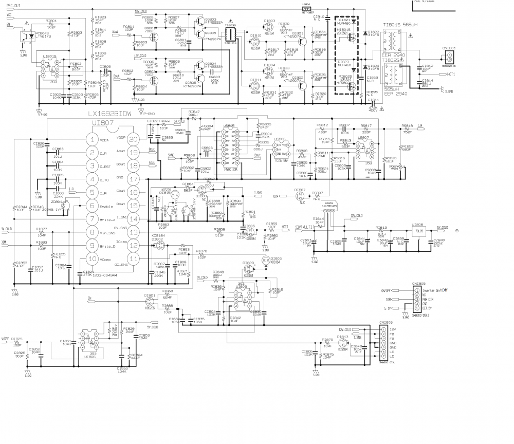
    Korolev, предоставляю вам схему.

    У меня не читается. Обрежь вот так и еще раз перешли. 


    Феодор_2 #77534
    Korolev, предоставляю вам схему. Фотографии до завтра ждите.
    gadkiyy-gnom #77532

    секретная раскраска пасхальных яиц.  yahoo 

    С наступающим праздником  dance2 

    Феодор_2 #77523
    Dmitrij,сегодня-завтра отправлю.
    Феодор_2 #77522
    pitiunt,не стану спорить. Поэтому я и спрашиваю здесь.
    Dmitrij #77509 Автор
    Феодор_2,


    давай нам детальные фотки платы питания с обеих сторон, наши зоркие спецы найдут где там че похерилось 

    Если дутых и потекших кандеров нет, то скорее всего диоды. 

    «Марти! Думать нужно в четырех измерениях...»
    Alex K. DIY #77505
    Цитата: Феодор_2
    Красная лампочка гаснет и снова включается. Матрица целая. Телевизор Samsung LE40A556P5F.


    Проверь конденсаторы на плате!

    Alex K. DIY
    pitiunt #77504
    Феодор_2,


    Зайдите на тематический форум посвящённый ремонту телевизоров. Судя по вашим комментариям вы не владеете даже начальным уровнем знаний.
    Почитайте например вот это https://tel-spb.ru/tv/samsung-le40a556p1f

    Korolev #77483

    Или у меня крыша съехала, или попал в "день сурка"!!!

    severynin  Вчера, 13:07 Обнаружил у себя целых три двигателя от стиралок. Давно мечтал сделать наждак  ... severynin Сегодня, 15:51 Обнаружил у себя три двигателя от стиралок, а давно мечтал сделать наждак 

    Товарищ просит помощи, но не в состоянии осмыслить даже наши ответы (вопросы к нему), печалька ... dontknow  

    Korolev #77481
    Феодор_2,
    БП вроде работает, свист издаётся со стороны кнопки включения

    Попробуй отключить защиту БП, ногу SCP микрухи - на общий. 

    Феодор_2 #77473
    Korolev,схему нашёл, но она какая-то сложная. БП вроде работает, свист издаётся со стороны кнопки включения. Ещё раз всё внимательно проверил на наличие неисправностей (визуально, другого способа не имею), ничего не обнаружил.

    Привет, Гость!


    Зарегистрируйтесь

    Или войдите на сайт, если уже зарегистрированы...

    Войти

    Добавьте самоделку

    Добавьте тему

    Онлайн чат

    Последние ответы

    Все ответы