
Предусили́тель-корре́ктор, или усилитель-корректор, или фо́нокорре́ктор — специализированный электронный усилитель тракта воспроизведения механической записи, восстанавливающий исходный спектр записанного на пластинке звукового сигнала и усиливающий выходное напряжение головки звукоснимателя до типичного уровня линейного выхода— от 0,775 В (0 dBu) в бытовой аналоговой аппаратуре до 2 В (8 dBu) в цифровой и радиотрансляционной аппаратуре.
Поясню про «восстанавливающий исходный спектр». Дело в том, что система механической записи звука – резцом на лаковую пленку металлического диска, имеет несколько трудно устранимых резонансов, два из которых находятся внутри диапазона частот, воспроизводимого обычной аппаратурой широкого использования. Речь идет о частотах 500 и 2120Гц (им соответствуют постоянные времени 3180 и 318 мкс.). Наиболее простым способом борьбы с ними (резонансами), оказалось вырезание участков частот, с восстановлением их в устройстве воспроизведения специальными «корректирующими» цепями. Вот потому и «корректор».
Устройства, для высококачественного воспроизведения грамзаписи, довольно сложные и капризные устройства – распространенные «высоковольтные» головки с подвижным магнитом, обеспечивают амплитуду сигнала в 5мВ на частоте 1кГц, который придется усилить до 0,15…2В, не допустив самовозбуждения в усилительных каскадах. Кроме того, при работе со столь невеликими сигналами, в полный рост встает проблема «микрофонного эффекта», особенно в случае применения электронно-вакуумных приборов. Существует также, еще одна трудность – шумы и наводки. При тех же условиях – вакуумные приборы, большой коэффициент усиления, низкие входные напряжения сравнимые с микрофонными. Частично, проблему удается решить выбором электрических режимов каскадов, частично конструктивными мерами. Конструктивное исполнение усилителя-корректора в деревянном открытом корпусе, в том числе и без экранирования ламп, позволяют убедиться, что и «электрических» мер было довольно вполне – шум можно услышать только сунув ухо в акустическую систему.
Исходная схема усилителя-корректора «Гусь-Хрустальный», разработана, кем бы вы думали - «одесскими лаборантами» Евгением Бабиченко и Игорем Гапоновым [1] и выполнена на 6Г2. Выбор компонентов и режимов схемы, описан в предыдущих частях, рекомендую ознакомиться и с ними, заодно вкусите одесского юмора, математические и электрические выкладки языком Исаака Бабеля и Михаила Жванецкого, это нечто. Вы будете так смеяться – я вам, таки, завидую.
Существует также работа [2], где этот винилкорректор, при участии авторов пересчитан на лампы 6Н9 – похожие триоды, только по две штуки в одном стеклянном баллоне, (6Г2 в железном). Такое же высокое внутреннее сопротивление и большой коэффициент усиления, почему нет?
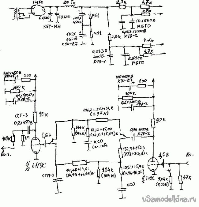
Схема принципиальная «Гуся-Хрустального» на 6Н9С, спасибо Владимиру Сёмину. От авторской схемы, мое исполнение отличается отсутствием «традиционной» части цепи коррекции – мне не для опытов, а для музыки. Кроме того, кенотронный выпрямитель с дросселем, заменен на диодный мост со стабилизатором на высоковольтном полевом транзисторе. Блок питания, выполнен в отдельном выносном блоке и будет рассмотрен отдельно.
Отсутствие переключения, существенно упрощает схему – исключается переключатель в сигнальной цепи, который должен был бы быть изрядного качества или набор реле в герметичном корпусе с хорошими контактами, допускающими коммутацию очень малых сигналов. Кроме того, опускается часть «точных» элементов – в цепях коррекции, должны быть компоненты не соответствующие стандартному ряду, которые должны быть подобраны с высокой точностью, что обычно, представляет некоторое затруднение.
Что было использовано в работе.
Инструменты, приборы, оборудование.
Набор инструментов для электромонтажа. Паяльник небольшой мощности – 25…40Вт, для обычного монтажа, паяльник 65…100Вт, для монтажа массивных выводов, пучков проводов, шин. Принадлежности к паяльникам. Мультиметр, а лучше два с принадлежностями. Пользовался простейшим осциллографом, но можно и обойтись. Для точного измерения величин сопротивлений и емкостей частотозадающих элементов, потребовался доступ к измерительному мосту типа Е7. Для подбора элементов «коррекции на природной индуктивности головки» см. [1] понадобится генератор сигналов звукового диапазона, вольтметр (милливольтметр) переменного тока. Набор мелкого слесарного и столярного инструмента. Для вырезания заготовок корпуса из толстой фанеры, пользовался маленькой самодельной циркулярной пилой. Пригодилась электрическая дрель со сверлами, электрический же, лобзик. Пистолет для термоклея. Фен строительный или специальный для работы с термотрубками.
Материалы.
Кроме радиоэлементов, понадобился кусок не тонкой фанеры для корпуса. Сверло Форстера. Монтажный провод, провод большого сечения с моножилой, для «общего провода». Контактные площадки, нейлоновые стяжки. Термоклей, силиконовый и акриловый герметик, липкая бумажная лента, термотрубки. Липкая изоляционная лента, перфорированная стальная лента для крепежа крупных элементов. Перманентный маркер для «технологических» подписей. Клей эпоксидный. Припой безсвинцовый, припой низкотемпературный «индиевый» для пайки выводов к «часовым» гальваническим элементам. Для «стенда» подборки элементов «коррекции на природной индуктивности головки» см. [1] , пригодился кусок монтажной платы.

«Точных» радиоэлементов из цепей коррекции, накупил по нескольку десятков близких номиналов из стандартного ряда 10% точности. Засел за измерительный мост и перемерял их, надписывая точный номинал до третьего знака после запятой, на липких ярлычках. Потом, подбирал из них ближайшие, некоторые номиналы удобнее было составить из двух.

Верхняя панель корпуса – шасси. На нем, собственно весь монтаж. Выпилил из толстой – 15мм, фанеры. Насверлил отверстий для установочных элементов и крепежа. Отверстия для ламповых панелек под октальные цоколи высверлил перовым сверлом по дереву, для сигнальных гнезд, обычным спиральным, уменьшив предварительно толщину панели сверлом Форстера. Прямоугольный проёмчик – результат какой-то ошибки, решил панель не переделывать, а закрыть накладкой из тонкой фанерки, оно и неплохо – сразу видно где вход и где выход.

Для цилиндриков электролитических конденсаторов, высверлил глухие отверстия на ¾ глубины, вклеил конденсаторы термоклеем, ориентировав их так, чтобы выводы шли к точке соединений по кратчайшему пути. Ламповые панельки вклеил эпоксидным клеем, предварительно, хорошенько зачистив грубой шкуркой склеиваемые поверхности. Над надписью в синей термотрубке часовые батарейки смещения входных каскадов. Если поискать можно найти и вторую пару. Желтые свитые провода – накал. Дополнительные точки для монтажа организованы специальными монтажными лепестками в изоляторе с дырочкой.

Следующий уровень монтажа – шина «общего провода», проводники питания, остальные элементы. Монтаж выполнен преимущественно собственными выводами элементов. Единственный недостаток данной конструкции – ремонтопригодность, которая, прямо скажем, не на высоте. До батареек добраться, можно вполне. Впрочем, это вообще, свойственно, объемному монтажу.

Интересно было поскорее послушать – что получилось. После основной части монтажа, панель «поставлена» на две подходящие дощечки, чтобы не повредить монтаж, со стабилизатором анодного напряжения и накала, соединил «на живую нитку».

«Стенд» для подбора величин элементов цепи «коррекции по входу на природной индуктивности головки звукоснимателя» [1]. Из кусочка тонкого фольгированного пластика, организован экран звукоснимателя.

Доводка конструкции – блокировочные бумажные емкости по углам, корпус, «ножки» с виброразвязкой из толстого слоя мягкого силиконового герметика. Разъем питания 2РМГ, заземленная «искусственная средняя точка» из резисторов по 100 Ом на питании накалов. Клемма «общего провода», всенепременно. Без соединения ее с коллегой на проигрывателе, сильный фон. Тяжелые конденсаторы, вляпаны на акриловый герметик и зафиксированы отрезками оцинкованной перфорированной ленты.

В целом, винил-корректор понравился. К недостаткам, можно отнести, относительно невысокое усиление и необходимость довольно муторной процедуры подбора резистора, к конкретному экземпляру звукоснимателя. С другой стороны, звукосниматели мы меняем не так уж часто и вполне можно потерпеть. Недостаточность усиления, связана, прежде всего, с относительно низкой чувствительностью моего однокаскадного усилителя мощности. Качеством звука, удовлетворен полностью – грампластинки через него, играют великолепно.
Используемая литература.
1. Усилители RIAA – коррекции на вакуумных триодах для «скоростных» (электродинамических) звукоснимателей. Евгений Бабиченко,
Игорь Гапонов. 2004г. (Часть 1…6).
2. Предусилитель-корректор RIAA "Гусь-Хрустальный". Владимир Сёмин 2004г.
Становитесь автором сайта, публикуйте собственные статьи, описания самоделок с оплатой за текст. Подробнее здесь.



