
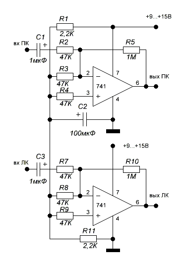
Микросхема LM741, отечественным аналогом, которого является К140УД7 не требует частотной коррекции. Имеет защиту от короткого замыкания. Качественные рабочие характеристики микросхемы обеспечивают ее широкое использование. Микросхема LM741 является одноканальным усилителем. Нормальный режим работы усилителя – это режим работы с обратной связью. В нем используется отрицательная обратная связь, что уменьшает общее усиление усилителя, но обеспечивает хорошую стабильность.

Стоимость: ~7 

 
                     
                    