Бывает необходимо сигнал от микрофона передать без помех на большое расстояние, используя неэкранированный недорогой провод.
Я разработал и изготовил большое количество микрофонов с усилителем на одной плате. Эти изделия хорошо зарекомендовали себя в работе.
По двух проводной линии недорогого провода типа «лапша» и подобных, мне удавалось передавать качественный звук на расстояние до 1 км. При этом устройство запитывалось по этому же проводу. Часто использовались кем – тот ранее проложенные провода телефонных линий, линий сигнализации, которые уже не были нужны.
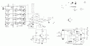
Принципиальная схема.
Описание схемы.
Напряжение питания от источника через линию и диод защиты от переплюсовки VD1 поступает на коллектор выходного транзистора VT1, экономичный операционный усилитель DA1 и электретный микрофон.
В плюсовой провод питания включён фильтр R7C3, он нужен для правильной работы микрофона и операционного усилителя. Выходной транзистор, являющийся усилителем тока, включён до фильтра. Таким образом удаётся разделить звуковой сигнал и питание, подаваемые по одним и тем же проводам.
Электретный микрофон запитан стандартно, через резистор R1. С него сигнал подаётся на неинвертирующий вход операционного усилителя через разделительный конденсатор C1. Этот конденсатор слегка ослабляет возможные сетевые наводки. Плата в металлическом экранирующем корпусе не нуждается. Часто ставили в любую подходящую пластмассовую коробку, типа тех, которые применяют в электрике. Сюда же подаётся напряжение с делителя на резисторах R2 R3 равное половине питающего.
Усилитель охвачен отрицательной обратной связью. R4 R6 C2. Она задаёт режим по постоянному и переменному току, коэффициент усиления и частотную характеристику, ослабляя возможные наводки 50 Гц. Резистор R5 задаёт микромощный режим работы операционного усилителя для минимального потребления тока.
С выхода микросхемы звуковой сигнал подаётся на базу выходного транзистора.
Схема может работать в разных вариантах .
1 на низкоомные наушники
2 на динамик 50 Ом.
3 на записывающее устройство, для этого предусмотрена дополнительная цепь из резистора R10 и конденсатора C4.
В случае 3 дальность передачи сигнала наибольшая.
Я сравнивал на практике характеристики своего изделия с промышленными образцами. Все они уступали. Например, по дальности передачи. Попадались некоторые микрофоны с автоматической регулировкой усиления. При малейшем громком звуке микрофон «запирался» на несколько секунд, это плохо. На фотографии рядом мой микрофон и заводской микрофон, что я демонтировал с кабины списанного лифта. Он по размерам больше, усиление меньше, лифтёра вызывать годится только, когда застрянешь.
Потребление в зависимости от сопротивления линии при напряжении питания 12 вольт указано на схеме. Диапазон передаваемых частот достаточен для очень качественной передачи речи. Расстояние передачи до одного километра. Наводки, помехи на выходе не замечены (часто линию прокладывали рядом с силовыми кабелями). В схеме проверены разные электретные микрофоны разных изготовителей типов и размеров. Все они работали, отличие было в чувствительности. Её можно корректировать подбором R1 и R6. В плате, показанной не фото, стоит подстроечный R6.
Фото готовой платы сверху
Фото готовой платы снизу
Рисунок печатной платы

Примеры применения этого устройства.
Для контроля звуковой обстановки в помещении, когда охрана находится в другом помещении.
Для систем охранной сигнализации, основанных на звуковом принципе.
Для голосовых объявлений в системах трансляции, когда усилитель находится в другом помещении.
Также я изготавливал упрощённый вариант изделия, но его характеристики намного хуже.






