Расскажу о своей самоделке.
Это фильтр сетевой наводки 50 герц.
Чем он может быть полезен.
Любой, кто занимается усилителями, звуковой и измерительной аппаратурой, знает, что такое фон переменного тока. Избавиться от него бывает сложно.
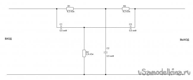
За основу я взял двойной Т мост.
Принцип его работы и расчёт элементов достаточно сложен.
Это описано в разных источниках, при желании можно почитать.
При точной настройке он может сильно ослабить помеху, а также не вносить шумов, поскольку в его схеме нет полупроводников (транзисторов).
И не требует источника питания. Имеет небольшие габариты.
Это - принципиальная схема.
Я указал на самоделке вход и выход. Хотя предполагаю, что они обратимы, не проверял, не было надобности.
Были использованы следующие детали :
Три одинаковых конденсатора КМБП и шесть резисторов МЛТ 0,125 Вт. На схеме я показал всего три резистора, а на фото шесть. Это связано с тем, что у меня не было точных номиналов и пришлось по цифровому мультиметру подбирать путём параллельного соединения.
Материалы:
Припой, небольшой кусочек нефольгированного текстолита, немного клея и монтажного провода и припоя.
Инструменты:
Паяльник, кусачки, ножницы, пинцет и скальпель.
При повторении конструкции следует учесть следующее.
Конденсаторы можно брать КМПБ, МБМ и другие, кроме керамических и оксидных (электролитических). У этих типов сильная зависимость ёмкости от температуры.
Если есть возможность, подберите номиналы деталей по цифровому прибору. От точности подбора зависит качество подавления сетевой наводки 50 Гц.
Или смотрите на процентную точность номинала деталей. +/- 5 % уже даёт хорошее качество подавления помехи.
На графике я показал АЧХ устройства. Конечно, на практике она несколько плавнее.
В заключение добавлю. Изменив номиналы деталей, фильтр можно изготовить для подавления помехи другой частоты.
С уважением, автор.






