Радиомикрофон «LIEN» (в переводе с французского - связь) предназначен для ведения односторонней связи в УКВ - диапазоне с частотной модуляцией, а также для озвучивания дискотек и других мероприятий на открытом воздухе и в закрытых помещениях.
Радиомикрофон «LIEN» (далее просто РМ) работает на частоте 70 МГц (диапазон УКВ1) и представляет собой микромощный передатчик с частотной модуляцией.
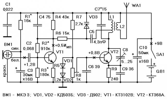
От других подобных схем РМ (см. рисунок 1) отличается высокой экономичностью и, работая от 9 - вольтовой батареи типа «Корунд», может потреблять ток от 6 до 18 мА, не более.
В схеме генератора РМ применён оригинальный способ установки базового напряжения смещения, позволяющий заметно снизить уход частоты генерации при разряде источника питания.
Микрофонный усилитель, входящий в состав электретного микрофона МКЭ-3, питается нестабилизированным напряжением через Г - образное RC - звено (R1*С3) и обеспечивает на выходе напряжение ЗЧ до 30 мВ. Этот сигнал через разделительный конденсатор С2 подаётся на вход усилителя, собранного на транзисторе VT1. Для улучшения температурной стабильности работы каскада напряжение смещения на базу VT1 подаётся с коллектора через резистор R2, а цепь эмиттера введён резистор R5. Конденсатор С4 является блокировочным и срезает ВЧ - составляющие, проникающие в цепь УЗЧ от генератора, собранного на ВЧ - транзисторе VT2. Каскад на транзисторе VT2 представляет собой генератор РЧ, собранный по схеме ёмкостной трёхточки. Резистивный делитель R7, R8 определяет И смещ. (напряжение смещения), подаваемое на базу VT2. Транзистор VT2 работает в режиме отсечки - классе С - и поэтому И смещ. на базе VT2 может выбираться в пределах +0,8 … +1,2 В. Параллельно подстроечному резистору R8 включены два кремниевых диода, которые стабилизируют И смещ. на базе VT2 и при разряде батареи минимизируют уход частоты генератора. Транзистор VT2 охвачен положительной обратной связью, созданной посредством подключения к коллектору и эмиттеру конденсатора С8. Конденсатор С8 выбран подстроечным для облегчения введения в режим генерации транзистора VT2. В цепь коллектора VT2 включён параллельный колебательный контур, состоящий из катушки L1 и конденсатора С7*. Точное значение индуктивности L1 устанавливается сердечником из латуни или феррита. (Введение в L1 латунного сердечника даёт меньшую прибавку индуктивности катушки по сравнению с введением ферритового сердечника). Частотный модулятор собран на элементах R6, VD3, C5. При подаче с выхода УЗЧ через резистор R6 напряжения ЗЧ, варикап VD3 изменяет свою ёмкость пропорционально обратному напряжению смещения, выделенному из сигнала ЗЧ. С анода варикапа VD3 через конденсатор связи С5 модулирующее напряжение подаётся на отвод (4-й сверху виток) катушки L1. Это сделано для уменьшения глубины модуляции. В упрощённом («безотводном») варианте изготовления катушки L1 правый вывод конденсатора С1 может подключаться к нижнему выводу катушки L1. Уменьшить глубину модуляции можно также уменьшением ёмкости С5 или применением в качестве VD3 варикапа с меньшим коэффициентом перекрытия по ёмкости. На практике при появлении перемодуляции (девиации более 150…250 кГц), следует в первую очередь уменьшить ёмкость конденсатора связи С5.
Сигнал РЧ, промодулированый напряжением ЗЧ, с катушки L1 наводится на катушку связи L2 (тип связи - трансформаторный). К нижнему по схеме выводу L2 подключена антенна WA1, выполненная из одножильного медного провода ПЭЛ 0,96. Длина антенны WA1 - типа Short whip (короткий штырь) может подбираться экспериментально при настройке на заданную частоту резонанса. Важным фактором для обеспечения стабильной работы РМ является механическая прочность (неподвижность) составных частей колебательного контура и особенно антенны. При хорошо согласованной антенне даже обхват кистью руки штыря антенны не вызывает критического ухода частоты передающего полукомплекта.
Перед включением РМ, следует обеспечить безошибочный на 100 % монтаж. Начинающие радиолюбители испытывают в этом значительные затруднения, поэтому привожу методику двойной проверки на 100 % - ную безошибочность монтажа.
1). Схема РМ перечерчивается аккуратно, по трафарету в рабочую тетрадь. Проверяется. Ниже рисуются цоколёвки микрофона, транзисторов, диодов. Паять схему можно только, проверив работоспособность уже облуженных деталей и по схеме из рабочей тетради (а не из журнала), чтобы привыкать к своим записям. 2). По окончании пайки выполняется проверка механической прочности монтажа (пинцетом, лёгким покачиванием выводов деталей). 3). Проверяется наличие всех необходимых соединений, указанных в схеме и отсутствие лишних, то есть коротких замыканий, в следующем порядке: А) общий провод; Б) шина питания; В) остальные соединения.
Каждое проверенное соединение, выполненное на плате, отмечают ( / ) в тетради, одновременно обращая внимание на отсутствие лишних соединений. Далее проверяют "проверку", выполненную карандашом: Если между какими-то выводами по схеме должно быть соединение, а оно не отмечено короткой чертой ( / ), то следует сделать проверку этого соединения ещё раз.
При необходимости повторных проверок (а их лучше делать не слева направо по схеме, а справа налево или сверху вниз) можно использовать ту же схему, отмечая выполненные соединения короткой чертой с наклоном влево ( \ ) или короткой чертой без наклона (│).
Безусловно, лучше сначала проверкой обеспечить безошибочный на 100% монтаж и затем включать питание, чем сначала сжечь непроверенную схему, а затем искать неисправности, покупать новые детали, тратить дополнительное время на повторную проверку и не быть уверенным в успешном повторном включении.
Затем рекомендуется проверить сопротивление между общим проводом и плюсом питания. При соблюдении полярности подключения тестера к плате РМ, сопротивление измеряемой цепи должно быть меньше, чем при переполярности (при неправильном включении).
Далее в цепь питания РМ следует включить миллиамперметр постоянного тока с возможно меньшей длиной соединительных проводников. Потребляемый радиомикрофоном ток не должен превышать величины 20 … 25 мА. В противном случае следует ещё раз проверить монтаж и устранить возможные замыкания. При I потр. (потребляемом токе) равном 3 … 18 мА, можно начать настройку РМ по постоянному току:
а) Установить напряжение на электретном микрофоне в пределах +1,2 … +3 Вольта подбором резистора R1*.
б) Установить 0,5 И и.п. (половину напряжения источника питания) на коллекторе VT1. (В случае использования транзистора VT1 c коэффициентом усиления по току менее 100, допускается увеличить номинал резистора R3* до 0,5 Мом или уменьшить сопротивление R4 до 30 кОм.).
в) Установить напряжение смещения на базе VT2 в пределах +0,8…+1,2 Вольта.
Затем можно приступать к настройке генератора:
а). Настроить УКВ – приемник на нужный диапазон (70 МГц).
б). Включить питание РМ. Добиться появления генерации, вращая шлиц подстроечного конденсатора С8* диэлектрической отверткой и установить I потр. = 12 … 16 мА. Возникновение генерации можно контролировать на слух по характерному «захвату частоты» (исчезновению шипения приёмника). Во избежание настройки приёмника на гармонику, (а не на основную частоту излучения), приёмник не следует располагать ближе, чем на два метра от радиомикрофона.
в). Настроить колебательный контур в цепи коллектора VT2 латунным или ферритовым сердечником на частоту резонанса (70 МГц) по максимальной ширине захвата радиовещательного диапазона между двумя станциями. (Настройка возможна на другую частоту с края диапазона или на любом свободном участке радиовещательного диапазона, равноудалённом от двух соседних станций). В случае получения неудовлетворительных результатов, следует изменить ёмкость конденсатора С7 и повторить настройку. Для уменьшения времени настройки рекомендуется конденсатор С7 заменить подстроечным - ёмкостью 6…30 пФ. При получении удовлетворительных результатов настройки амплитуду резонанса колебательного контура можно попробовать дополнительно увеличить, изменив на 5…10% количество витков катушки L1. Как известно, амплитуда колебаний будет максимальной при определённом балансе составных частей колебательного контура, то есть когда реактивные сопротивления L1 и С7 равны. Грубая настройка колебательного контура L1С7 осуществляется подбором количества витков L1 и (или) изменением ёмкости С7. А плавная настройка выполняется подстроечным сердечником. Наличие резонанса можно, также, контролировать по минимуму I потр. радиомикрофоном от источника питания. (Как известно, сопротивление параллельного колебательного контура на частоте резонанса стремится к бесконечности). Для контроля I потр., во избежание заметного «ухода частоты», рекомендуется использовать миниатюрный самодельный миллиамперметр с минимальной длиной соединительных проводников.
Другими словами, процедура настройки повторяется многократно последовательным изменением параметров следующих компонентов: С8*, L1, С7 и подстроечным сердечником катушки L1, ориентируясь на 1) минимум потребляемого тока при вхождении колебательного контура в резонанс и 2) максимальную ширину полосы пропускания (для начала) диапазона настройки УКВ приёмника. Поэтому удобнее использовать приёмник со стрелочным индикатором настройки. А по мере увеличения излучаемой мощности радиомикрофоном, расстояние между приёмником и РМ следует увеличить.
г) Уточнить глубину девиации (величину отклонения частоты ЧМ-сигнала) можно подбором ёмкости конденсатора связи С5. С5* = 1,2 … 10 пФ. С увеличением ёмкости конденсатора С5 глубина девиации увеличивается. Ёмкость данного конденсатора должна быть такой, чтобы даже в пиках громкости работы приёмника от РМ, не было потрескиваний, появления искажений и тем более возбуждения и срывов радиоприёма. Данный тип возбуждения не следует путать с характерным свистом, появляющимся при близком расположении РМ от настроенного на его волну приёмника. В этом случае для снятия возбуждения (акустической обратной связи) достаточно уменьшить громкость приёмника или «заслонить» РМ.
Далее подключают радиомикрофон «Lien» к батарейному блоку питания (например, две батареи типа 3336Л), подстраивают РМ на частоту резонанса и проверяют его на дальность.
Сердечник катушки индуктивности L1 после настройки заливается парафином, а роторы подстроечных конденсаторов стопорятся нитрокраской.
Следует заметить, что настройка радиомикрофона – процесс увлекательный, но это не означает, что он может быть выполнен «в один присест». Подобные работы могут вестись поэтапно в течение нескольких дней, а то и недель. Добившись очередного качественного улучшения работы РМ, следует сделать перерыв в работе, тщательно проанализировать суть произведённых изменений в схеме и соотнести их с теоретическими выкладками. Желательно основные рабочие моменты записывать. На основе проведённых умозаключений и сделанных выводов можно продумать план работы (предполагаемых изменений в схеме) на будущее.

Ускорить процесс подстройки грубо настроенного РМ можно при помощи самостоятельно изготовленного волномера (см. рисунок 2). Волномер состоит из параллельного колебательного контура, собранного на элементах С1-С2-L1;. детектора и ФНЧ (на диоде VD1 и конденсаторе С3) соответственно. Параметры колебательного контура С1-С2-L1 волномера аналогичны параметрам параллельного колебательного контура L1C7 радиомикрофона (см. рис. 1). К гнезду XS1 волномера подключается тестер типа Ф434 в режиме вольтметра постоянного тока (диапазон измерения 12 Вольт). Измерение напряжённости переменного магнитного поля в антенне РМ производят следующим образом: Включают РМ. Антенну WA1 радиомикрофона (равномерно, по всей её длине) обвивают двумя - тремя витками антенны волномера – гибким многожильным проводом в изоляции и стягивают этот провод с антенны РМ по направлению стрелки (см. рис. 2), одновременно измеряя показания вольтметра. Максимума показания волномера добиваются уточнением параметров колебательного контура РМ и длины его антенны Short whip («короткий штырь»).
Начинать подобную процедуру можно при использовании в качестве антенны WA1 РМ четвертьволнового штыря. Длину волны λ (лямбда) для заданной частоты резонанса можно рассчитать по формуле:
λ = С / f ,
 где λ – длина волны в метрах, С – скорость света, равная 300 000 км / с, f – частота в Мегагерцах. Длина волны λ для частоты резонанса 70 МГц равна 4,2857… м, а четвертьволновый штырь. (λ / 4) имеет физическую длину в четыре раза меньше - около 107 см.

Правильное распределение напряжённости поля в согласованной (настроенной) антенне – четвертьволновом штырe - изображено на графике в левой верхней части рисунка 3 и при настройке может оперативно контролироваться индикатором (рисунок 4).

Четвертьволновый штырь (телескопическая антенна) WA1 радиомикрофона вставляется в катушку L связи и свободно перемещается по всей длине антенны. Чувствительность индикатора может быть уменьшена потенциометром R1.
Детали РМ.
В схеме РМ можно применить резисторы типа МЛТ, С2-23, С2-33, Р1-4, ВС и подобные малогабаритные с мощностью рассеивания не менее 0,125 Вт. Подстроечный резистор R8 типа СП3 - 22. Конденсаторы С3, С10 - К50-6, К50-16, К50-35 или подобные оксидные; конденсаторы С1, С2, С4…С7, С9 - типа КМ4, КМ5, К10-7 или любые другие керамические (безындукционные). Подстроечный конденсатор С8 типа КТ4–23. Варикап VD3 Д902 допустимо заменить практически любым кремниевым или германиевым диодом, имеющим Сд (общую ёмкость диода при заданном обратном напряжении И обр. ) более 1…3 пФ.
При VD3 Д220А, Б, имеющих Сд = 15 пФ (при Иобр.=5В) будет чрезмерная модуляция.
При VD3 КД513А, КД521А-Г, имеющих Сд = 4 пФ (при Иобр.=0В) будет нормальная модуляция.
При VD3 Д18, имеющем Сд = 0,5 пФ (при Иобр.=3В) будет слабая модуляция.
Транзистор VT1 можно заменить транзисторами КТ315Б, Г; а транзистор VT2 – КТ368Б. Диоды VD1, VD2 – любые кремниевые с прямым падением напряжения не менее 0,7 Вольта. Номинал резистора R6 может быть любым в пределах от 10 до 100 кОм.
Катушку индуктивности L1 наматывают на каркасе диаметром 6,3 мм. медным проводом ПЭВ 0,5…0,55 с шагом намотки 1,5 мм. L1 содержит 5 витков и имеет отвод от 4-го (сверху по схеме) витка. Катушка из посеребрённого медного провода имеет бóльшую добротность и легче входит в режим генерации. Посеребрить провод можно в отработанном фото фиксаже (гипосульфите натрия). Но лучшие результаты даёт использование готовых катушек от УКВ приёмников с частотой резонанса порядка 70 МГц, например, из блока УКВ-2-01Е от радиолы «Илга-301».
Настроив РМ с четвертьволновым штырём (λ / 4), для придания жёсткости антенне, была опробована более компактная спиральная антенна (Helix antenna). Она выгодна для случаев, когда длина антенны (l) меньше λ / 4 , тем, что дополнительной удлиняющей катушки не требуется.
Чистовой вариант спиральной антенны намотан на пластмассовом каркасе (на не пишущей ручке) диаметром 8 мм и длиной 120 мм проводом ПЭЛ 0,96. Практически был взят отрезок медного провода ПЭЛ 0,96 длиной 130 см. На каркасе была намотана Helix antenna виток к витку так, что длина её намотки составила 86 мм. Оставшийся конец провода использован для намотки катушки связи (3 … 4 витка), расположенной на том же каркасе, что и L1 (на 2 мм выше L1). Ранее использовавшиеся обмотка L2 с антенной «Short whip» (Короткий штырь) удалены.
Конструктивно РМ изготавливается на плате из фольгированного с двух сторон стеклотекстолита толщиной 2 … 2,5 мм. Одна сторона платы является экраном, а на другой, разрезанной на клетки размером 8х4 мм, ведётся монтаж. Верхняя и нижняя шины (полоски) «+» и «-» питания РМ на клеточки не разрезаются. Размер платы РМ составляет 95х28 мм. Причём все детали РМ (кроме микрофона и SA1) занимают площадь всего 64 х 28 мм. Нижняя часть WA1, расположенная внутри корпуса РМ, закрыта трёхсторонним экраном из листовой меди толщиной 0,3 … 0,5 мм. Роль тумблера SA1 выполняет стандартная кнопка МП3-1, дополненнная задвижкой - фиксатором для положения «Вкл.».
Уважаемые читатели, предлагаем Вашему вниманию загадку:
Гóлову ко рту подносят, тело рукой держат, хвост купирован,
но если его включить, то до приёмника достанет.
но если его включить, то до приёмника достанет.
Загадка совсем простенькая. Догадайтесь, что подразумевается под словом «хвост» и ответ Вами будет практически найден. Дополнительные подсказки: 1). Ответ состоит из 13 букв. 2). Ответ в строку пароль пишется с большой буквы. Разгадав загадку, введите получившийся ответ в строку «Пароль» файла «RML_4work» и получите для изготовления поделки всю статью. Архив файла «TII_4work» можно скачать здесь:
Приложение 1
Дорогие друзья! Ребусы этого приложения, имеют очень важную для изготовления РМ информацию. Этой информацией не стоит пренебрегать, для успешного изготовления РМ. Под каждым из 4 ребусов имеется ответ. Для того, чтобы увидеть ответ, достаточно нажать триггерную кнопку «скрыть/показать текст».
Ребус 1.
Ребус 2.
Ребус 3.
Ребус 4.
 Ребусы - рисунки 5 А-Г.
Кроме того, если Вы заинтересуетесь разгадыванием ребусов, то сможете скачать Правила для разгадывания ребусов радиотехнической тематики прямо здесь. Файл называется «rebus_rules for solving puzzles» (Файл) и находится он на Яндекс.Диске.
Некоторые особенности изготовления РМ.
Рисунок 6.
На рисунке 6 изображены: 1). Передняя крышка корпуса-мыльницы с внутренней стороны. 2). Наружная сторона задней крышки корпуса-мыльницы со спиральной антенной «Helix».
Рисунок 7.
На плате РМ конденсатор С7* для облегчения настройки баланса между С7 и L1 заменён на подстроечный. Четыре гнезда – контрольные точки помогают измерять и уточнять величины рабочих напряжений по постоянному току. Левая (по рисунку 7) часть WA1 закрыта экраном из красной меди.

Рисунок 8.
Внешний вид РМ оформлен при помощи кусочков разноцветной изоленты. Для получения ровных линий изолента разрезается на гетинаксовой плате (чтобы не тупился скальпель) по металлической линейке. Работа для усидчивых. Поэтому оформить внешний вид поделки проще, если разработать рисунок для бумажной фальшпанели.
В РМ использован оригинальный выключатель питания на базе кнопки. Первоначально предполагалось включать микрофон только кнопкой, чтобы экономить GB1 и не забывать выключать питание по окончании работы с РМ. Но на практике это оказалось не очень удобно, поэтому к кнопке добавлен рычажный фиксатор. На рисунке 8 питание РМ выключено, так как фиксатор находится над кнопкой и кнопка не нажата.

Рисунок 9.
На рисунке 9 питание РМ включено, так как фиксатор давит на кнопку и кнопка нажата. Радиомикрофон включён. Если белый фиксатор ослабнет и кнопка станет отжиматься, то его легко подкрутить чёрной рифлёной металлической ручкой. К чему такие сложности? Да просто хотелось чего-нибудь в стиле ретро добавить.
Рисунок 10.
Составные части фиксатора для кнопки питания показаны на рисунке 10 сверху. Ниже показана самодельная диэлектрическая отвёртка. Она сделана из трёх полосок стеклотекстолита, которые скреплены воедино двумя дюралевыми заклёпками. Окончательная форма отвёртке придана личным и бархатным плоскими напильниками. Именно такая немагнитная отвёртка позволяет крутить шлицы подстроечных конденсаторов и сердечников РЧ-катушек колебательных контуров, не внося в них дополнительные ёмкости и индуктивности. Внешний вид РМ со снятой верхней крышкой изображён на рисунке 10 (снизу). У эластичного держателя микрофона BM1 МКЭ-3 укорочены крепёжные лапки, чтобы микрофон поместился между двумя крепёжными бонками М3. А чтобы микрофон не «бухал» и не искажал взрывные звуки, между микрофоном и декоративной металлической решёткой проложен кусочек поролона толщиной не менее 10 мм (на фото не показан).
Посмотреть РМ «Lien» в работе можно, если обратиться к видео.
Обратите внимание, что для удалённой работы РМ достаточно не выдвинутой из приёмника магнитолы телескопической антенны. Правда, если между РМ и приёмником две ж/бетонные стены, то такой фокус не удаётся. Не удаётся он и в прямой видимости на расстоянии более 20 ... 40 метров. При антенне, полностью выдвинутой из приёмника, дальность связи значительно возрастает. Наиболее внимательные читатели заметили какой-то слабый равномерный свист. Спешу Вас заверить, это не радиомикрофон. Свистит умножитель напряжения постаревшей магнитолы «Радиотехника ML-6102», который встроен в магнитолу для питания варикапов блока настройки приёмника.
Настроенный радиомикрофон «Lien» испытывался в паре с радиовещательным приёмником «Ишим – 003» и имел радиус действия до 500 метров при прямой видимости.
Для справки: Чувствительность приёмника «Ишим - 003» в УКВ-диапазоне составляет 1 мкВ/м. Для сравнения чувствительность приёмника магнитолы «Радиотехника ML-6102» в УКВ - диапазоне с гнезда «Внешняя антенна» составляет 10 мкВ/м (не хуже) при соотношении сигнал / шум 26 дБ, не менее.
А вот, что сказала бот Алиса, ознакомившись со схемой РМ «Lien» и просмотрев видео:
Посмотреть схему радиомикрофона на 87,9 МГц с питанием 1,5 Вольта можно здесь:
Примечание: Статья была опубликована в журнале «Радиомир» № 11, 2003, с. 39 – 40.
        
    
    
    
    
    
    
    
    
    
    
    
    
        
        
        











                    
                    