В конце июня во время сильной грозы вышел из строя индикатор электронного датчика уровня воды в баке для душа, о котором я рассказывал в статье «Дачные самоделки: управление насосом полива и закачки, горячий душ, подогрев воды для мытья посуды».
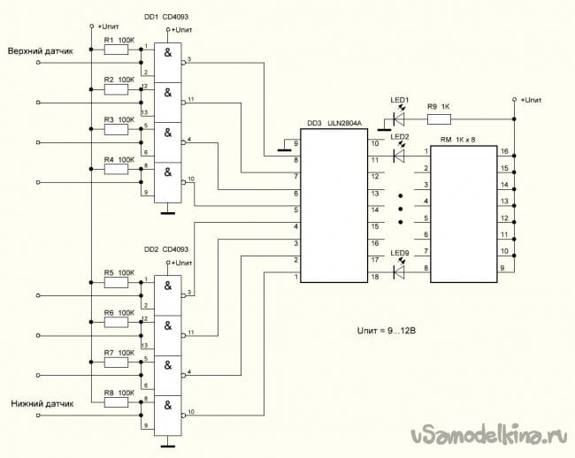
Схема устройства достаточно проста:
Сигналы с восьми датчиков уровня, представляющие из себя восемь отрезков скрученной нихромовой проволоки разной длинны , поступают на входы микросхем DD1 и DD2, которые содержат в себе по четыре логических элемента 2И-НЕ. Входы микросхем через резисторы по 100 кОм подключены к плюсу питающего напряжения. Минус питания подключен к металлическому баку. Если датчик не касается воды, то на входе микросхемы за счет резисторов подключенных к плюсу питания будет логическая "1", если датчик касается воды, то благодаря содержанию в воде солей, проводимость воды сильно понизит напряжение на входе микросхемы до логического "0". Максимальный выходной ток микросхем DD1 и DD2 составляет 3,4 мА не позволяет напрямую подключить светодиоды индикации, которым для нормальной работы необходимо около 10мА, при токе 3мА они будут светится очень тускло, поэтому для усиления выходного тока используется микросхема DD3 представляющая собой матрицу из восьми транзисторов Дарлингтона, по сути восемь усилителей тока. Максимальный ток 500мА. К выходам микросхемы DD3 подключены катоды светодиодов LED2-LED9. Для ограничения тока светодиодов была применена резистивная матрица из восьми изолированных резисторов сопротивлением по 1кОм, которую мне давно хотелось куда-нибудь применить. Один контакт резисторов подключен к анодам светодиодов, а второй к плюсу питания. Светодиод LED1 служит для индикации верхней границы шкалы индикатора уровня.
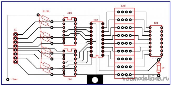
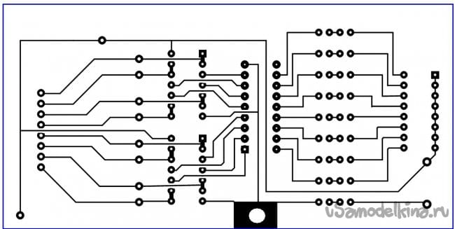
Все элементы схемы смонтированы на печатной плате:
За всё время существования с 2002 года электронного датчика, такая поломка случилась второй раз. Первоначально в качестве изоляции индикатора от влаги я использовал эпоксидную смолу. Первый раз разбирал поломанный индикатор достаточно долго, грея его в духовке (строительного фена у меня тогда еще не было), размягчая эпоксидную смолу и удаляя ее отверткой. После первого ремонта залил плату прозрачным силиконовым герметиком. Снимать герметик оказалось немного легче, минут за десять я его оторвал.
Выпаял неисправные микросхемы. Пятачки на плате местами оторвались, даже возникла мысль сделать новую плату, но поленился
Во время проверки оказалось, не работает один светодиод. Поменять его есть на что, вот только заменить проблемно, после первой разборки светодиоды так и остались залиты эпоксидной смолой, да еще они все укрыты красным защитным пластиком толщиной 5мм. Благо в модуле два светодиода, включенные последовательно, нашел тот, который сгорел, замкнул его ножки. Теперь этот уровень светится тускловато, но работает.
Решил отказаться от идеи использования держателя датчика в качестве минусового контакта. Эта идея была хороша, когда индикатор крепился непосредственно на железную конструкцию душа, а после того, как душ для утепления обшили, датчик был закреплен на деревянную вагонку, пришлось соединять держатель с баком проводом. Было пару случаев пропадания контакта, поэтому припаял минусовой провод непосредственно на плату. Еще раз решил проверить и случайно переполюсовал питание!
Окончательная проверка. Включаем питание, светится верхний индикатор шкалы:
Прохожу проводом соединенным с минусом питания во входному разъему индикатора:
Все работает. Отремонтированный индикатор установил обратно в душ.
Становитесь автором сайта, публикуйте собственные статьи, описания самоделок с оплатой за текст. Подробнее здесь.




















