Всем здравия!
Эти макетные образцы, до сих пор в рабочем состоянии, но разбирать их не буду, оставил для истории.
Выкусываю контакты на панельке, соединение светодиодов с драйвером.
Далее, захватываю плоскогубцами концы платы драйвера.
И выдёргиваю всю начинку из лампы.
Чтобы определить на какое напряжение рассчитаны светодиодные матрицы, скальпелем или ножиком, с лёгким усилием, стираю краску на выбранном участке проводника и зачищаю небольшое пространство медной фольги. Лужу с флюсом место будущей пайки и припаиваю соединительные провода от блока питания.
Начало свечения светодиодной матрицы, начинается с 7 В, значит её номинал напряжения составляет 9 В. Определение этих параметров я вывел в таблицу и продемонстрировал в публикации первого этапа идеального освещения в доме. У всех производителей, как правило, все светодиоды и светодиодные матрицы, соединены последовательно. С учётом того, что я принял свой стандарт напряжения - 18 В, соединение светодиодных матриц, в количестве семи штук, будет произведено вот по такой схеме.
Чтобы практически осуществить такое соединение, необходимо выполнить разрезы проводников на панельке. Обычно я аккуратно соскабливаю ножиком или скальпелем участок проводника, до изоляционного слоя.
Эмалированным проводом распаиваю схему.
Так лампочка выглядит почти в конечной сборке. Имея особые навыки по электромонтажу, это не трудно осуществить.
Припаиваю диоды выпрямительного моста к контактам разъёма лампы.
Расположение диодов моста выбираю с таким расчётом, чтобы было удобно припаивать электролитический конденсатор.
К конденсатору припаиваю два проводника, концы которых будут соединены со схемой на панельке.
Модернизированные, таким образом, лампы очень эффективны, так как у них отсутствует, преобразующий высоковольтное напряжение, драйвер. А в этом случае, температурные показатели резко изменяются в лучшую сторону и высокочастотная составляющая преобразователя не влияет ни на что, так как её просто нет. А вот родной драйвер этой лампы.
Кстати, он уже модернизированный по последнему высшему разряду. В нём отсутствует в/в входной мостик, видимо он встроен в микросхему, а на выходе драйвера, нет электролитического конденсатора. Такие лампы очень часто используют как в вариантах подсветки, чего-либо, так и для полного освещения любых помещений.
Сейчас не меньшим спросом пользуются светодиодные светильники. Они эффективней по многим параметрам, чем всякого рода люстры. Не надо чистить плафоны, выкручивать и вкручивать лампы. Такие светильники сейчас продаются везде, но у них тоже есть недостатки. Тот же драйвер, а ещё сама конструкция соприкосновения светодиодных панелек с корпусом светильника, для теплоотдачи, просто ужасающая. Моё мнение, все светильники подлежат модернизации под ОСС.
Вот к примеру один такой, из многочисленных вариантов. Очень дешёвый всего 380р. Сейчас он, с каждым днём становится дороже. Поэтому спешите купить и модернизировать его под ОСС. Вот фото одного из вариантов.
В данном случае я использовал покупные светодиоды на 3 В. Получилось 5 одинаковых схем по 6 светодиодов. Пять диодных мостиков с конденсаторами и разрядными резисторами. Так же присутствует резистор 620 Ом, на переменной входной цепи. Он необходим для питания схем регуляторов и устойчивой работы симистора. Вот две схемы регуляторов яркости освещённости с применением ОСС.
Светильники так же можно модернизировать с использованием панелек от других ламп. Нужно только определить на какое напряжение рассчитаны светодиоды или матрицы, соединить по правильной схеме и всё.
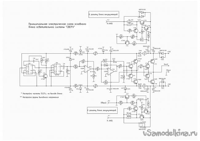
Самое трудоёмкое и сложное в ОСС, основной блок системы. Вот его схема.
Он выдаёт переменное напряжение на всю линию освещения. Линия должна быть независимой и разделена с сетью 220 В и заземлением. Форма выходного сигнала основного блока ОСС должна быть вот такой.
В процессе практического применения ОСС, мною были выявлены некоторые негативные моменты. В основном они были связаны с качеством электропроводки. Ведь напряжение в линии освещения с использованием ОСС, в 10 раз меньше, а это требует очень надёжного контакта. Поэтому весь монтаж произвожу только с пайкой соединительных контактов. Особенно это необходимо делать в домах с алюминиевой электропроводкой. Своё домашнее рабочее место, я немного усовершенствовал и теперь производительность возросла.
Для всех заинтересовавшихся с возникшими вопросами, отвечу только по почте. Мой ящик ylarchin@mail.ru
Становитесь автором сайта, публикуйте собственные статьи, описания самоделок с оплатой за текст. Подробнее здесь.
























