Всем ребятам
здоровья, добра, радости и счастья! Сегодня вы узнаете как у меня получилось самостоятельно изготовить осветительную систему - "Сверх." Для тех кто не в теме,
эта универсальная система освещения. Она может использоваться практически везде. В первую очередь
в квартире, даче, офисе, а также в каютах морских и речных судов, поездах дальнего следования, в бытовках геологоразведки, космических станциях и даже на будущих внеземных космических базах.
О как! И что такого в ней особенного, спросите вы? Во-первых: она может работать как от сети 220 Вольт/50 Гц., так и от двух аккумуляторных батарей +24 В. -24 В.. Во-вторых: вся используемая линия освещения, безопасна. В ней всего 36 Вольт/200 Гц. и если дотронуться незащищённой рукой до оголённого провода, то поражения электрическим током,
не произойдёт. В-третьих: эта система защищает светодиодные лампы и светильники от перегорания. В-четвёртых: она обеспечивает в широких пределах возможность светорегулирования светодиодных ламп, лент, светильников, прожекторов. Предоставляю комплексную схему включения осветительной системы.
На схеме показаны цепи с резисторами и конденсаторами. Через эти цепи, осуществляется питание и синхронизация светорегуляторов. Если светорегуляторы не используются, то и цепи с конденсатором и резисторами, не нужны, а включение и выключение светильников, может просто осуществляться от обычного выключателя. Но,
в обычных механических выключателях, со временем теряется электрический контакт.
Это происходит из-за износа контактных площадок, обычно,
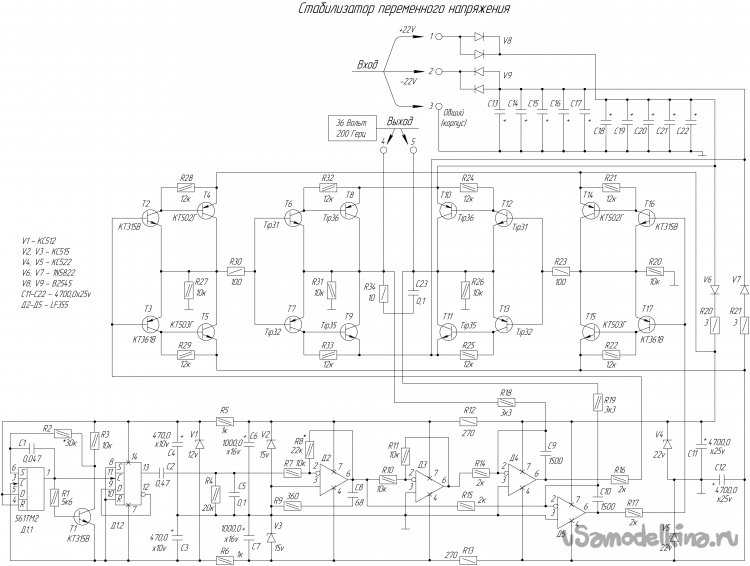
в момент искрообразования или окисления. Кстати, все светодиодные осветительные приборы, на 220 Вольт, по этой причине, очень часто выходят из строя. Установленные в них драйвера, очень не любят неустойчивого контакта и поэтому, их электронная схема, начинает сбоить и выжигать светодиоды. Но в лампах, светильниках и лентах, используемых в осветительной системе - "Сверх," отсутствуют драйвера (см. публикацию - неперегораемая светодиодная лампа). Поэтому их можно использовать даже в взрывоопасных помещениях. Основным блоком комплекса, является стабилизатор переменного напряжения. Вот его принципиальная схема.
Печатная плата, этой схемы, монтируется в металлическом корпусе. А входные и выходные провода, всей схемы, выводятся через отверстие.

А вот так выглядит ящик, с установленными блоками питания и стабилизатором переменного напряжения.
Ах да,
вот ещё схема с осциллограммой. Такая форма должна быть на выходе устройства. 
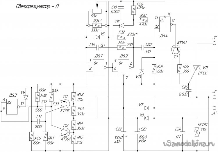
А теперь перейдём к схемам светорегуляторов. Я их изготавливаю трёх типов. Светорегулятор-П, это обычный поворотный, одинарный сенсорный и сдвоенные сенсорные. Выглядят они вот так.
Самые популярные,
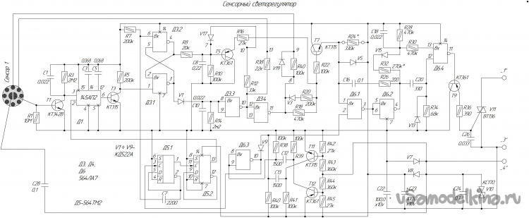
сдвоенные светорегуляторы. Обычно они используются с применением светодиодной подсветки. Вот пример.
Все схемы светорегуляторов, взаимосвязаны и изготавливаются на монтажных платах. Часть комплектующих элементов, в варианте с поворотным светорегулятором и одинарным сенсорным, не устанавливается.
Принципиальная схема сдвоенных сенсорных светорегуляторов.
Используя верхнюю часть этой схемы, получится одинарный сенсорный светорегулятор.
А в варианте с потенциометром, всё монтируется на одной плате, вот по такой схеме.
Как изготавливается светорегулятор - П, я уже описывал в публикации (диммеры осветительной системы "Сверх").
А вот как изготавливаю сенсорные светорегуляторы. Покупаю китайскую стеклянную панель, для сенсорных выключателей и начинаю её дорабатывать. Сперва бокорезами выкусываю выступы. Это необходимо для того, чтобы в неё можно было вставить металлический каркас.
Скальпелем подчищаю поверхность.
Далее, приклеиваю печатные платки сенсоров.
Распаиваю всю схему с соединительными проводами.
Защёлкиваю панель на металлическом каркасе. Светорегулятор изготовлен
и теперь его можно устанавливать. 
Паз под отвёртку, позволяет легко отстегнуть панель. Для массового производства, комплексов осветительной системы, такие методы не годятся. Слишком много "возни" и нудной ручной работы. И поэтому,
это будет не выгодно для ИП производителя. Нужна особая технология и особый подход, с административным ресурсом, инвестициями, льготной арендной платой и т.д.


