Ребята привет!
Всем читателям моих опубликованных самоделок, предлагаю ознакомиться с новой схемой осветительной системы - "Сверх" и какие действия приняты в плане массового выпуска в народное хозяйство.
Мысль об СССР, у меня появилась в то мгновение, когда очередной раз мне принесли в ремонт, вот такой сдвоенный выключатель, китайского производства.
В этом устройстве хорошее и необходимое для моей разработки, это стеклянная панель и то к чему она крепится. Поэтому, мне пришлось приобрести эту конструкцию. Договорились за 200 рублей и я приступил к модернизации. Смысл новой разработки в том, что она будет универсальной. Поясняю, для тех кто не в теме по осветительной системе.
Конструкция будет, как и раньше, из двух плат. Первая плата, представляет собой регулируемые релаксаторы и её можно будет использовать как единичный светорегулятор с потенциометрическим управлением. Вторая плата, сенсорное управление релаксаторами с новым принципом работы. Она может монтироваться с комплектующими как в двойном, так и в одинарном варианте исполнения. Задал себе вопрос, новая схема - СССР, поместится в уже заданные, старые габариты? Ведь количество компонентов возрастёт почти в двое. Поэтому, я хорошо подумал и загадал, если соберу всю конструкцию на макетных платах, то уж с SMD компонентами и SMT монтажом, точно всё получится. Вот так, как-то так, у меня и получилось.
Спаял всё по Советской технологии 80-х, настроил и вмонтировал в металлический каркас.
Пришлось со всем этим, изрядно повозиться
Каркасы я использую от обычных выключателей. Вот такой вид получился сверху.
Ну, а почти полностью собранная и настроенная конструкция выглядит так.
А вот и вариант, где пригодилась данная самоделка, в моей квартире. Теперь в ванной и туалете, раздельно можно выбирать уровень освещённости и с новым принципом работы, плавно включать и выключать свет.
Осталось,
как говорится, дело за малым. И этот малый, уже прикидывает всю конструкцию с новой технологией.
Трассировка первой платы уже закончена, а вторая на подходе...
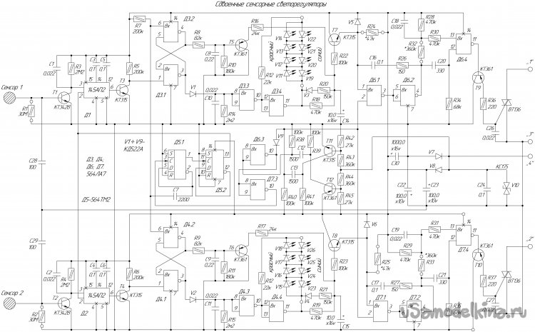
В принципиальной схеме, были внесены некоторые дополнения. Алгоритм работы, с микросхемой 145АП2, остался неизменным. При удерживании пальца на сенсоре, происходит циклическое изменение яркости светильника и в момент, когда желаемая яркость достигла своего значения, палец с сенсора необходимо убрать. Микросхема - 145АП2, запомнит это состояние и при дальнейшем включении, яркость светильника будет соответствовать установленному значению. При кратковременном касании к сенсору, яркость светильника будет постепенно увеличиваться от минимума до установленного значения, а при повторном кратковременном касании сенсора, яркость будет постепенно уменьшаться до полного отключения. Этот новый принцип работы сенсорных светорегуляторов, я дополнил по желанию заказчика.
По схеме, что и как работает, пожалуйста обсудим в комментариях. Ну а пока всё ![]()
СССР - сдвоенные сенсорные световые регуляторы
Становитесь автором сайта, публикуйте собственные статьи, описания самоделок с оплатой за текст. Подробнее здесь.


