В хозяйстве осела пара электродвигателей, снятых с отслуживших свое время стиральных машин. На их применение имеются планы, но конструктивно высокие обороты двигателя желательно уменьшить, а еще лучше иметь возможность плавно регулировать количество оборотов.

В стиральных машинах, как и во многих других бытовых электроприборах и в электроинструменте (пылесос, «болгарка», дрель) установлены коллекторные электродвигатели. Они позволяют получить большие обороты, высокий крутящий момент и значительный пусковой момент, что и требуется для большинства электроинструментов.
В большинстве коллекторных двигателей у бытовых электроприборов обмотки ротора и статора соединены последовательно друг с другом (коллекторные двигатели последовательного возбуждения). Такое включение обмоток позволяет получить устойчивый к перегрузкам двигатель. Коллекторные двигатели питаются переменным током от бытовой сети, но при необходимости могут быть задействованы и от постоянного тока.
Для изменения скорости вращения ротора, коллекторного двигателя используют регуляторы оборотов различных типов.
Простой регулятор оборотов обычно имеет тиристорную - симисторную схему управления оборотами двигателя. Такая схема дает высокую надежность при работе от бытовой сети.
Принцип работы схемы: при каждом периоде сетевого переменного напряжения, через резистор заряжается конденсатор до напряжения открывания динистора, подключенного к управляющему электроду симистора. При этом симистор открывается и ток начинает поступать к нагрузке (коллекторному двигателю). Изменяя переменным резистором время заряда конденсатора, регулируем мощность, подаваемую на двигатель и соответственно скорость вращения ротора коллекторного двигателя. Недостатком схемы является изменение установленных регулятором оборотов в зависимости от нагрузки.
Для стабилизации установленной мощности и оборотов необходима обратная связь и дополнительная электроника. Более качественный регулятор с возможностью стабилизации оборотов при нагрузке динамического характера, возможно получить при обработке информации с датчика скорости (тахогенератора) коллекторного двигателя.
Тахогенератор - преобразует угловую скорость вращения вала двигателя, в пропорциональное скорости электрическое напряжение, линейно зависящее от частоты вращения вала. Тахогенератор установлен на двигателе с противоположной стороны от выходного вала и имеет свои выводы.
Изготовление регулятора оборотов
Для проверки работоспособности имеющегося коллекторного двигателя, предварительно, с помощью омметра следует убедиться в отсутствии замыкания обмотки статора на корпус. Такой дефект двигателя для эксплуатации не допустим.
Последовательно соединим обмотки ротора и статора и подключим эту цепочку к бытовой электросети, желательно через ТЭН мощностью 1кВт. Он спасет ситуацию при коротком замыкании в обмотке и поможет при определении короткозамкнутых витков, двигатель в этом случае быстро нагреется. Кроме того, при первом подключении двигателя к сети, необходимо надёжно закрепить двигатель, так как в момент пуска резкий толчок от большого крутящего момента ротора может опрокинуть двигатель.ё
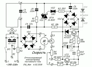
При проверке имеющегося двигателя установлено, что тахогенератор на максимальной скорости вращения вала выдает импульсное напряжение до 32 В. Этот диапазон и прямая зависимость величины выходного напряжения от оборотов вала, будут использованы для управления симистором, в предлагаемом регуляторе оборотов со стабилизацией частоты вращения, по приведенной схеме.

Работа схемы регулятора
В исходном состоянии транзистор VТ1 закрыт.
Транзистор VТ2 открыт базовым током, который установлен сопротивлением резисторов RЗ и R4.
Стабилизированное напряжение 5В подаётся на излучающий диод оптопары тиристорной АОУ103В через индикаторный светодиод, резистор R5 и открытый транзистор VТ2.
Включается тиристор оптопары и замыкает диагональ моста VD2, включая силовой симистор VS1.
Симистор открывается и подаёт напряжение сети 230В на нагрузку – электродвигатель, его вал начинают вращаться.
Появившиеся импульсы тахогенератора выпрямляются диодом VD1 и поступают на потенциометр R1. Часть импульсного напряжения, снимаемая с движка R1, через резистор R2 заряжает конденсатор С1.
При увеличении частоты вращения ротора повышается частота импульсов тахогенератора и напряжение на конденсаторе С1. В определенный момент, это напряжение открывает транзистор VТ1, закрывая VТ2 и излучающий диод отключается. Тиристор оптрона закрывается, симистор VS1 закрывается и отключает двигатель от сети.
Частота вращения двигателя начинает падать и напряжение на потенциометре R1 уменьшается. Конденсатор С1 разряжается через резисторы R2 и R1. Транзистор VТ1 вновь закрывается.
Процессы открытия - закрытия симистора VS1 повторяются.
От положения движка потенциометра R1 зависит время нахождения транзистора VТ1 в закрытом состоянии и продолжительность подключения двигателя к сети, следовательно, и скорость его вращения. При увеличении нагрузки на двигатель, его обороты начинают падать, частота импульсов тахогенератора понижается, время нахождения симистора в открытом состоянии увеличивается, обороты увеличиваются и возвращается к установленной величине.
В целях электробезопасности, силовая цепь отделена от низковольтной цепи управления тиристорной оптопарой АОУ103В и малогабаритным трансформатором Т1 220/9В, взятым из адаптера старого зарядного устройства.
Диодный мост VD3 – VD6 с конденсатором С3 входили в состав использованного ЗУ.
Цепь управления запитана через интегральный стабилизатор напряжения DA1 типа 7805, поэтому работа тиристора оптрона не зависит от колебаний сетевого напряжения.
Симистор VS1 работает с индуктивной нагрузкой большой мощности. Для его защиты добавлена демпферная RС - цепочка R7R8C2, сглаживающая скорость изменения напряжения на симисторе, она позволяет устранять ложные срабатывания симистора и всплески напряжения от помех в сети. Емкость конденсатора С2 возможно применить в диапазоне 0,01-0,22 мкФ с номинальным напряжением не менее 450 В.
К деталям особых требований нет. Диодные мосты можно подобрать из имеющихся, соответствующих по характеристикам, или собрать из отдельных выпрямительных диодов, например, 1N4007. Транзисторы - любые маломощные кремниевые, п-р-п структуры.
- Укомплектуем регулятор деталями согласно предложенной схеме.
Подберем подходящий корпус для сборки и пользования регулятором. При этом необходимо учитывать требования электробезопасности – т.к. в схеме регулятора используется сетевое напряжение бытовой сети 230В и импульсный ток силой до 15А. В данной конструкции использован корпус отработавшего реле времени.
По размерам корпуса вырежем базовую монтажную плату.


- На изготовленной плате устанавливаем и закрепляем основные узлы регулятора: трансформатор Т1 с выпрямительным мостом, интегральный стабилизатор напряжения DA1 KIA7805 на небольшом радиаторе, симистор VS1 (первоначально был установлен BT138-800Е) на радиаторе. Симистор работает в импульсном режиме, поэтому для развития радиатора достаточно отрезка алюминиевого П-обр. профиля 20 х 20 х 2 мм, служащего теплоотводом и способом крепления симистора.
Для монтажа низковольтной части схемы регулятора, из универсальной платы вырежем дополнительную плату. Подготовим места ее крепления на базовой плате.
На лицевой панели корпуса установим выключатель питания и потенциометр регулировки оборотов.



- На базовой плате установим оставшиеся детали силовой цепи - демпферную RС – цепочку и выпрямительный мост VD2.

- На дополнительной плате выполним монтаж электронной схемы управления и установим ее на базовую плату регулятора.


- Соединяем все узлы регулятора в общую схему. Точки подключения (1…7) схемы регулятора к обмоткам двигателя и бытовой сети вынесены на контактную колодочку. Собираем конструкцию регулятора оборотов для проведения испытаний под нагрузкой.


- К контактной колодочке подключаем двигатель и сетевой провод. Включаем тумблер питания S1, но испытания проваливаются. Пусковым током пробивается симистор VS1 BT138-800Е рассчитанный на ток 12А.
- Заменяем симистор VS1 на более мощный, найденный в запасе ТС2-25-9.
На этот раз испытания проходят успешно.
При включении регулятора и стабилизатора оборотов, движок резистора R1 установим в верхнее по схеме положение, подключим устройство к сети и выставим необходимую скорость вращения вала двигателя. Без специальных приборов, определить обороты вала сложно, но визуально и по свечению индикаторного светодиода LED1 заметно, что в нижнем по схеме положении движка R1 обороты максимальные, а в верхнем снижаются почти до ноля, с небольшой пульсацией.
Вместо потенциометра R1 можно установить галетный переключатель с набором резисторов. Подбором резисторов установим любую скорость вращения вала для каждого из положений переключателя.
Для изменения направления вращения ротора, достаточно поменять местами выводы статора или ротора при подключении двигателя.


- Собираем конструкцию регулятора оборотов коллекторного двигателя окончательно.







