Всем привет!
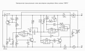
Но сейчас, я нашёл схематическое решение и заставил, эту микросхему, работать при другой частоте. Это коренным образом улучшает эффективность всей ОСС. Частота выбрана 200 Гц, т.е. в 4 раза выше чем на данный момент используется в ОСС. Повышение частоты, даёт возможность применять, в модернизированных светодиодных лампах и светильниках, более меньшую ёмкость электролитических конденсаторов. Это значительно удешевляет их стоимость и упрощает монтаж. Кроме этого, улучшаются параметры всей линии освещения в доме, так как при использовании более высокой частоты, уменьшаются потери в проводах. Все схемы, кроме сенсорного диммера, остаются практически в неизменном виде и лишь некоторые участки схем, придётся немного перенастроить. Для проверки, настройки диммеров с светодиодными лампами и светильниками, я решил изготовить действующий макет СПН. Предоставляю вам его принципиальную схему.
Произвёл предварительную комплектацию компонентов будущего изделия.
Кусачками выкусил части платы с обоих сторон.
Напильником зачистил края платы и убрал заусенцы.
Распаял электролитические конденсаторы с выпрямительными диодами. Разметил, потом высверлил отверстие в корпусе, под патрон предохранителя. Установил патрон, а затем временно закрепил выходные транзисторы схемы СПН. Всё это проделал с учётом будущего монтажа проводов. Снизу макетной платы, подложил обрезки таких же плат.
Далее, я установил необходимые элементы и распаял всю схему тонкими проводами.
После предварительного монтажа макетной платы, произвёл подключение схемы СПН, к трансформатору. Подал питание и настроил с учётом необходимых параметров, всю схему. Выходная "картинка", практически такая же как и при ранее опубликованных осциллограмм, только частота стала 200 Гц.
Вот так выглядит плата сверху.
Используя малярный скотч, прикрепляю его к дну корпуса. Второй слой, приклеиваю к проводам со стороны распайки.
Далее, устанавливаю плату в корпус и произвожу окончательный монтаж всей схемы.
После окончательного монтажа, проверяю спаянную схему на сопротивление изоляции с корпусом. Затем подаю питание на СПН и проверяю полное функционирование.
Основной блок ОСС, я изготавливаю подобным методом. Крепление печатной платы осуществляется с помощью припаянных на плате компонентов. В левой части, распаяны и настроены два стабилизатора на 24 В. Эти стабилизаторы необходимы для схем заряда АКБ. Если использовать импульсные источники питания, то эти стабилизаторы не нужны.
Плата пока не готова окончательно, на ней не распаяна схема для заряда аккумуляторов. Для нормальной работы резистивного диммера, с использованием частоты ОСС 200 Гц, необходимо заменить плёночный конденсатор С8, номиналом 470 нФ, на конденсатор такого же типа, с номиналом 100 нФ. Все настройки, этого диммера, остаются прежними.
Хочу ещё раз особо отметить, что с использованием ОСС, получается хорошая экономия. Я уже не говорю о том, что светодиодные светильники и лампы просто никогда не будут перегорать, а с применением аккумуляторов, получается бесперебойное питание. На днях, я произвёл исследование светодиодной лампочки на 6 Вт. Так вот, 1 Вт, забирает драйвер, а светодиоды потребляют всего 5 Вт. Более мощные светодиодные лампы с сетевыми драйверами теряют ещё больше.
Становитесь автором сайта, публикуйте собственные статьи, описания самоделок с оплатой за текст. Подробнее здесь.
















