В предыдущей статье «Ремонт бобинного магнитофона Маяк-205» я упомянул бобинный магнитофон Соната-304, который появился у меня в конце 80-х годов.
Заканчивая ремонт Маяка пришла идея восстановить и Сонату. В том, что придется его ремонтировать, сомнений не возникало, лет 20 магнитофон пылился под столом, плюс ему лет больше, чем большинству читателей сайта. За время эксплуатации Соната была немного доработана, иногда ремонтировалась, дорабатывалась кинематика, приходилось убирать лишнее или нерабочее, придумывать новые решения. Например, после долгих танцев с бубном был полностью удален узел адаптивной регулировки натяжения приемной катушки, ну вот никак он не хотел работать нормально, только вызывал лишнюю акустическую детонацию. По сути, из магнитофона получился отличный конструктор для творчества и развития инженерных навыков.
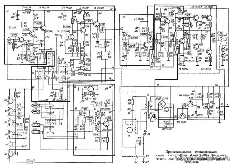
Конечно, у магнитофона третьего класса характеристики были слабенькие, вот что писали о нем в журнале «Радио» №10 за 1973 год:
Монофонический магнитофон Соната-304 выпускался на Великолукском радиозаводе с 1973 года.
В интернете есть много фотографий хорошо сохранившихся экземпляров. Например:




Мой магнитофон не выглядит таким новым:
Приятным бонусом оказалась возможность использовать большие бобины, хотя их использование и не было заявлено:
Скорее всего, крышка, закрывающая магнитные головки могла бы мешать бобинам, но у меня она отсутствует. Большие катушки немного терли по выступающим элементам верхней декоративной панели, пришлось немного, буквально на миллиметр шайбами поднять подкатушечники и блок с магнитными головками.
Год выпуска моего экземпляра 1976:
В верхней части я установил красный индикатор включения. На фото он получился не так красив, как в жизни:
Родной индикатор включения был организован путем подсвечивания головки индикатора записи, вот только индикатор записи не работает во время воспроизведения. Поэтому я поставил кнопку, включающую подсветку только во время записи, так же над лампочкой установил индикаторный глазок, как говорится, что было в наличии модного и красивого, то и применяли:
Вот так это выглядит во время записи:
Многие надписи стерлись, пришлось что-то делать из того, что было. Сейчас выглядит как лютый колхоз, но в 90-х все нравилось, в ход шли наклейки для видеокассет и самоклеющиеся цифры и буквы вкладышей видеокассет:
Пластмассовые ручки переключения режимов от регулярного использования быстро сломались, пришлось ручки сделать из того, что было. Они оказались надежнее родных:
Магнитные головки и прижим нуждаются в чистке:
Первое пробное включение после длительного простоя. Как и ожидалось, первые проблемы с механикой - порван резиновый пассик передающий крутящий момент на маховик тонвала. Снимаем верхнюю декоративную панель, открутив четыре винта по углам:
А вот и не снимается … Забыл про пятый винт по центру
:
Когда-то на нем стояла гарантийная пломба. Раньше практически вся радиоаппаратура была не только с принципиальными схемами и рисунками плат в комплекте с руководством по эксплуатации, но и в пломбах, чтобы шаловливые руки и пытливые умы не пытались лезть в аппаратуру до истечения гарантийного срока, иначе гарантия аннулировалась. Вторая гарантийная пломба у этого магнитофона стояла в одной из нижних резиновых ножках магнитофона. Вот так выглядит магнитофон внутри:
Конечно, не так красиво, как экземпляр из интернета, но сомневаюсь, что тот проработал столько же, как этот.
Когда износился лавсановый пассик маховика тонвала, найти такой же было просто невозможно. Это был первый и последний раз, когда я встречал лавсановые пассики. Пришлось лавсановый пассик заменить на резиновый и удалить штатный ролик натяжения по причине его ненадобности. Попутно были добавлены ограничители, чтобы пассик не выскакивал со шкива двигателя.
Регуляторы громкости, тембра и родной левый динамик:
Переключатели режимов и уже динамик другого типа, родной не выдержал, если не изменяет память, он захрипел, пришлось заменить:
Под регулятором уровня записи виднеется микропереключатель типа МП-1, который включает лампочку возле индикатора записи. Он немного доработан, установлена нажимная пластина:
А этот дополнительный микропереключатель отключает двигатель в режиме стоп:
Сверху когда-то стояло два дополнительных фильтрующих конденсатора по питанию, по 200 мкФ каждый. На одном из них приютился патрон лампы индикации сети. Во время очередной модернизации был поставлен один большой фильтрующий конденсатор емкостью 1500 мкФ, надобность в дополнительных конденсаторах отпала, один из них был демонтирован, а второй остался как крепеж патрона:
Открутив три винта, снимаем площадку с магнитными головками, ведь по-другому пассик не установить.
Вот так выглядит лавсановый пассик:
Все трущиеся и крутящиеся элементы я смазывал машинным маслом неизвестного происхождения, которое за много лет заолифилось. Пришлось все разбирать, чистить и заново смазывать. Для смазки пользовался вазелиновым маслом. Возможно не везде и не по всем параметрам оно подходит, но пока проблем с его использованием не возникало. Начал с маховика тонвала, это его ось:
Протер ось, отмывал спиртом. Займемся маховиком. Здесь удобно воспользоваться ватными палочками:
Достаточно грязно:
Поставил маховик на место. Пассик нужного размера не нашел. Временно поставил немного коротковатый пассик, который остался после ремонта кассетного магнитофона. На фото видны ограничители, чтобы пассик не сползал со шкива двигателя.
Следующий на очереди натяжной ролик пассика приемного подкатушника:
Сверху на ролике прикручен медный кружок предотвращающий соскальзывание пассика. Почему-то переодически пассик сползал, особенно во время перемотки.
Разбираем приемный подкатушник:
Лентопротяжный механизм в Сонате намного проще, чем в Маяке. Этого удалось добиться применением двух ручек управления:
Собираем подкатушник. Крутится очень легко:
Та же процедура с левым подающим подкатушником. Фиксатор на нем самопальный, скорее всего родной сломался:
Подающий узел устроен сложнее. Фетровая шайба трется о нижний металлический шестигранный диск для создания натяжения ленты:
Можно хорошо рассмотреть механизмы торможения и перемотки. Немного непонятно сложное устройство регулировки ограничителя движения размоточного узла влево, хотя конструктору виднее:
Чистим, смазываем и собираем размоточный подкатушник:
На очереди прижимной ролик тонвала. Его разбирать не стал, он достаточно легко крутится, просто капнул внутрь оси вазелинового масла.
Более подробное устройство отключения двигателя в режиме "Стоп":
Очень интересно устройство подвода пленки к магнитным головкам. Одной тягой и рычажной системой заправляется пленка, прижимается ролик и прижим пленки к головке:
Прижимной ролик тонвала очень грязный. Только с четвертого раза удалось добиться приемлемого результата:
Прижимной ролик стал намного чище:
Вроде все почистили и смазали. Пробное включение:
Пассик более тонкий, пришлось немного настроить верхний ограничитель пассика:
Как и ожидалось, с электроникой тоже проблемы: очень тихий искаженный звук, одна дорожка воспроизводится, вторая только при надавливании в бок кнопки переключения дорожек, переключатель нуждается в чистке, при включении режима записи сильный треск, тоже требуется чистка переключателя, шум при кручении регуляторов громкости и тембра. Об этом расскажу во второй части. Будем чинить электронику:






























































