Всем доброго времени суток. Предлагаю вашему вниманию еще один из многих вариантов сборки довольно популярного импульсного металлоискателя «Pirat».
Идея состояла в изготовлении металлоискателя достаточно легкой и быстро-разборной конструкции. При этом максимально использовать имевшиеся под рукой материалы и детали. Поскольку ранее металлоискатели не собирал, то было интересно, что получиться в результате данного эксперимента. Т.к. в интернете достаточно много статей посвящённых данной «игрушке», то решил поделиться тем, что получилось и у меня.
В данной конструкции было использовано:
- Коробка распаячная, для открытой проводки 100х100х50мм.
- Подставка от «убитого» ЖК телевизора диаметром 210мм.
- Ножка от сломанного штатива «BOSCH» 150см.
- Обрезок рейки сечением 20х30мм.
- Обрезок фановой трубы диаметром 110мм.
- Обрезки водопроводных трубок диаметром 20мм.
- Крепеж для труб диаметром 20мм.
- Рукоять от валика для краски.
- «Липучка» шириной 25мм.
- Стеклотекстолит фольгированный односторонний 35х98мм.
- Провод медный лакированный диаметром 0.65мм.
- Китайский модуль защиты аккумулятора.
- Китайский регулируемый повышающий модуль DC-DC.
- Крепеж М2.5, М3, М5, М8.
- Провод монтажный.
- Трубка термоусадочная.
- Радиодетали согласно схеме.
- Стойки для плат высотой 10мм с резьбой под винт 3мм.
Из инструментов использовалось:
- Дрель на стойке.
- МФИ «Dremel» на стойке.
- МФИ осциллирующий.
- Паяльник
- Пистолет для термоклея.
- Отвертки, кусачки и т.д.
Просмотрев приличное количество статей в интернете, посвященных данной схеме металлоискателя, а так же вариантов готовой разводки печатных плат всё же решил скорректировать п/п под свою идею. А именно удобство установки б/у радиодеталей (т.е. «лежа», из-за коротких выводов) и наличия крепежных отверстий.
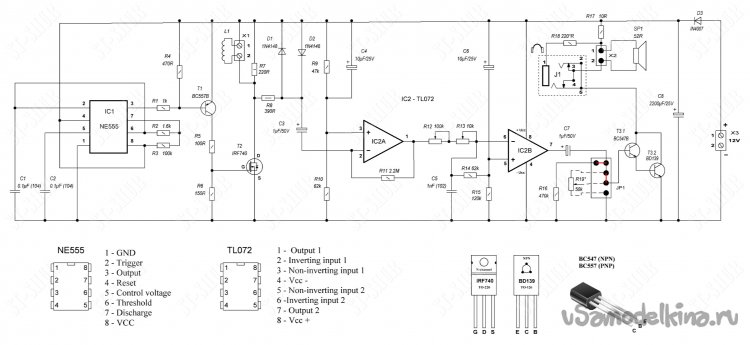
Поскольку на момент сборки конструкции (по «классической» схеме на оригинальных ОУ К157УД2), данной ИС у меня не нашлось, то пока пришлось собирать на китайских ОУ TL072.
Т.к. принцип работы данной схемы многократно описан в различных статьях, выложенных на просторах интернета, то в данной публикации в основном хотелось уделить внимание варианту всей конструкции и некоторым получившимся нюансам.
Для начала была собрана плата по «классической» схеме на ОУ TL072.
Печатная плата размером 35х90мм.
Для небольшого ограничения рабочего напряжения, при использовании Li-ion аккумуляторной сборки по схеме 3S1P, в «классическую» схему был добавлен диод D3. Так же он обеспечивает защиту схемы в случае ошибки подключения при нарушении полярности.
Использованный для проверки вариант модуля питания 3S1P.

Проверочная поисковая катушка была намотана на оправе диаметром 20см и содержит 25 витков медного провода типа ПЭВ диаметром около 0.65мм, который был взят от катушки размагничивания древнего кинескопа.
При проверке прибора была произведена «временная» сборка конструкции. В качестве корпуса для электронного модуля была использована распаячная коробка, для открытой проводки размерами 100х100х50мм. Бескаркасная катушка обмотана изолентой и зафиксирована на обрезке пластиковой трубки диаметром 20мм, с помощью толстой нити и термоклея. Такой вариант сборки пока предусматривает питание прибора от модуля в отдельном корпусе, для удобства экспериментов с различными модулями питания.


При проверке вышеописанной конструкции с различными динамиками (подходящих размеров) с сопротивлением 8-52 Ом получалась довольно маленькая громкость (по моему мнению, особенно для улицы). Громкость работы динамиков 32-52 Ом немного выше, чем динамиков с сопротивлением 8Ом. Поэтому данный вариант платы был оставлен для работы с наушниками (наушники 32Ом, громкость прекрасная). Впоследствии этот вариант был отдан товарищу для возможной дальнейшей доработки.
По этому, в схему следующего варианта были внесены небольшие изменения, так же повышающие удобство сборки и эксплуатации металлоискателя. Вместо одного маломощного транзистора усилителя Т3 используется составная пара из Т3.1-BC547B и T3.2-BD139. Что прилично повысило громкость работы динамиков. Дополнительно к этому сразу на плату установлено гнездо для стерео наушников (каналы запараллелены) под штекер 3,5мм с встроенным переключателем наушники или динамик. Для удобства экспериментов с выходным усилителем на плату добавлена панель под джемперы (что не требует извлечения платы из корпуса и пайки), которая так же позволяет подключать переменный резистор для регулировки громкости (особенно это удобно при использовании наушников), а так же варианты визуальной индикации. На данный момент используется динамик с сопротивлением 52Ом мощностью около 0,5Вт, громкость на улице получается даже более чем достаточная.
Печатная плата размером 35х98мм.
Печатные платы со стороны дорожек были обработаны электроизоляционным лаком «PLASTIK-71», который совершенно не мешает пайке (в случае необходимости), т.е. не требует предварительного смывания.


При изготовлении корпуса для электронного блока второго варианта металлоискателя, «лишние» отверстия в коробке были заклеены полоской пластика толщиной 0.6мм (т.к. торчащие в разные стороны заглушки, по моему мнению, выглядят довольно не эстетично). Передняя панель сделана съемной (на случай возможных доработок) из пластика толщиной 2.5мм.
Для питания этого варианта конструкции пока предусмотрен один Li-ion аккумулятор типоразмера 18650 емкостью 2.5 А/ч, с использованием китайских модулей защиты и контроля заряда-разряда и регулируемого преобразователя DC-DC B6288 (с рекомендованным выходным током до 1А и максимальным до 2А). Оба модуля упакованы в термоусадочные трубки.

Подключение поисковой катушки осуществляется с использованием отечественного разъема типа РГ1Н-1-3. Для подключения ЗУ использовано гнездо 5.5мм с автоматическим отключением питания схемы при подключении ЗУ.
На данный момент в конструкции применен динамик диаметром 50мм в легком пластиковом корпусе, который закреплен на крышке корпуса с помощью термоклея.
Для установки аккумулятора и возможности его простой замены применен бокс с довольно жесткими контактными пластинами который закреплен в корпусе винтами М2,5мм. Дополнительно аккумулятор зафиксирован капроновой стяжкой. Использование боксов с контактами в виде витых пружин очень не рекомендуется т.к. при токе заряда более 1А пружинки начинают довольно сильно греться.
Монтаж электроники в корпусе получился достаточно свободным, поэтому остается место для различных дополнений или изменений вариантов модуля питания. С целью продления «живучести» резьбы крепления крышки, идущие в комплекте коробки шурупы, были заменены на шурупы от пластиковых корпусов, что снижает вероятность срезания резьбы. Крепеж для труб привинчен к корпусу винтами М5. Информационные наклейки на корпус пока не делал так, как возможны дальнейшие доработки конструкции.
Поисковая катушка была сделана в достаточно жесткой целиковой пластиковой трубке диаметром 8мм. Была использована дополнительная оплетка от коаксиального кабеля. Внутри трубки катушка стянута в нескольких местах толстой нитью. Намотка была произведена на оправе диаметром около 19,5мм тем же проводом, что и в первом варианте и содержит 26 витков.
В качестве корпуса и оправы для поисковой катушки была использована подставка толи от монитора толи от телевизора (точно не помню, давно без дела валялась).
Далее к катушке был припаян соединительный провод. Сама катушка была герметизирована и зафиксирована на основании подставки с помощью термоклея.
Поскольку в план изготовления конструкции входила максимальная простота при достаточном удобстве, то решил отказаться от различных вариантов изогнутых штанг (виденных в разных конструкциях на просторах интернета). Поэтому расчет был сделан на возможность удобного использования любых прямых реек. Таким образом, было решено закрепить трубку для крепежа электронного блока на рукояти, которую в будущем можно использовать с различными прямыми штангами. В качестве рукояти использована рукоять от валика для краски. Для крепежа рукояти к штангам, используется болт диаметром 8мм, который закреплен насквозь в рукояти вместо конструктива для установки валика (с помощью клея). Так же внутри рукояти шестигранная шляпка болта дополнительно зафиксирована термоклеем, что обеспечило достаточную надежность конструкции. В рукояти с помощью МФИ «Dremel» были вырезаны отверстия для установки пластиковой трубки диаметром 20мм.
Трубка в рукояти была достаточно надежно зафиксирована с помощью термоклея. Длинна трубки была пока оставлена с некоторым запасом, для возможности крепления дополнительного модуля питания (как в первом варианте конструкции) или на пример фонарика.
Подлокотник был изготовлен из деревянной рейки сечением 20х30мм, длинной 340мм и обрезка фановой трубы длинной 102мм. На рейке был вырезан выступ, на который надевается тыльная часть ножки от штатива выполняющей функцию телескопической штанги. В сложенном состоянии она имеет длину всего около 430мм, а в максимально раздвинутом состоянии около 1130мм. Таким образом, данная часть конструкции достаточно надежно скрепляется всего одним болтом, который установлен в рукояти.

Для отвода алюминиевой штанги от поисковой катушки использован обрезок пластиковой трубы диаметром 20мм и длинной 315мм. Трубка крепится к съемной горловине от подставки с помощью пластикового винта с пластиковой гайкой диаметром 8мм (от сантехники). Горловина крепиться к основанию подставки с помощью встроенной защелки, что довольно удобно при сборке и разборке.
Пластиковая трубка, пока что, достаточно надежно крепится к алюминиевой телескопической штанге с помощью деревянного клинышка, изготовленного из круглого профиля диаметром 12мм.
Деревянные детали конструкции были обработаны быстросохнущим бесцветным лаком «ХВ-784». Таким образом, получился достаточно компактный набор, который легко помещается в небольшой сумке или рюкзачке, что удобно при транспортировке.
Металлоискатель довольно быстро собирается в рабочее положение. Каких либо люфтов и «гуляния» штанги пока не выявлено. Общий вес конструкции в сборе получился 1040 грамм.



Параметры получившейся поисковой катушки (с учетом провода подключения):
- Активное сопротивление 1,1Ом.
- Индуктивность 334 мкГн.
На данный момент на переднюю панель электронного блока выведены два регулятора настройки «грубо» и «точно» и регулятор «громкость».
При настройке питания, на плате после диода D3 с помощью регулятора преобразователя было выставлено напряжение 12В. При этом на выходе преобразователя напряжение около 12,7В.
Некоторые результаты измерений расстояния обнаружения цели. Измерения проводились в квартире «по воздуху», поэтому возможно влияние имеющегося в помещении металла. Расстояние измерялось на момент устойчивого появления щелчков в динамике при проводке под катушкой.
Современные монеты:
10 коп. – 110мм.
50 коп. – 135мм.
1 руб. – 130ммм.
5 руб. – 150мм.
10 руб. – 180мм.
Прочее:
Золотая подвеска 585 пробы, вес 1,9гр. – 70мм.
Уголок алюминиевый размерами 20х20х1,5х230мм – 285мм.
Кастрюля из нержавейки 1,5л – 485мм.
Жало для паяльника без дополнительного покрытия (надеюсь медь) d5мм, длинной 95мм – 115мм.
Жестяная банка кофе «Nescafe» 85гр – 400мм.
При появлении в наличии ОУ К157УД2 надеюсь собрать еще одну плату уже с использованием этой ИС для практического сравнения. Ну и так же в планах поэкспериментировать с разными вариантами поисковых катушек.
Если что-то в описании упущено, надеюсь, эти нюансы можно рассмотреть на представленных фото. Заранее прошу прощения за возможные ошибки и опечатки.
Если нужна дополнительная информация, пишите на почту, постараюсь обязательно ответить. Отзывы, полезные идеи, предложения по улучшению конструкции и комментарии приветствуются.
Август 2022г.
Станислав Шурупкин.
Email: st-shur@mail.ru
















































