
Приходит ко мне знакомый, который, прочитав по моей подсказке статью "Локальная сигнализация с датчиком движения для дома, дачи, гаража", автор Jerry, ссылка, захотел себе что-то такое же. Сам датчик у него есть, на монтажные работы и изготовление корпусов руки у него неплохо заточены, а изготовить платку на десяток деталей и мне не сложно. Вот авторская схема из указанной статьи.

При всем желании поставить такие же полупроводники не получится, ну нет таких, применяем имеющиеся. На выход пойдет один из любимых ключевых (низковольтных) транзисторов КТ863А, с напряжением насыщения 0,3 В. Без всяких радиаторов он может пропускать через себя ток в режиме насыщения до, страшно сказать, 5 А.

И еще один, 2Т630Е, с напряжением насыщения 0,3 В, его поставим на замыкание базы КТ863 на землю.

В этой нашей схеме, практически полностью повторяющей авторскую, резистор R4 - это эквивалент начинки датчика по потреблению тока, он нужен для разрядки конденсатора.

R1 – 100 кОм C2 – 470,0 (подбирается)
R2 – 1 кОм VD1 – что-то мелкое
R3 – 1 кОм VT1 – 2Т630Е
R4 – 4к7 VT2 – КТ863А
R5 – 3к3
Для улучшения запирания выходного транзистора резистор R3 (по схеме оригинала) разбит на два, хотя, возможно, это и лишнее. Что касается собственно сигнального устройства - описание поместим в конце.
Производим пробный черновой монтаж.


Время задержки с конденсатором 470.0 (емкость не измерялась, не исключено, что он подсохший) получилось примерно 15…17сек. (См. статью-оригинал.) Как нагрузка использовалась лампочка накаливания. При эксперименте емкость конденсатора пробовали увеличить до 4700,0 мкФ, т.е. на порядок, но измерить получившееся время задержки просто не хватило терпения. Суть в чем – подберем столько времени, сколько надо. Начинаем собирать рабочий образец, но тут захотелось для уменьшения габаритов конденсатора использовать полевой транзистор в цепи замыкания базы выходного транзистора на землю. Под руки попался применявшийся в свое время в телефонии ключ КТ1014КТ1 с неплохими параметрами, причем в корпусе ТО-92.

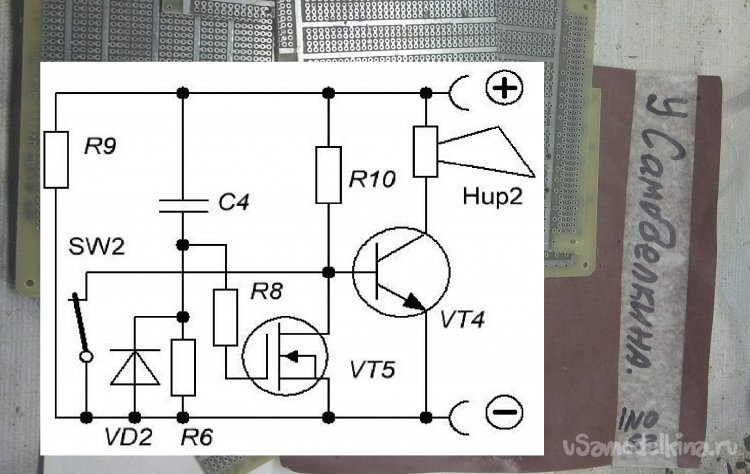
Дорабатываем схему под него.

R6 - 1,2 МОм C4 - 2,2…8,8 (подбирается)
R8 – 5к1 VD2 – что-то мелкое
R9 – 4к7 VT4 – КТ863А
R10 – 3к3 VT5 - КТ1014КТ1
На стадии сборки платы. 
Было запаяно заведомо излишнее количество конденсаторов с такой целью, что бы при желании можно было просто выкусить лишние.

А вот теперь о звукоизлучателе. В ящике с радиохламом нашлась готовая старая конструкция, на удивление удачно подошедшая к нашей схеме. Издает весьма противный звук, с плавно меняющейся тональностью, иммитирует сирену ПВО. По электрическим параметрам – напр. питания, ток потребления - полная стыковка, и в ее корпусе хватает свободного места для размещения нашей конструкции. Динамик 4 Вт. Вот ее вид и приблизительная схема, нарисована по памяти. Детали – К561ЛА7, КТ3102, КТ829, ОЭП-2 (УГО не соответствует).

Дальнейшее - установка в корпус и монтаж - вряд ли интересно. Все, комментируйте!


