Постепенно собирая оборудование и осваивая стеклодувное дело надеюсь добраться и до самодельных вакуумных радиоламп, простейшая из которых – диод. Образцово-показательное их применение – конечно радио! Классика жанра, традиция. Простейшее же радио на простейшей радиолампе – детекторный радиоприемник с вакуумным диодом. В чистом виде в старой литературе не описан, надо полагать - слишком нерациональное по тем временам (батарейное питание, редкие и дорогие радиолампы) решение, зато нередко применялись лампы комбинированные, например, диод-пентод 1Б1П и одним баллоном можно было и продетектировать сигнал и усилить его (Рис. 2). Впрочем, чаще использовалась практическая, но и менее наглядная, схема где детектором служил участок сетка-катод – «сеточное детектирование», обычного триода (пентода).
Рис. 2. Ламповый детектор-усилитель. Вход включают вместо кристаллического детектора радиоприемника. О. Л. Бартовский. Первые шаги радиолюбителя. Изд. «Советская школа», 1962 г.
«В химически чистом виде» средневолновой детекторный радиоприемник с радиолампой встретил в литературе современной – последствие нынешнего ренессанса, если не сказать более, применения вакуумных приборов. Конечно такой радиоприемник в обычном своем качестве - технический курьез. Здесь же – он не более чем этакий наглядный стенд для демонстрации работоспособности электровакуумного прибора (ЭВП), отсюда кстати и упрощенные требования к колебательному контуру. Для начала соберем радиоприемник-стенд с фабричной радиолампой. Электровакуумный аналог классических для детектора Д2, Д9 – 6Х2П. Косвенный накал 6,3 В Х 300 мА, два раздельных экранированных диода (Рис. 3).
Рис. 3. Цоколевка 6Х2П. Лампа в семиштырьковом пальчиковом исполнении.
Что потребовалось для работы.
Набор инструмента для радиомонтажа, крепеж, мелочи, расходные материалы.
К делу.
Первым долгом изготовим контур радиоприемника. Ныне, средневолновые вещательные радиостанции прекратили свое существование. Мощное АМ вещание перебралось или осталось на волнах коротких (КВ). Построив невысокую Г-образную антенну включил ее на вход фабричного КВ радио и покрутил ручки. Нашел сосредоточие мощных вещательных станций в районе 6 МГц. Макетным образом собрал простейший детектор на германиевом точечном диоде с контуром на эту частоту и убедился в работоспособности антенны и приемника. «Международное радио Китая» можно было сносно слушать через небольшие активные акустические системы (АС) для компьютера.
Фото 4. Контурную катушку на 6 МГц (вместе с собственной емкостью антенны), намотал проводом Ø1 мм на толстостенном пластиковом каркасе Ø92 мм. 15 витков.
Фото 5. Прошлый макетный вариант радио показал – лучший прием был при небольшой индуктивной связи антенной катушки с контурной. Достаточно было поднести к ней свернутый несколько раз длинный антенный провод (на фото - голубого цвета).
Фото 6. Здесь, такой виток связи сделал стационарным и регулируемым – на подвижном бумажном каркасе-гильзе сверху катушки контурной. Подвижный каркас выклеил прямо на намотанной контурной катушке – по бокам от нее выровнял высоту каркаса двумя полосками ватмана временно закрепленными липкой лентой. Из нескольких слоев такого же ватмана выклеил подвижную гильзу и намотал на нее катушку связи – 3 витка провода потоньше, Ø около 0,5 мм.
Фото 7. Контурная катушка, снятая катушка связи. Последняя с небольшим трением перемещается поверх контурной. Положение ее подбирается при настройке по максимальной громкости передачи в наушниках.
Фото 8. Детекторное радио требует высокоомных наушников, малочувствительных и давно снятых с производства. Заменить их можно наушниками современными, низкоомными но с согласующим трансформатором. Очень хорошо подойдут старые ТВЗ, ТВК от ламповых телевизоров или маломощные сетевые с аналогичными моточными данными. Свой ТВ-ЗШ нашел в непотребном виде, но с целыми катушками. Стальную обойму и недостающие пластины магнитопровода подобрал от других аналогичных трансформаторов. Вставил немагнитную прокладку из листа писчей бумаги (~0,1 мм) на случай применения лампового однотактного усилительного каскада. Собранный магнитопровод со всех сторон простучал на ровной деревяшке резиновой киянкой и поместил в обойму.
Фото 9. Мой радиоприемник имеет несколько тяжелых элементов. Их следует закрепить на едином основании иначе работать со схемой будет крайне неудобно. В своем деревянном хламе подобрал некрупный обрезок 10 мм фанеры, из кусочков соснового брусочка сделал, и приколотил гвоздиками, ножки.
Фото 10. Контурную катушку закрепил тремя нетолстыми саморезами. Насквозь через фанерку, в массивный пластик каркаса. У трансформатора отогнул четыре лапки на обойме и прижал их коротенькими саморезами с широкими шляпками. Разъем для наушников – старый ненужный переходник для гнезда Ø 6.3 мм, приклеил его термоклеем к деревянному шасси и припаял к низкоомной обмотке трансформатора гибким монтажным проводом. Диод-детектор – стеклянный Д2. Подвигал катушки, попереключал антенну с заземлением и лучшего, самого громкого результата добился используя катушки наоборот – верхняя подвижная 3 витка – контурная, нижняя 15 витков – связи (?). ЧуднО. На мое «Радио Китая» местами наплывают какие-то французы (?) но это черт с ними. Работает хорошо - вполне громко и четко, конечно с учетом характерных КВ «замираний сигнала». Блокировочный конденсатор параллельно нагрузке детектора (высокоомная обмотка трансформатора) паче чаяний громкости не добавил, но звучание сделал басовитее и приятнее, при этом почти пропал зуд от регулятора-диммера паяльника поблизости.
Фото 11. Нетолстые выводы катушки тоже неплохо бы закрепить на основании, например, на винтовых клеммах. Для них подобрал латунный пруток. Как раз более-менее соответствующий стержню под М4. Отрезал две заготовки, зачистил и обработал на точиле торцы, в тисках нарезал М4 под ходовые гайки. Порывшись в своих закромах подобрал комплект неоцинкованных (гальваническая пара – харам!) шайб и гаечек.
Фото 12. Просверлил отверстия, укоротил обратные части шпилек ювелирным лобзиком, собрал клеммы. Провода от катушки укоротил по месту, зачистил, залудил, зажал между верхним комплектом шайб. Нанес пояснительные надписи.
Фото 13. Для 6Х2П нашлась стандартная керамическая панелька. Подобрал для нее две одинаковых длинных шестигранным стойки. Парой гибких изолированных монтажных проводов сделал выводы к питанию накала, соединения от анода-катода одножильным нетонким медным луженым проводом – зачищенный от лаковой изоляции старый обмоточный. Стойки закрепил на деревянной панели винтиками М3, насквозь. Задействован только один диод, выводы второго свободны. Ламповый вариант работает тоже неплохо. Особенной теплоты в звучании не обнаружено, но в темноте светится красиво. Питание накала – от лабораторного стабилизированного, регулируемого БП.
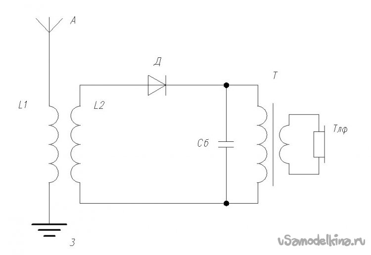
Рис. 14. Схема принципиальная получившегося радио. L2 – 15 витков провода Ø1,0 мм на каркасе 92 мм. L1 - 3 витка провода Ø0,5 мм на каркасе (Ø~98 мм) поверх L2. Верхняя катушка с легким трением перемещается по L2, ее положение следует подобрать один раз по максимальной громкости в телефонах. Детектор Д – полупроводниковый «кристаллический» типа Д2, Д9, Д18 или один из диодов 6Х2П (Рис.3). Трансформатор согласующий, от старого лампового телевизора или радиоприемника, наушники низкоомные.
Babay Mazay, февраль, 2023 г.




