Простой вариант детекторного приемника собран макетным образом для проверки возможности детекторного приема на некрупную Г-образную антенну в коротковолновом (КВ) диапазоне – радиовещание на средних волнах (СВ) давно прекращено. Приемник нужен и для экспериментов с интересными и экзотическими ныне вариантами самодельных детекторов, в том числе и электровакуумных, последовательного совершенствования с применением самодельных радиоэлементов. В этом смысле, важен сам факт работы, оставляя за скобками вопросы удобства, чувствительности и избирательности. То есть, очень хорошо, если будет принято громко и четко нечто развлекательно-музыкальное, но в принципе, радиостанция может быть единственной и любой, что сильно упрощает задачу.
Вон дантист-надомник Рудик —
У его приёмник «грюндиг»,
Он его ночами крутит —
Ловит, контра, ФРГ.
В. С. Высоцкий. Письмо в редакцию телевизионной передачи "Очевидное невероятное".
К слову, крутить приемник приходится таки ночами и это не дань конспирации, но суровая необходимость – КВ диапазон днем не работает из-за специфических условий распространения радиоволн и состояния ионосферы от которой они отражаются как в гигантском волноводе. Еще одна особенность приема на КВ – «замирание» сигнала, этакое плавание уровня громкости приемника. В ряде случаев громкость может периодически пропадать полностью. И то и другое неудобно, но делать нечего. Утешением служит возможность (для КВ в принципе) приема не только местного, но и весьма удаленных станций. Возможность дальнего приема зависит от целого ряда факторов, в том числе и изменчивого состояния ионосферы – захватывающая охота по всему миру не выходя из дома.
Что потребовалось для изготовления радио.
Набор инструментов для радиомонтажа, расходные материалы, мелочи.
К делу.
Построив простейшую наружную антенну и заземление с вводом в мастерскую, сделал удобный подвод к рабочему столу. Мой ввод антенны выполнен несколько в стороне и с гнездами обычной сетевой розетки (Фото 2).
Фото 2. Гнезда подключения антенны и заземления в мастерской. В качестве «грозового переключателя» используется сетевая вилка с накоротко замкнутыми контактами. К контактам розетки припаяна неоновая лампочка – удобный импровизированный «искровой промежуток».
Фото 3. Для «подвода» подобрал фабричный сетевой шнур с мощной вилкой. Разделал его – зачистил почти весь от внешней жесткой изоляции, обрезал провод заземления, изолировал место разделки около вилки термотрубкой.
Фото 4. Пометил назначение проводов при удобном положении вилки в розетке. На пластиковом корпусе вилки и липкой биркой на конце провода. Зачистил концы проводов, залудил с канифолью, соскреб остатки остывшей канифоли.
Колебательный контур приемника. Прежде всего пришлось более-менее точно определить диапазон нужных частот – там, где есть достаточно мощные, громкие радиостанции, а лучше несколько. Темной ночкой покрутил настройку старенького транзисторного «Океана» с разложенной табельной суставчатой антенной. Наиболее плотно обжитым мощными вещательными станциями оказался участок КВ около 50 м (6 МГц). Самые громкие - несколько нерусских станций с новостями и музыкой и мощная русскоязычная «Международное радио Китая», как потом выяснилось, расположенная в Пекине, вещающая мощностью 500 кВт. Годится!
Фото 5. Колебательный контур нашего приемника - параллельного типа с конденсатором переменной емкости. Использовал имеющийся сдвоенный конденсатор с удаленной каждой второй пластиной и последовательно включенными секциями – чтобы не было шорохов и потрескиваний от подвижного контакта. Максимальная емкость – 30 пФ. Рядом, стандартный сдвоенный 2 х 12…496 пФ часто попадавшийся в недорогих ламповых приемниках низкого класса. Заметим кроме прочего и литую против штампованной рамы, а это термостабильность, хотя и не слишком важная в нашем случае.
Фото 6. Покопавшись в коробках и прочих закромах добыл провод и заготовку каркаса контурной катушки. Здесь нужно сказать, что простейшие радиоприемники оперируют с крайне малыми наведенными сигналами и потери в катушке имеют значительный вес. Оттого – чувствительный диаметр провода и каркаса катушки. Здесь, нашелся старый обмоточный провод Ø1 мм и пластиковая толстостенная труба, втулка от катушки с пленкой, внешним Ø95 мм. Пластик тяжелый и хрупкий, отчасти напоминает полистирол, хотя и не он.
Имея все входные параметры – частота резонанса контура, емкость переменного конденсатора, размер каркаса и провода в специальной программе рассчитал потребную индуктивность катушки и ее данные – 15 несчастных витков при рядовой намотке «виток к витку».
Фото 7. Зная длину намотки разметил заготовку-трубу и отхватил лишнее на торцевой пиле, ножом зачистил заусенцы.
Фото 8. Пропустил мятый провод через самодельную роликовую выравнивалку, смотал на катушку.
Фото 9. Намотал катушку. Без всяких станков и приспособлений - витков немного, провод нетонкий. Концы провода закрепил на каркасе пропустив каждый через пару некрупных просверленных отверстий. Катушку сделал из двух секций для резонанса на 50 и 100 м – с прицелом на будущий регенератор (?) и для расширения возможностей при экспериментах.
Фото 10. Детектор-диод фабричной выделки, обязательно германиевый. Здесь Д9 (помельче) и Д2 (покрупнее). Проверил тестером при прямом-обратном включении. Цветной полоской у Д9 помечен (в отличии от современных импортных) анод. Катод – кристалл внутри в который упирается остриё проволочки-пружинки. Кроме того, у Д9 проволочный вывод катода толще, а у Д2 полярность выбита на плоском выводе.
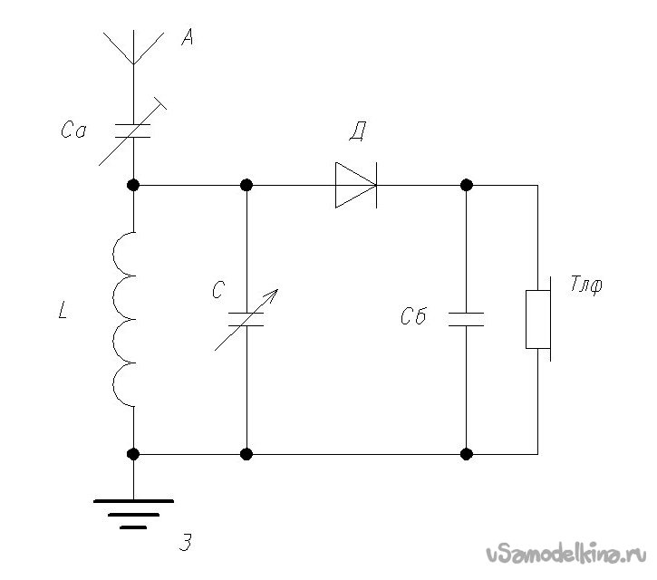
Рис. 11 Детекторный радиоприемник, схема принципиальная. Сб – блокировочный конденсатор емкостью в 510…4700 пФ, телефоны - ретро конструкции с электромагнитом и жестяной мембраной, высокоомные. Са – антенный конденсатор в несколько десятков пикофарад, лучше переменный. Для регулирования ослабления влияния антенны на колебательный контур, что повышает избирательность.
Практика показала – мощная «Международное радио Китая» единственная различимая станция, но и она в телефонах ТОН-3 с сопротивлением постоянному току 3,2 кОм едва слышна. Значительно лучший и громкоговорящий прием получается с низкочастотным (НЧ) усилителем, например, небольшими активными АС от компьютера. Для их подключения применил старый ненужный переходник. При этом, в блокировочном конденсаторе необходимости нет.
Фото 12. Собранный детекторный радиоприемник.
Кроме того, выяснилось, что для более-менее точной настройки на станцию достаточно только собственной емкости антенны – пластины ротора конденсатора С полностью выведены. Конденсатор переменной емкости удален и в дальнейших эволюциях не участвовал. В порядке эксперимента были опробованы различные типы и способы подключения детектора, в том числе и двухполупериодный мостовой, к отводу катушки, через емкость и несколько видов германиевых диодов. Как ни странно, принципиально, самая первая схема Рис. 11 с детектором Д9 без С, Сб и работающая на компьютерные АС оказалась самая работоспособная и громкая.
Фото 13. Экспериментам подвергнулся и способ подключения к антенне – через небольшую емкость (Рис. 11), напрямую к контуру. Неплохие результаты показала небольшая индуктивная связь с антенной – провод антенны скрутил в несколько витков и поднес к катушке контура.
Фото 14. Менее утомительный вариант индуктивной связи с антенной. В ряде случаев заземление можно было не подключать.
В результате ночных экспериментов получил работоспособный макет приемника для применения в нем экзотических видов детекторов. Получил некоторое представление о традиционной китайской лапше и бумаге для каллиграфии, а в сортах риса стал разбираться и вовсе недурно.
Babay Mazay, январь, 2023 г.



