Мысль сваять сей девайс крутилась в голове давно, но руки как-то не доходили. В закромах валялся без дела старенький смартфон LG K7, с Android 5.1 на борту и прилично уставшим аккумулятором.
Вообще то всё просто, Элджик будет выступать в роли медиаплеера в данной колонке, оставалось добавить усилитель и акустику, всё это запихнуть в единый корпус, по возможности компактно, с питанием от зарядного смартфона.
В закромах, также имелись динамики YTD511-06 10w 8om, от какого то телевизора.
Был заказан усилитель PAM8403 с питанием 5в, и гальваническая развязка по питанию 5в B0505S.

После ремонта остался обрезок вентиляционного канала 110х55мм.
Из него было решено делать корпус колонки.
Вырезал окно и вклеил внутри направляющие для смартфона, в направляющие предварительно установил болты для фиксации гаджета в корпусе.
На эти болтики будет крепится планка для удержания LG.
Кнопка включения телефона, и кнопки громкости у этой модели находится на задней стенке. Если кнопки громкости можно с помощью приложения вытащить на рабочий стол, то с кнопкой включения пришлось применить «анженерную» мысль.
Из корпуса шариковой ручки и обрезков пластика был изготовлен «удлинитель кнопки».

Динамики также пришлось доработать, не входили в корпус по длине. Во избежание попадания металлических опилок в магнитную систему динамика, заклеил их малярным скотчем и подогнал по длине на наждаке.
Вентиляционный короб не обладает достаточной жёсткостью, было решено установить внутрь корпуса колонки распорки из пористого ПВХ (рекламный ПВХ), конструктивно объединив их с динамиками.
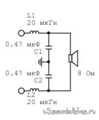
Для динамиков были изготовлены выходные фильтры.https://cxem.net/sound/tembrs/tembr75.php
На каком-то онлайн калькуляторе рассчитал многослойную катушку без сердечника на 20мкГн.
Пропилив отверстия под «удлинитель кнопки» и разъем питания, обклеил корпус кож замом, и стал собирать все комплектующие в одно целое.
Ножки колонки изготовлены из декоративных заглушек на шарниры стеклянных дверок для мебели (по две заглушки на ножку).

Также установил внешний микрофон от неисправной гарнитуры, четырех контактный миниджек использовал от неё же.
Вместо динамиков подключил вход усилителя.
Декоративную вставку для микрофона выточил из корпуса советского диода Д226.
По питанию усилителя поставил три конденсатора 1500мкф 10в и один керамику 0.1мкф. также в разрыв плюсового провода поставил дроссель изъятый из неисправной материнской платы ПК (конденсаторы на 1500мКФ изъяты из неё же), который был намотан на ферритовом кольце, тремя жилами 1мм медной проволокой, скрученной и спаяной на концах в одну жилу. Распаяв концы и получив в итоге три обмотки, соединил их последовательно.
Подзарядку смартфона подключил через гальваническую развязку B0505S. На общий вход питания (на разъем ), также установил один конденсатор на 1500мкф + керамику 0.1мкф, чтоб избежать цифровых помех по питанию усилителя. По поводу B0505S были сомнения, она рассчитана на выходной ток 200мА, думал будет сильно греться или бабахнет. Но в итоге все работает успешно, слегка теплая, и смартфону вполне достаточно для медленной подзарядки.
Питание на колонну организовано от зарядного устройства смартфона, мощностью 1А.
Гальваническая развязка необходима для разрыва земляной петли, что это за зверь расписывать не буду, в интернете полно информации по этому поводу.
Установив смартфон в корпус колонки, и подключив разъемы все заработало, звук для копеечного PAM4103 весьма неплохой, громкости тоже достаточно, правда не хватало басов. Установка приложения «Эквалайзер, усилитель басов» исправило положение. Также были установлены: он лайн радио – «Fmplay», «Вспомогательная кнопка громкости», голосовой помощник «Маруся», альтернатива Ютуб - SkyTube Extra (на Андроиде 5.1 Ютуб не поддерживаться), и приложение «Вращение экрана».
По игравшись с колонкой пару дней, решил закончить проект. Из пластмассы, ручным лобзиком, были выпилены грили для динамиков, и обтянуты акустической тканью.
Колонка уверенно поселилась на кухне, новости, музыка, видео, всевозможные рецепты от «Маруси», часы на экранной заставке, все это понравилось домашним, да и мне тоже.
Но капля дёгтя все же есть, крепление микрофона надо переделывать. Если «Маруся» включит музыку, то потом её затруднительно дозваться. Видимо колебания от динамиков передаются по корпусу на микрофон, надо изолировать микрофон от корпуса поролоном, и внутреннее пространство заполнить синтепоном. Из чего изготовить новую декоративную вставку пока не придумал, да и как всё это красиво совместить с поролоном тоже вопрос.


















