Всем привет!
Сегодня я вам представляю не законченный проект «Двигатель BLDC для УШМ», а результат совершенно случайного, интересного открытия.
По началу я хотел написать статью о том, как я закончил начатый проект с УШМ и запустил самодельный двигатель BLDC при помощи дешевого драйвера с AliExpress. Но потом, мне стало интересно, а как работает такой драйвер. И надо же такому случиться, в процессе изысканий неожиданно для себя сделал невероятное открытие, которое и выкладываю в общий доступ.
Оно, конечно же, никак не сможет повлиять на, что-то глобальное, но для тех, кто в теме, может быть интересно с этим ознакомиться. Суть изобретения заключается в том, что мною, экспериментальным путем было установлено и неоднократно подтверждено следующее.
Я утверждаю, что если взять два магнита разной полярности, расположенных вплотную один за другим, другими словами я взял ротор своего двигателя BLDC, то в месте пересечения их магнитных полей, присутствует нулевая зона которая никак не проявляет магнитных свойств, так называемая зона Блоха. В этой зоне отсутствует как южный полюс, так и северный. Скажите мягко, очередной треп, в интернете обмана и так хватает, а нет, читаем дальше.



Это состояние можно использовать как dead-time (мертвое время) в управлении мосфетами полумоста двигателя BLDC. Оно исчисляется, в моем случае, не микросекундами, а примерно полтора, двумя градусами вращения ротора. Так как это явление открыл я, то и название этому дать имею полное право. А назвал это «ЁЖкин dead-time»-))).

Двигатели BLDC сейчас делаются промышленностью и энтузиастами. Они в изготовлении просты кроме электроники. Ротор с магнитами вращается возле катушек статора. Управляют переключением фаз датчики Холла, разговор веду о таких видах двигателя.
Я применил А3144, все знают, а кто не знал теперь будет знать, что когда к датчику подносишь магнит, южный магнитный полюс открывает датчик со стороны надписи, а на северный он не реагирует. Вот схема, благодаря которой, это можно увидеть. Пока датчик закрыт, светодиод не светится. Как только южный полюс магнита начинает действовать на датчик, светодиод загорается. Этот эффект используют в управлении BLDC двигателя




Далее сигнал, если коротко, усиливается и поступает на полумост, мосфеты которого подключены к катушкам статора. И вот тут появляются проблемы, как бы быстро мосфеты не переключались, из за паразитного конденсатора, внутри их, они не успевают переключиться и между верхним, и нижним ключом появляется сквозняк, короткое замыкание, которое разогревает и палит мосфеты. Многие научные умы работали и работают над этим недостатком и очень даже преуспели. Для «закрытия форточки», то есть ликвидации сквозняка, возникающий в момент переключения верхнего и нижнего ключа, придумали драйвера, которые помогают быстро и безопасно переключать мосфеты. С этим хорошо справляется, например драйвер ir2101, хотя и не только, их так много, да и все они имеют стоимость примерно от 168 рублей. В интернете пишут, с ними схема получается рабочая, мотор колесо стабильно вращается.



Я тут пересмотрел свою раннюю статью «Решил вступить в клуб гринднанутых», там описывал, как запустил бесколлекторный самодельный двигатель при помощи двух аккумуляторов и полумоста. Хитрость заключалась в том, что задержка в работе мосфетов получилась при использовании двух датчиков Холла. Они находятся между разными магнитными катушками. При перемещении полюса датчики переключаются через задержку и в мосфетах не проскакивает сквозной ток. Правда, магниты между собой, имеют зазор порядка 10 миллиметров, я думал в этом и кроется секрет «мертвого времени» в этом двигателе.




Стал разбираться, экспериментировать, а что будет, если магниты расположить вплотную друг за другом? Магнитное поле без разрыва переходит одной полярностью в другую, ну и что, подумал я. Что умнее всех что ли. Если бы это работало, уже давно ученые это обнаружили. Долго я ходил вокруг да около полон сомнения, но наконец, решился на сомнительный эксперимент, надо же доказать хотя бы самому себе, что невероятное может быть очевидным. На монтажной плате установил рядом два датчика Холла, предварительно развернув их вокруг оси, относительно друг друга. Повесил по светодиоду как индикаторы на каждый Холл, подключил питание. Достал из УШМ ротор с магнитами и прокрутил его над датчиками.

Каково было мое изумление и удивление от увиденного, светодиоды начали светиться по очереди через паузу. Радости моей не было предела. Подумать только, все настолько оказалось элементарно простым. Если бы умные головы, при движении по лестнице изобретательства двигателя не перепрыгнули эту ступеньку, а потом, искали выход из вытекающих проблем, возможно стоимость двигателей и контроллеров были бы скромнее.
И почему до сих пор никому в голову не пришло, ведь все лежит на поверхности? Ну да это может работать только в двигателях управляемые Холлами, но все-таки.
Далее я решил закрепить полученный результат, возможно датчики не правильные, взял другие, закрепил их снаружи корпуса УШМ так, чтобы магнитное поле ротора облизывало датчики. Провернув вал, это вижу только я, или еще кто-то? Эффект повторился, светодиоды срабатывали через паузу.
Что произошло? Я этому не учился, пусть умные ребята ищут этому объяснение? Возможно, я ошибаюсь, но мнение у меня такое, когда два магнита разной полярности находятся вплотную, на пересечении магнитных полей присутствует миниатюрная нейтральная область, которую вы можете наблюдать в моих экспериментах, когда я применил два датчика на одну фазу. В этой зоне один датчик уже отключился, а второй еще не включился. Это готовое мертвое время для безопасного переключения верхнего-нижнего ключа. ========
Никто не будет опровергать полученные результаты? Теперь можно продолжать заниматься дальше.
Короче все разобрал, выдрал приклеенные Холлы, потом датчики переклеил между собой, развернув, относительно друг друга, и запихнул их опять внутрь УШМ между сердечниками катушек. Датчики каждой фазы проверяю через светодиоды, Холлы четко перебрасывают включение светодиодов через паузу, какой я молодец! Сигнальные провода и фазные вывел наружу, установил на УШМ редуктор.






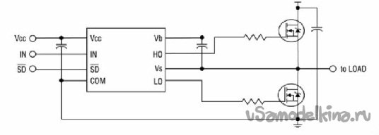
Можно заняться блоком управления, в интернета, нашел еще вот такую распространенную схему драйвера на рассыпухе. Накидав на макетной плате детали для одного полумоста, понял принцип работы. Не буду перепечатывать текст, прилагаю фото. Интересный вариант, но надо идти в магазин, а тут праздники, а давай ка думаю, соберу по проще, все равно тестовый вариант.


Покопался, мосфеты для нижних ключей IRFZ48N у меня имеются, посмотрел ценник, 148 рублей, напряжение пробоя сток-исток 55 В. Максимальное напряжение затвора 20 В. Ток стока 64 А.
И IRF4905 тоже нашлись, глянул ценник, 176 рублей напряжение затвор-исток (VGS) до ± 20 В, постоянный ток 74 А, пульсирующий ток до 260А, сопротивление в открытом состоянии – 0.02 Ом. Диоды, сопротивление и транзисторы КТ361 хоть и б/у в достатке. Мне же не нужно городить контроллер, в котором присутствуют тормоза, реверс, температура двигателя, и тем более выводить контроль на монитор.
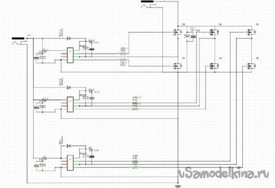
Полумосты собрал на каждую фазу по радиатору. Уменьшать радиаторы не стал, в будущем проекте буду усиливать мощность добавляя мосфеты. Все детали паяю в развернутый навес, образец опытный, да и скептики могут убедиться, что никаких драйверов с «мертвым временем» тут нет. Детальки все б/у, потому собираю и тут же проверяю. Для контроля работы датчиков, вдруг что-то пойдет со временем не так, впаял светодиоды. Датчики подключил к li-ion аккумулятору 4.2v, пусть будут защищены от индукции.




На мосфет IRF4905 отрицательный сигнал с датчика поступает на прямую, а на IRFZ48N сигнал преобразовывается в положительный транзистором КТ361. Для управления оборотами двигателя применил ШИМ на НЕ555, когда собрал схему, ШИМ сигнал оказался слабым не выше шести вольт. Это я поправил двумя транзисторами PNP и NPN.



Когда все спаял, решил запустить на камеру, вывел потенциометр в ноль, подключил питание. Нечего не бахнуло, полет нормальный. Увеличиваю ШИМ обороты, мотор ускоряется, шестерни насухо завыли, обороты на вид и слух явно за 12000. Выключил питание, перевел дух. У меня все получилось!!! Думаю, включу еще раз и запишу как отрезаю кругом шуруп. Не убрав обороты, воткнул аккумулятор. Мотор резко рванул, через секунду раздался звук похожий на выстрел и вал заклинил. С испорченным настроением стал выключать камеру, хоть что-то отснял, а она не была включена.
Снял редуктор, потянул ротор, а там… Короче клей оказался полным дерьмом. При резком старте, один магнит видать оторвался центробежной силой и его, что-то раскололо пополам, ну а
он уже собрал весь подвес ротора в кучку. Даже сердечники статора сдернуло и забило на одну сторону к стенке корпуса, прозвонил мосфеты, целы.




Ротор я восстановил, залил магниты смолой. А заодно обнаружил обрыв провода в двух катушках и еще перебило провод одного датчика. Перемотаю статор позже.


Жаль не увидели, как полумосты включили УШМ. Единственное, что могу сейчас, так это продемонстрировать только переключение фаз с ЕЖкиным «dead-time» эффектом.




Можно подытожить, двигатель как бы, то не было, запустился. Я обошелся без китайских драйверов и в тоже время имею очень простое «мертвое время» при переключении низкого и высокого уровня в работе полумостов. Да этот трюк возможен только в двигателях, управляемых датчиками Холла. Но, тем не менее, теперь каждый может попробовать собрать BLDC двигатель для своих нужд и без проблем запустить его, добавив предложенный мною вариант то, что сочтет нужным.
Не благодарите -))).


















