В самообразовательных целях решил изобрести зарядку для пальчиковых аккумуляторов и обычных батареек. Схема придумана мной лично, есть ли подобные я не знаю, все похожее – не более чем простое совпадение. Чужие схемы мне интересны разве что для изучения принципа работы, а вот повторять мне их не интересно, куда интереснее придумать что-то свое из головы и потом когда это у тебя работает в реальном мире – вот оно, настоящее удовольствие и поднятие самомнения!
Схема представляет собой нечто на подобие «реле напряжения», то есть все просто отключается при поднятии напряжения на аккумуляторе до заданного предела. На удивление, все работает очень точно и стабильно, максимальный разброс при зарядке около 0.1-0.2В
Материалы и инструменты:
Материалы:
- мосфет (у меня IRL3704S);
- светодиод;
- длинноходный подстроечный резистор (у меня 5К)
- кнопка;
- провода;
- резистор 27Ом (не менее 1Вт мощности);
- резисторы 1к, 460 Ом, 51К (точность не важна);
- отсек для установки батареек.
Инструменты:
- паяльник;
- мультиметр.
Процесс изготовления:
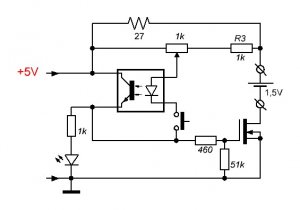
Шаг первый. Принципиальная схема
Сначала изучим схему, в ней можно увидеть мощный резистор 27 Ом, он ограничивает максимальный ток зарядки аккумулятора, источником питания служит зарядка телефона на 5В.
От этого резистора, за счет падения напряжения под нагрузкой, питается светодиод оптопары. В свою очередь оптопара держит открытым мосфет.
Когда напряжение на аккумуляторе поднимается, на резисторе оно падает, в итоге образуется момент автоматического отключения схемы. Точность настройки на напряжение отключения регулируется длинноходным подстроечным резистором.
Включается схема нажатием на кнопку, так мы принудительно открываем мосфет. После отключения схемы, она сама уже не включается независимо от напряжения на аккумуляторе.
Шаг второй. Приступаем к сборке
Сборку я произвел на небольшой монтажной плате под пайку. Это куда проще и надежнее чем паять все на проводах. Теплоотвод для мосфета тут не нужен, нет таких мощностей, да и работает он в полностью открытом состоянии.
Спал все немного криво, не учел дорожку под «минус», поэтому пришлось его кинуть сверху, ну да ладно, не все же с первых раз делать идеально! К тому же я при пайке просто импровизировал.
Шаг третий. Испытания
При первом включении схему нужно откалибровать под нужное напряжение, проще всего это сделать старой обычной батарейкой, она быстро заряжается и разряжается, так можно подобрать нагрузочный резистор или использовать в качестве нагрузки транзистор и так далее.
Калибруется самоделка очень легко и точно! Для зарядки простых батареек (не аккумуляторов) напряжение на них нужно поднимать до 1.7-1.8В. Конечно, работает обычная батарейка потом не сильно долго, но при небольших нагрузках еще послужит.
Для зарядки аккумуляторных батареек я использую напряжение 1.5В, так обеспечивается полный заряд аккумулятора, после «остывания» он составляет 1.4В.
Для ограничения тока на каждую батарейку нужно ставить отдельный резистор, ну или один мощный. Так можно заряжать аккумуляторы последовательно.
Если схему перевести на питание 9-12В, можно заряжать более широкий диапазон аккумуляторов.










