
Добрый день, я продолжаю заниматься Arduino в свободное время, и на этот раз написал инструкцию по изготовления небольшой метеостанции. Она будет выполнять функцию часов с датой и показывать температуры внутри и снаружи помещения. Как основной контролер будем использовать Arduino UNO, но подойдет и другая плата с Atmega328p на борту. Для отображения используем графический экран WG12864B. Также подключим два датчика температуры ds18b20. Один внутри помещения, второй вынесем наружу. Начнем.
В процессе изготовления самоделки нам понадобится:
- Arduino UNO (Или любая другая Arduino совместимая плата)
- WG12864B графический экран
- ds18b20 датчик температуры, 2шт
- Блок питания 6 – 12 В
- Резисторы 4.7 Ком 0.25 Вт, 2 шт.
- Резисторы 100 ом 0.25 Вт
- Батарейный отсек для 4 батареек типа ААА «мизинчиковых»
- Коробка от картриджа приставки SEGA
- Изолента
- Соединительные провода
- Монтажная плата
- Кнопки
- Канцелярский нож
- Паяльник
- Припой, канифоль
- Двусторонний скотч
Шаг 1 Подготовка WG12864B3.
Тех, кто не работал до этого с экранами, может напугать большое количество модификаций, с виду одинаковых, экранов. Немного поясню. Большинство экранов такого типа работают на микросхемах ks0107/ks0108. Все экраны можно раздлить на 4 типа:
Вариант A: HDM64GS12L-4, Crystalfontz CFAG12864B, Sparkfun LCD-00710CM, NKC Electronics LCD-0022, WinStar WG12864B-TML-T
Вариант B: HDM64GS12L-5, Lumex LCM-S12864GSF, Futurlec BLUE128X64LCD, AZ Displays AGM1264F, Displaytech 64128A BC, Adafruit GLCD, DataVision DG12864-88, Topway LM12864LDW, Digitron SG12864J4, QY-12864F, TM12864L-2, 12864J-1
Вариант C: Shenzhen Jinghua Displays Co Ltd. JM12864
Вариант D: Wintek- Cascades WD-G1906G, Wintek — GEN/WD-G1906G/KS0108B, Wintek/WD-G1906G/S6B0108A, TECDIS/Y19061/HD61202, Varitronix/MGLS19264/HD61202
Выглядят они почти одинаково. Но пины подключение у них разные. Я выбрал, и вам рекомендую, WG12864B3 V2.0, но если экран пришел другой, или просто под руками такого нет, вы легко разберётесь с помощью таблицы:

Вкратце характеристики:
В интернете много разных схем подключения, и все вроде как рабочие. Все дело в том, что существуют не только разные экраны, но и два способа их подключения: последовательный и параллельный. При использовании подключения по последовательному порту – нам понадобится всего 3 выхода микроконтроллера. При параллельном минимум 13. Выбор в данном случаем очевиден, у Arduino и так не много выводов. Для параллельного соединения схема подключения следующая:
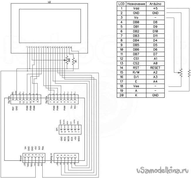
Для последовательного подключения, которое будем использовать мы, схема следующая:
WG12864B – Arduino UNO
1 (GND) - GND
2 (VCC) - +5V
4 (RS) – 10
5 (R/W) – 11
6 (E) – 13
15 (PSB) – GND
19 (BLA) – через резистор 100 Ом - +5V
20 (BLK) – GNDДля регулировки контраста на экране должен стоять потенциометр. Бывают экраны и без него, но это сейчас редкость:

Резистор в 100 Ом нужен, чтобы напряжением в 5 вольт, случайно не сжечь диоды подсветки.

Шаг 2 Изготовление корпуса.
Для корпуса возьмем коробку от картриджа приставки Sega. Если не найдете под руками эту коробку, можно использовать и другой корпус. Главное, чтобы в него поместился экран и Arduino.

Срезаем прозрачную пленку, сверху коробки, так чтобы не оставалось кусков:

Затем, используя канцелярский нож, вырезаем окошко размером 37х69, для экрана.

С обратной стороны по краю выреза клеим двусторонний скотч, желательно черного цвета:

Снимаем защитную бумажку со скотча, и приклеиваем на него наш экран:

С внешней стороны должно выглядеть так:

Ниже экран, также на двусторонний скотч, крепим Arduino, сделав предварительно вырезы под USB- порт и гнездо питания:

Вырезы под гнезда Arduino надо делать с двух сторон коробки, так чтобы она могла свободно закрываться:

Шаг 3 Датчики температуры.
Мы будем использовать цифровые датчики температуры DS18B20. Используя их мы получаем большую точность измерения, погрешность не более 0,5 °C, в большом диапазоне температур -55 … + 125 °C. Кроме этого, датчик цифровой и все вычисления выполняет сам, а Arduino просто получает готовые показания. При подключении этого датчика не забывайте о подтягивающем резисторе, номиналом 4.7 КОм, между контактами DQ и VDD. Также возможно несколько вариантов подключения. С внешним питание, на мой взгляд лучший вариант, его и будем использовать:

Если хотите можете использовать режим паразитного питания:

Или улучшенный вариант паразитного питания:

При любом варианте питания, датчики подключаются параллельно:
Датчик замера температуры внутри помещения разместим на маленькой плате вместе с двумя кнопками, которые мы будем использовать для установки времени и даты часов:

Общий провод от обоих кнопок подключаем к GND, провод от первой кнопки подключаем к A0, от второй к A1.
Крепим на двусторонний скотч рядом с Arduino:

Датчик, который предполагается размещать снаружи помещения, лучше выбирать в металлическом, пылевлагозащитном корпусе:

Рассчитайте провод необходимой длины, чтобы можно было вывесить датчик снаружи окна, главное, чтобы он был не больше метров 5, если нужна длина больше, надо будет уменьшать номинал подтягивающего резистора.
Провод от шины данных DQ обоих датчиков подключаем к pin 5 Arduino.
Vdd - +5 Arduino.
GND – GND Arduino.
Шаг 4 Питание.
Для питания можно использовать блок питания напряжением от 6 до 12 вольт. На конце провода блика питания следует напаять штекер, подходящий к гнезду питания Arduino:

Или можете поместить в корпус батарейный отсек для четырех батареек типа «ААА», «мизинчиковые». И подключить плюсовой провод от отсека к Vin Arduino, а минус к GND.
Шаг 5 Подготовка среды программировании.
Для начала необходимо скачать и установить Arduino IDE с официального сайта
А также добавить в две библиотеки, необходимые для скетча. OneWire – необходима для связи с датчиками ds18b20:
U8glib – используется для вывода информации на экран:
Скачиваем библиотеки. Затем распаковываем архивы, и перемещаем содержимое архивов в папку «libraries», находящуюся в папке с установленной Arduino IDE. Также можно добавить библиотеки через Arduino IDE. Для этого, не распаковывая архивы, запускаем Arduino IDE, выбираем в меню Скетч – Подключить библиотеку. В самом верху выпадающего списка выбираем пункт «Добавить .Zip библиотеку». Указываем место нахождения скачанных архивов. После всех действий, необходимо перезагрузить Arduino IDE.
Шаг 6 Редактирование скетча.
Датчики температуры работают по протоколу One Wire и имеют уникальный адрес для каждого устройства - 64-разрядный код. Добавлять команды поиска датчиков в скетч не целесообразно. Незачем нагружать Arduino каждый раз икать датчики. Поэтому вначале, собрав все вместе, заливаем в Arduino скетч, находящийся в меню Файл – Примеры – Dallas Temperature – OneWireSearch. Затем запускаем Инструменты - Монитор порта. Arduino должна найти наши датчики, написать адреса и показания температуры. Эти адреса необходимо записать или просто скопировать куда-нибудь. Теперь открываем скетч Ard_Tic_Tak_WG12864B_2_x_Term_Serial, и ищем строки:
byte addr1[8]={0x28, 0xFF, 0x75, 0x4E, 0x87, 0x16, 0x5, 0x63};//адрес внутреннего
byte addr2[8]={0x28, 0xFF, 0xDD, 0x14, 0xB4, 0x16, 0x5, 0x97};//адрес внешнего датчикаЗаменяем адреса соответствующих местонахождению датчиков, на свои адреса.
У нас часы не используют модуль RTC (часы реального времени), поэтому необходимо откорректировать ход часов. Для удобства раскомментируйте строку (на экране появятся секунды):
//u8g.setPrintPos( 44, 50); u8g.print(sek); // Выводим секунды для контроля правильности ходаУстановите правильное время, через монитор порта. Для этого откройте монитор порта, дождитесь окончания первоначальных замеров температуры, и введите текущую дату и время в формате "день, месяц, год, часы, минуты, секунды". Без пробелов, числа разделяем запятыми или точками.
Если часы спешат, меняем значение на большее, рекомендую экспериментировать с шагом в 100 единиц. Если отстаю следует уменьшить значение в строке:
if (micros() - prevmicros >494000) { // поменять на другое для корректировки было 500000Опытным путем определяем число, при котором часы идут достаточно точно. Для определения точности хода и нужен вывод секунд. После точной калибровки числа, секунды можно закомментировать и таким образом убрать с экрана.
Заливаем скетч.


Становитесь автором сайта, публикуйте собственные статьи, описания самоделок с оплатой за текст. Подробнее здесь.





