Здравствуйте, уважаемые посетители сайта «В гостях у Самоделкина».
У меня есть одна неприятная проблема - очень сильно мёрзнут руки. Возможно, причина в том, что в молодости они у меня были сильно обморожены. Но, как только становится прохладно, я с этим мучаюсь. Руки сильно зябнут, пальцы белеют и теряют чувствительность. Особенно, если они мокрые... Но быстро и "отходят", стоит мне погреть их, к примеру у открытого огня. Работая на своей стройке, я решал эту проблему, открыв дверцу своего самодельного "Булерьяна" и согрев кисти пред огнём. Но вот, я запустил систему отопления, и в доме не стало источника открытого огня. Спасался тем, что грел руки на полотенцесушителе. Но, всё-же, намного быстрее и приятнее это делать посредством инфракрасного излучения, а не теплопроводности... )))). И у меня возникла мысль сделать какое-то устройство, которое заменило бы огонь в этом плане... Продумал множество "проектов" и остановился на том, что соберу излучатель из ламп накаливания, которых много осталось лежать у меня в запасе ещё с тех пор, как только появились светодиодные. В качестве корпуса, думалось использовать люминесцентный светильник для потолка типа "Армстронг", выбросив четыре лампы-трубки и установив вместо них множество патронов Е-27 с лампами накаливания....
Мыслей было много, да времени на их воплощение не было.... И, смирившись с этим, я решил просто купить инфракрасный обогреватель. Выбор пал на недорогой китайский девайс:
Греет он посредством двух спиралей, расположенных в кварцевых трубках.
Такие, только с более длинными нагревательными элементами, выпускались ещё в СССР и я помню, как хорошо он грел. Когда-то, я, даже, умудрялся жарить картошку на таком обогревателе, задрав его решёткой вверх и поставив на него в роли сковородки "цинк" от патронов 5,45х39, который был как раз подходящих размеров! ))))
Но один из моих знакомых меня отговорил покупать это изделие, сразу замахав руками. Мол, он тоже думал, что это - аналог того, советского, и купил точно такой-же. А обогреватель благополучно перегорел, отработав чуть больше одного месяца! (Справедливости ради, не хочу делать антирекламы! Возможно, причина в другом - тот-же знакомый говорил, что в розетках у него всегда было 230 вместо 220-ти, а, когда везде изменили напряжение на такой стандарт, у него стало 240 и выше!)
Послушав его, я передумал покупать, но попросил отдать мне перегоревший, если ещё не выбросил.
В общем, ко мне обогреватель попал, хоть и с родной упаковкой, но и с перегоревшими обоими спиралями!)))
И я решил использовать его корпус для своей самоделки. Времени опять не нашлось... И вот, только сейчас, когда уже началось лето и эта проблема перестала быть актуальной, я, наконец-то нашёл свободный вечер... Ничего... Будут ещё зимы!..Пригодится ещё! ))))
Вот что мне понадобилось:
1. Перегоревший китайский обогреватель.
2. Керамические патроны Е27.
4. Лампы накаливания ЛОН-150 Е27.
5. Клавишный (рокерный) переключатель на три положения (шестиконтактный).
6. Провод РКГМ 1х2,5.
Как, думаю, вы уже поняли, я собрался использовать в качестве нагревающих элементов лампы накаливания. Лампа накаливания, сама по себе, нагревательным прибором является в значительно большей степени, чем осветительным. А, если снизить напряжение, тем самым, заставить светиться её спираль не так ярко, мы "убиваем двух зайцев" - на порядки возрастает срок службы и значительно повышается КПД как нагревателя. (Это связано с тем, что спектр излучения "тускло горящей" лампы накаливания смещается "в красную" (тепловую) сторону.
Достичь этого можно без каких-то специальных устройств. Просто, соединив две лампы последовательно. Единственный минус этого - вдвое снижается их мощность.
Порывшись в запасах ламп накаливания, которые так и остались невостребованными, я нашёл много ламп, мощностью 60 Ватт, несколько "соток" и четыре "стопятьдесятки". Физически в корпус помещалось или шесть "шестидесяток", или четыре мощных. Прикинув, что шестидесятки, при попарном последовательном соединении, мне дадут суммарную мощность всего 180 Ватт, я выбрал четыре лампы по 150 Ватт каждая. Так получается 300 Ватт... Маловато, но, всё-же получше.
Обратил внимание на то, что, если расположить лампы попарно "головой друг к другу", то завернуть их я не смогу, потому что колбы почти соприкасаются. Лампы, горящие вполнакала, скорей всего, не перегорят никогда, но мало ли.... Из этих соображений решил сделать патроны съёмными. Взял в своих запасах четыре дешёвых, самых простых керамических патрона Е-27.
А для того, чтобы их смонтировать, просверлил в тоненьком металле отражателя ступеньчатым сверлом отверстия, диаметром в половину диаметра патрона, их края разрезал "солнышком" и просто вдавил патроны, с уже вкрученными в них лампами:
Крепление получилось не особо крепким, но деваться лампе оттуда просто некуда! Её колбы вплотную лежит на отражателе, с другой стороны прижимается защитной сеткой. Вперёд высунуться не даст вторая лампа, назад - утолщение "юбки" патрона.
Лампы закреплены. Теперь нужно коммутировать. И тут в голову пришла мысль сделать "два в одном". Пусть это будет не только рукогрейка, но и достаточно мощный светильник.. Ведь, если добавить возможность включения всех четырёх ламп параллельно, мы получим шестисотваттный прожектор!
На корпусе обогревателя стояли два клавишных выключателя - каждый включал свою спираль. Использовать их не получится. Разве что через реле!)))). Порывшись в запасах "электропричиндалов", нашёл вот такой рокерный выключатель на три положения (шестиконтактный)
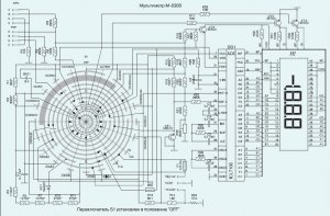
Как-то так быстро "нарисовалась" вот такая схема:

Т.е., это я её уже сейчас в "пейнте" культурно перерисовал с бумажки))). А тогда карандашом накидал с чёрканьями и исправлениями...)))))
(Кстати, про саму схему. Как-то вот "взял, нарисовал, собрал и работает"... Но что-то ворочается в голове, что можно было попроще!... А думать не хочется... Так что, можете критиковать и предлагать свои варианты. Послушаю с удовольствием...
П.С. Ардуино не предлагать!
Тумблер не входил в отверстие от старого. Поэтому пришлось ножом его расширить:
Теперь входит... А второй? Был бы этот новый на два положения, можно было бы на второй общее включение подвесить, оставив на новом только переключение режимов. Но, так как в новом и так есть положение "выкл", то старый просто не нужен! Пусть просто дырку закрывает!))))
Теперь пора коммутировать. Нашёлся обрывок провода РКГМ, и, хоть и это у меня не полноценный калорифер, греться сильно не будет, но, решил развести именно им! Паять что-то уж больно не хотелось. Поэтому использовал вот такие обжимные клеммы:
И вот тут произошёл казус... Было уже, правда, достаточно поздно, и я был уставший после тяжёлого дня на работе, но... Я делал ошибку за ошибкой, присоединял не те провода и не к тому... Короче, "клин поймал".)))) Благо, я всегда перед включением проверяю досконально. Тупо ведя пальцами по проводу и проговаривая вслух (!)... И каждый раз я находил "косяк"... Не знаю, что это было, но, в итоге, после того, как собрал "вроде-бы, правильно"..... "Да не-е!!!... Ну точно уже правильно!..."... Я побоялся его включать!!! Ушёл спать!!!
А утром глянул... Всё и правда, верно. Включил....Работает!
Ну что скажу?... Мощности, конечно, хотелось бы побольше! Но, благодаря тому, что практически все жалкие триста Ватт передаются именно посредством теплового излучения, тепло при приближении рук на сантиметров десять-пятнадцать, чувствуется достаточно сильно! И тепло такое....приятное, что-ли... Как от костра! При перключении в режим прожектора, конечно, ощутимо теплее! Но и жрёт он тогда вдвое больше!
(Извините, нет снимка в этом режиме! Просто, не получилось сфотографировать так, чтобы было понятно, что это.)))). На снимке - пятно яркого света.))) Корпуса не видно...
Решил не вставлять в статью. Зато в "режиме рукогрейки" оно на фото получается хорошо )))):
Собственно говоря, что хотел, то и получил! Руки погреть очень даже можно. Особо хорошо то, что ждать прогрева практически не нужно - включил, и сразу оно греет.
Опять-же, можно использовать для подсушивания окрашенных, или склеенных материалов. Ну и как мощный источник света, тоже, думаю, пригодится!
Становитесь автором сайта, публикуйте собственные статьи, описания самоделок с оплатой за текст. Подробнее здесь.























