Поскольку данный ЛБП (скорее всего), являлся «оригинальной основой» ранее собранного достаточно популярного китайского конструктора с аналогичными параметрами (но слегка упрощенной схемой), было интересно собрать «оригинал» (т.к. при эксплуатации китайского варианта всё-таки «удалось убить» выходную пару транзисторов при КЗ).
Идея была уложиться в размер п/п на одностороннем стеклотекстолите 100х100мм (исходя из его стоимости и наличия готовой «нарезки» в ближайшем магазине). Т.к. оригинальная п/п из журнала и варианты п/п найденные на просторах интернета имеют размер 80х135мм т.е. выходят за 100мм, пришлось рисовать свои варианты п/п, сразу добавив на одну из них стабилизатор на 12 вольт (нужно было 2 платы ЛБП со своими нюансами).
В данной конструкции было использовано:
- Вентилятор 80х80 12V 0,2A.
- Радиатор.
- Стеклотекстолит фольгированный односторонний 100х100х1,5мм
- Крепеж М3.
- Провод монтажный.
- Трубка термоусадочная.
- Радиодетали согласно схеме.
- Стойки для плат высотой 10мм с резьбой под винт 3мм.
Из инструментов использовалось:
- Дрель на стойке.
- МФИ «Dremel» на стойке.
- Паяльник
- Отвертки, кусачки и т.д.
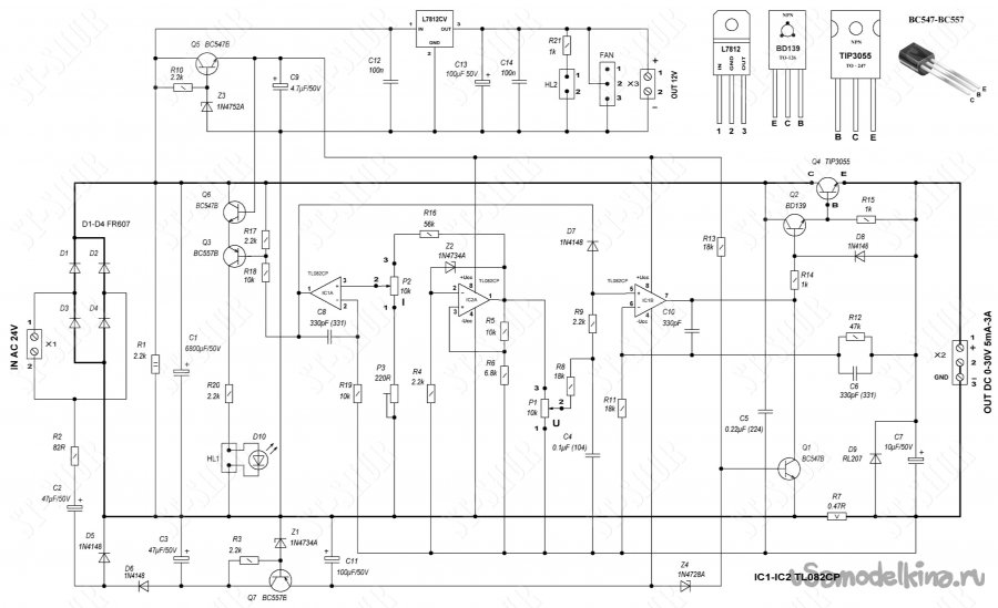
Собранная схема с учетом использованных в конструкциях деталей.
Вариант №1 собран на стеклотекстолите размером 100х100мм, где к оригинальной схеме добавлен простейший стабилизатор на 12В (для питания вентилятора, ампер-вольтметра и прочих возможных «дополнений»). Так же установлены более мощные выпрямительные диоды (на 6А) и конденсатор С1 большей емкости (6800мкф на 50В). Данный вариант платы предусматривает подключение выходного транзистора Q4 с помощью проводов.
Вариант №2 собран на стеклотекстолите размером 84х84мм. Размер платы, расположение крепежных отверстий, положение контактов выходного транзистора Q4, соответствует расположению этих элементов на плате ранее собранного китайского конструктора, что облегчает замену одной платы на другую, без изменения конструкций крепежа в корпусе ЛБП.
Ранее собранная плата китайского «Diy Kit» конструктора.
Выпрямительные диоды заменены мостом KBU810 (на 8А), который может располагаться в одной плоскости с выходным транзистором. Это достаточно удобно при их монтаже на общий радиатор. В данном варианте п/п стабилизатор на 12В на плате не предусмотрен. Хотя устанавливается без проблем, на общий радиатор (в случае необходимости) благодаря использованию клеммной колодки «KEFENG KF-7.62» открытого типа.
Компоновка деталей получилась достаточно свободной на обеих платах. Минимальная ширина дорожек 1,5мм - поэтому при необходимости, удобно рисовать «красковым» маркером.
Для удобства проверки получившихся плат ЛБП (да и на будущее) был сделан своеобразный набор из регуляторов и индикаторов.
С целью избавиться от «рабочего бардака» на столе, по быстрому на обрезке ЛДСП был «сколочен» своеобразный стенд. На нем были закреплены: имевшиеся в наличии трансформаторы, радиатор, вентилятор, клеммная колодка и держатель для переменных резисторов (с расчетом на возможность использования в будущем).
Два одинаковых трансформатора соединены параллельно. Обе платы проверялись на простой активной нагрузке и электронной нагрузке. Благодаря использованию клеммных колодок процесс проверки был достаточно удобен, хотя для постоянной работы (по моему мнению) все же предпочтительна пайка.
При проверке получился результат (в режиме ХХ):
- Входное напряжение с трансформаторов 19В (плата подключена, вентилятор работает).
- Напряжение на конденсаторе С1 и соответственно на выходе моста 22,9В.
- Регулируемое напряжение на выходе Х2 от 0В до 20,1В.
- Ток КЗ 3,4А (при регуляторах в максимальном положении).
Параметры схемы ЛБП приведенные разработчиками (в оригинальном виде, поскольку в интернете иногда встречается некоторое искажение информации).
Вместо указанного в оригинале схемы транзистора Q4 2N3055 в металлическом корпусе TO-3 использован аналог TIP3055 в пластиковом корпусе TO-247 (т.к. удобнее крепить к радиатору, да и стоит дешевле). Так же применены более сильноточные диоды выпрямителя, что уменьшает их нагрев.
После промывки и проверки работоспособности, платы со стороны дорожек были обработаны электроизоляционным лаком «PLASTIK-71».
С помощью многооборотного подстроечного резистора P3 выставляется минимальный ток. У меня пока выставлен ток 20 mА, что достаточно удобно при проверке светодиодов.
В отличии от китайского конструктора (с немного упрощенной схемой цепей стабилизаторов), данные платы ЛБП «убить» с помощью КЗ (по крайне мере пока) мне не удалось.
Если что-то в описании упущено, надеюсь, эти нюансы можно рассмотреть на представленных фото. Заранее прошу прощения за возможные ошибки и опечатки.
Если нужна дополнительная информация, пишите на почту, постараюсь обязательно ответить. Отзывы, идеи, предложения по улучшению конструкции и комментарии приветствуются.
Май 2022г.
Станислав Шурупкин.
Email: st-shur@mail.ru
Становитесь автором сайта, публикуйте собственные статьи, описания самоделок с оплатой за текст. Подробнее здесь.


























