Всем привет. Сегодня я предлагаю вам познакомиться с очередным вариантом преобразователя напряжения с 12 вольт на 220 вольт, да в интернете море подобных самоделок, но этот вариант собран при помощи мной придуманного Н-моста. При такой сборке, можно отказаться от трансформатора, в котором вторичная обмотка имеет средний вывод, а применять обыкновенный понижающий трансформатор. Не могу утверждать, что у меня получился мощный преобразователь, так как не имею в наличии достойного трансформатора для эксперимента.
Если статья заинтересует, будьте осторожны при повторении, так как присутствует высокое напряжение.
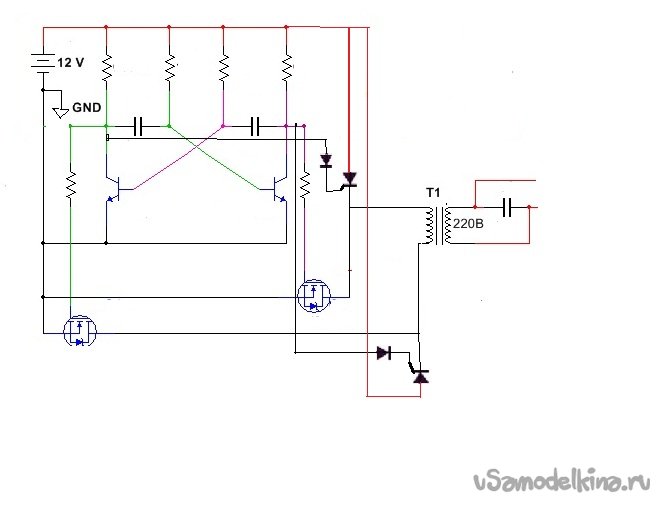
Но начнем по порядку. Я улучшал схему управления работы самодельного бесколлекторного мотора, добавил два транзистора КТ818, они отрицательный сигнал с микросхемы, в которой находится датчик Холла, преобразуют в положительный. Он в свою очередь открывает мосфеты и напряжение с аккумуляторов напрямую подключается то к одному выводу обмоток электродвигателя, то к другому, заставляя вращаться ротор. Хотел сделать красиво, все по геометрии, но бывшие в употреблении резисторы все скомкали. Мосфеты удвоил в количестве и на каждый канал выделил по отдельному радиатору
В прошлой статье я описывал бесколлекторный электродвигатель. Так вот в процессе улучшения его параметров, поймал себя на мысли, что мне приходилось сталкиваться с чем-то подобным, а именно, обмотки катушек электродвигателя, такие как у трансформатора применяемого радиолюбителями в преобразователях напряжения. В интернете много таких самоделок, наверно, только ленивый не пытался их собирать. Авторы применяют микросхемы или мультивибраторы, которые выступают в роли задающего генератора они же и управляют полевыми транзисторами.



Короче отложил движок на время и продолжил развивать тему с преобразователем на свой лад. Идея была отказаться от трансформатора с центральным выводом на вторичной обмотке.

Но в то же время амплитуду колебаний подрезать не хотел. Тут то и пригодился придуманный ранее мною Н-мост, если кто не знает, Н-мост, это приспособление, которое управляет вращением электродвигателя в одну сторону, или в другую, управляющим сигналом , я его описывал не так давно.






К управляющему блоку от бесколлекторного электромотора, пока он временно освободился,
я добавил два маленьких тиристора. Только не надо тут «хи- хи» и плеваться, какие были под рукой, те и применил.
Долго думал, как просверлить пластинку алюминия толщиной 4 мм, уже хотел обсверлить по контуру, потом напильником доработать. А как то утром полез в кладовку и наткнулся на сборное сверло с победитовыми пластинами. И так это легко получилось, как будто сверлил не алюминий, а дуб.

В итоге, после сборки и пайки получил Н-мост. Принцип его работы простой. Когда управляющий сигнал, он у меня 12В, поступает на вход Н-моста, у меня сразу полностью открывается пара: полевой транзистор и тиристор, что исключает их разогрев.
Сам тиристор, когда включился, не отключается, при отсутствии управляющего сигнала. Даже полевой транзистор не разорвет цепь питания. Тиристор будет подпитывать затвор транзистора. Исправит это обыкновенный диод, припаянный к управляющей ножки тиристора.
Проверил Н-мост, полюса питания перебрасываются исправно, да и запас мощности получился приличный. На каждое плечо по два полевых транзистора IRFZ48 по 50А и тиристор Т171-320-13 низкочастотный 320А
Провел эксперимент, на выход Н-моста подключил свой двигатель, два провода обмоток соединил вместе. На вход мосфетов подал поочередно положительный импульс с частотой, которую смог выдать вибрацией руки. Получил переменное напряжение 12 вольт, которое раскрутило двигатель.

Ну если переменное напряжение можно получить болтая кистью руки, то если применить генератор импульсов, получаем стабильное напряжение. Для своего преобразователя в качестве генератора я использовал микросхему с датчиком Холла, два магнита и электродвигатель.
Микросхема оказалась ну уж очень китайская ( бракованная). Когда магнит находится возле датчика, микросхема переключала канал, а как только магнитное поле переставало действовать,, сразу все возвращалось в исходное положение, а вообще то включенный канал должен переключиться только магнитом с другой полярностью. Пришлось развернуть один магнит, воздействуя на датчик двумя магнитами одинаковой полярности, все уравновесилось. Заодно раскручивать двигатель с магнитами теперь можно не до 3000 оборотов, а до 1500, что бы получить 50 Гц. Частоту генерации настроил на слух, через динамик, точность не очень, ну так тут и не госприемка вроде
Подключил генератор к Н-мосту, накинул питание. Тестер показал переменное напряжение. Через конденсатор три мкф подключил светодиоды. Они зажглись, напряжение показало двенадцать вольт. Наверное все знают, что через конденсатор постоянный ток не течет, а светодиоды загорелись...
Значит можно попробовать подключить трансформатор. На глаза попался трансформатор вроде от радио точки. Втыкать в розетку не рискнул, побоялся «БУХ» спровоцировать. Но к сборке подключил, так он даже выдал сто двадцать вольт.

Пошел искать, порывшись по сусекам, нашел еще два. Один гном вообще не внушил доверия, а второй – когда другого варианта нет -… Да поистрепались запасы.
В качестве нагрузки решил взять лампу не светодиодную, а накаливания шестьдесят ватт, все спаяв, подключил к аккумулятору. Лампа вспыхнула ярко, Замерил полученное напряжение, оно оказалось 238 вольт.
Вот не знаю то ли оставить его для просадки под нагрузку помощней, то ли поиграть частотой вращения мотора генератора. И еще, взаимодействуя магнитным полем у датчика Холла, генерируется синусный или прямоугольный импульс?
В итоге я собрал единственный с своем роде повышающий преобразователь 12-220, используя генератор импульсов, Н-мост и обыкновенный понижающий трансформатор.
P.S. Если кому интересно, зачем впаял конденсатор перед трансформатором?
В классе шестом собрал я велосипед и двигатель Д-6 со свалок металлолома, Ну мы тогда металл школами собирали. Так вот не мог я зажечь фару и габарит. Включаю освещение, а мотор сразу глохнет, через нить накала КЗ на массу, Посмотрел у корешков, в фарах дроссель. Ну тогда и воткнул конденсатор в разрыв цепи. И стал я видеть, куда еду ночью и меня стало видно на дороге…





























