Проигрыватель для флешки имеет также функцию BT (Bluetooth) - приёмника, но в отсутствие BT - передатчика этот режим работы ПДФ пока не проверялся.
Рисунок 01.
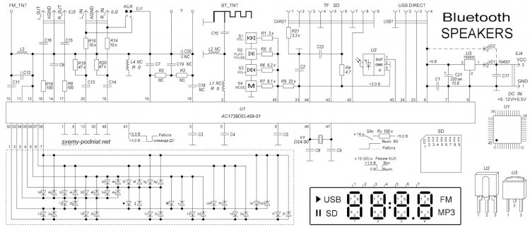
Пытаясь найти информацию по приобретённому модулю, наткнулся на интересную схему. Это (рисунок 1) одна из максимально приближённых схем, найденная к большому количеству вариантов так называемых Bluetooth SPEAKERS (блютус спикеров). Покупка модуля сделана в уже проверенном интернет-магазине MCU Store.
Главная отличительная особенность ПДФ - в использовании готового модуля и минимального количества дополнительных компонентов: гнезда для ГТ (головных телефонов) и кабеля питания.
Вторая отличительная особенность ПДФ в том, что в корпусе ПДФ имеется свободное место для дооснащения и дальнейшей модернизации изделия.
Основной недостаток модуля - сравнительно большой потребляемый ток, что не позволяет сделать в ПДФ автономное питание.
Рисунок 02.
В состав заказанного Bluetooth SPEAKERS (Модуль MP3/Bluetooth/FM плеер с пультом ZTV-M01BT69, 1шт. x 575р. = 575р.) вошли два пакета:
1). Модуль «Bluetooth SPEAKERS».
2). Пульт ZTV-M01BT69.
3). Провод с разъемом для подключения питания.
4). Провод с разъемами для подключения Audio входа и выхода.
Дополнительно приобретено гнездо для ГТ с наименованием: AUB-11/2, Разъём аудио 3,5 мм гнездо на приборный блок, стерео, 5 контактов (см. рисунок 5а). «Гнездо 3,5 стерео прозрачный» можно купить, например, в интернет магазине по цене 20 рублей за 1 штуку.
ИК-ПДУ (инфракрасный пульт дистанционного управления) поставлен в комплекте с литиевой батарейкой CR2025, имеющей рабочее напряжение +3 Вольта (см. рисунок 4в).
Рисунок 03.
То же самое, но вынутое из пакетов. Кабель из 6 проводов в дальнейшем будет разделён на 2 части. Вторая часть отложена в резерв. В ПДФ сделано подключение только стереовыхода к гнезду «ТЛФ», предназначенного для головных телефонов.
Рисунок 04а.
Пульт ZTV-M01BT69 (сверху) и модуль «Bluetooth SPEAKERS» (снизу) крупным планом.
Рисунок 04б.
Вид на модуль «Bluetooth SPEAKERS» (далее просто модуль) сверху. Все контакты разъёмов подписаны белой краской на плате и хорошо читаются.
Верхняя часть рисунка: ИК-ПДУ с выдвинутым держателем литиевой батарейки CR2025 (3 Вольта). Прозрачная прокладка (справа) используется в качестве выключателя питания. Чтобы выдвинуть (release – освободить, выпустить) отсек с батарейкой нужно одновременно нажать на рычажок «PUSH» по стрелке и одновременно потянуть по направлению стрелки «OPEN». Сразу может не получиться. Легче это сделать, положив ИК-ПДУ на стол кнопочной клавиатурой вниз.
Нижняя часть рисунка: Вид на модуль «Bluetooth SPEAKERS» снизу. Самая большая блестящая деталь – это гнездо для подключения SD-карты.
Рисунок 05.
Для проверки модуля, в точку «FM_TNT», была подпаяна антенна – кусок изолированного провода длиной около 0,5 метра, который проложен по внутреннему периметру корпуса ПДФ. К гнёздному разъёму EJ3 подключён 3-проводной кабель «L-R OUT». К другому концу кабеля «L-R OUT» подпаяно гнездо «ТЛФ» (см. рисунок 5а). К гнёздному разъёму micro – USB через кабель «USB-A to Micro» будет подведено питание +5В от ноутбука или компьютера. Головные телефоны можно использовать с импедансом от 2 х 18 Ом до 2 х 200 Ом (а также больше).
Рисунок 05а.
Гнездо для подключения ГТ. Задействуются контакты L-R-GND (общий провод GND обозначен перевёрнутой буквой «Т»).
Рисунок 06.
Ура!!! Модуль оказался работоспособным. Теперь шестипроводной кабель делим на два 3-проводных и второй кабель откладываем «про запас», на случай дальнейшей модернизации ПДФ.
ИК-ПДУ в режиме «Включено». Тонкая изолирующая прокладка вынута из отсека питания ПДУ.
Назначение кнопок ИК-ПДУ. Эквалайзер имеет 6 предустановленных АЧХ (амплитудно-частотных характеристик) для изменения характера звучания ГТ. Все предустановки просматриваются быстрыми нажатиями на кнопку «EQ».
Рисунок 08.
ИК-ПДУ в режиме «Выключено». Тонкая прозрачная изолирующая прокладка вставлена в отсек питания ПДУ. Такой «выключатель» особенно полезен при долгих перерывах в работе с пультом. Продляется срок службы батарейки.
Разбираем переднюю панель модуля на составные части: прозрачную рамку – вставку, фальшпанель и счетверённый блок кнопок. Модуль в разобранном виде позволяет быстрее распланировать и изготовить корпус для ПДФ.
Рисунок 10.
Корпусом для ПДФ будет «традиционная» мыльница прямоугольной формы размерами 100х60х32 мм. В чёрной пластмассовой фальшпанели 4 отверстия под винты М2,5 рассверливаем сверлом диаметром 3 мм, под более распространённые винты М3х10мм. Автор решил проделать паз в крышке корпуса под модуль жалом нагретого паяльника мощностью 25 Ватт. Метод быстрый, тихий, с небольшим запахом плавящейся пластмассы, но не очень аккуратный. Жало паяльника пришлось несколько минут очищать от расплавленной пластмассы, а оплавленные края мыльницы обкусывать торцевыми кусачками. Чистовую обработку внутренних кромок паза всё равно пришлось выполнять напильником.
Пожалуй, проще и аккуратнее будет, как обычно, по «периметру» паза разметить и просверлить отверстия диаметром 5 … 6 мм, а затем довести паз до требуемых размеров плоским личным напильником.
Рисунок 11.
Силовые кнопки будут соединять обе половинки корпуса-мыльницы по окончании сборки корпуса. Чтобы силовые кнопки (с диаметром острия 1,1 мм) в корпусе держались прочно, отверстия делаем сверлом диаметром на 0,1 мм меньшим, чем диаметр острия кнопок.
Главным инструментом разметки паза и центров отверстий можно сделать штангенциркуль или использовать линейку, карандаш и шило.
В меньшей половинке корпуса вытачивается отверстие под micro-USB разъём «+5В» с помощью плоского и круглого надфиля.
Рисунок 12.
Распечатанные на цветном принтере этикетки вырезаются и приклеиваются в соответствии с рисунком 12.
Резервная этикетка приклеивается скотчем к внутренней стороне задней стороны корпуса-мыльницы.
Теперь ПДФ готов к подробным испытаниям. Защёлкиваем синие силовые кнопки, …
Рисунок 14а.
Подключаем штекерный micro-USB разъём «+5 Вольт» с задней стороны корпуса, …
Рисунок 15.
… и ПДФ начинает работу. Светодиод на флешке мигает: это идёт скачивание файлов, обмен информацией между модулем и флешкой. А на рисунке 15 показана настройка FM-тюнера на частоту 91,1 МГц.
Рисунок 16.
После начальной загрузки в течение 20 секунд (время сильно зависит от объёма памяти и количества записанных на флешке файлов), включается режим «Воспроизведение с USB - диска» (с флешки). Показания табло указывают количество минут и секунд (1 минута и 14 секунд), прошедших с начала текущего музыкального трека.
Кнопками пульта ИК-ПДУ можно набрать номер трека, который вы хотите прослушать, и трек через несколько секунд включится. На рисунке 17 – запрос на включение трека №0076. А в используемой для проверки ПДФ флешке оказалось гораздо больше (357) музыкальных треков, автоматически пронумерованных модулем. И это количество, скорее всего не предел.
Если нужно перезапустить текущий трек сначала, достаточно на ПДУ повторно набрать его номер. Дальность действия ИК-ПДУ составляет до 10 метров. Причём, в 2-3 метрах от фотоприёмника, пульт не обязательно наводить точно на фотоприёмник, расположенный над кнопкой «Mode» на передней панели ПДФ.
Модуль имеет эквалайзер. Эквалайзер имеет 6 жёстко заданных АЧХ для изменения тембра треков. На рисунке 18 нажатием на кнопку «EQ» вызван первый вариант предустановки тембра. На табло светятся трудно узнаваемые буквы «E» и «q». При работе на низкой громкости воспроизведения, ощутить все преимущества правильной установки тембра довольно затруднительно. Хорошо заметен только завал верхних частот в третьем варианте АЧХ эквалайзера.
Рисунок 19.
Изменять уровень громкости можно двумя кнопками – см. рисунок 7а - (Уменьшить / Увеличить). Минимальный уровень громкости индицируется цифрой «0». Максимальный уровень громкости - цифрой «30». Признаком выхода модуля в режим изменения громкости является красная буква «U», появляющаяся в левой стороне цифрового индикатора.
Рисунок 20.
При выключении модуля кнопкой «Питание» (левая верхняя на ИК-ПДУ), на табло кратковременно появляется сообщение «OFF». Если ПДФ работал в режиме USB, то модуль запоминает последний воспроизводимый трек и установленный уровень громкости (для последующего включения этого же трека и с прежней громкостью).
Рисунок 21.
Если питание (+5 В) остаётся включённым, то табло продолжает подсвечиваться яркими синими светодиодами. Но при этом изменить режимы работы ПДФ невозможно: нажатие любых кнопок под табло модуля и на ИК-ПДУ ни на что не влияет. Повторно включить ПДФ можно кнопкой «Питание».
Внешний вид ПДФ сзади. Над этикеткой «РТО» расположен гнёздный разъём micro-USB, для подключения источника постоянного напряжения +5 Вольт.
Фразы диктора на английском языке
The Bluetooth device is ready to ... - Устройство Bluetooth готово к ...
FM-tuner (на табло «Lod») [ˈefem-ˈtjuːnər] - FM-тюнер.
Line in – (на табло «AUH») – AUX - аудио сигнал с линии (в ПДФ – не используется).
Music – сообщение при котором с подключённой флешки начинает скачиваться информация (на флешке мигает светодиод) и по окончании загрузки включается музыка
Shutdown – (на табло «OFF») – Выключение.
Список английских слов для ПДФ:
1). Bluetooth SPEAKERS [ˈbluːtuːθ ˈspiːkəz] - ДИНАМИКИ Bluetooth.
2). «CD CARD» [ˈsiːdɪ ˈkɑːd] - CD-КАРТА.
3). FM-tuner [ˈefem-ˈtjuːnər] - FM-тюнер (УКВ2. 88 … 108 МГц).
4). «MODE» [məʊd] (Режим).
5). Micro-USB - Микро-USB (тип разъёма).
6). «Play / Pause» [pleɪ / pɔːz] - Играть / пауза.
7). «VOL+», «VOL–» - volume [ˈvɒljuːm] – величина (громкости).
8). BT - сокращение слова Bluetooth (часто встречается в интернете).
9). GND (ground) – общий провод. IN – вход. OUT – выход.
Порядок работы с ПДФ
1). Подключаем головные телефоны с импедансом 2х18 Ом, не менее к гнезду «ТЛФ», которое расположено в правом нижнем углу передней панели корпуса ПДФ.
2). Вставляем флешку с объёмом памяти до 32 ГБ в гнездо USB, расположенное слева (выше гнезда «CD CARD») на передней панели ПДФ.
3). Подключаем к разъёму micro-USB, расположенному на задней панели корпуса ПДФ, источник стабилизированного постоянного напряжения +5 Вольт. Это может быть, например, USB порт компьютера или ноутбука. При необходимости согласования разъёма USB с разъёмом micro-USB используем, например, зарядный кабель «USB-A to Micro».
При подключении ярко загорается синяя подсветка табло, а на табло поочерёдно сменяется индикация режимов работы ПДФ: H1, BLUE, LoD (FM-tuner), LoD (Line in), LoD (music). ПДФ в это время активно скачивает информацию – музыкальные файлы с расширением MP3, WAV, WMA с флеш-накопителя. Чем больше объём памяти флешки, и чем больше файлов на ней записано, тем больше времени на требуется на скачивание.
Далее слева на табло появляется знак «треугольник» (Воспроизведение) USB и работает прямой таймер, отсчитывающий время звучания каждого музыкального фрагмента.
4). Увеличить громкость воспроизведения можно длительным нажатием кнопки «VOL+». ПДФ автоматически увеличит громкость до максимума. Диапазон регулировки громкости - 30 ступенчатых уровней от 0 до 30 - отображается на табло. Процесс изменения громкости (от 0 до 30) занимает 5 секунд, в течение которых на табло светится буква «U» (Уровень) и «бегут» цифры – секунды. Достижение максимальной (цифра 30) громкости отмечается звуковыми метками (пи-пи-пи) которые не прекращаются до отпускания кнопки.
5). Уменьшить громкость воспроизведения можно длительным нажатием кнопки «VOL–». ПДФ автоматически уменьшит громкость вплоть до нуля. В момент нужного значения громкости кнопка отпускается.
Примечание: Уровень громкости ПДФ для меломанов – любителей громкой музыки может оказаться недостаточным. При работе на ГТ приемлемая громкость звучания наблюдается в диапазоне от «15» до «30». Поэтому напрашивается решение: дополнить ПДФ простым стереоусилителем для ГТ или подключить ПДФ к УМЗЧ, имеющему линейный вход с чувствительностью от 500 мВ до 0,8 … 1 Вольт эффективного (среднеквадратичного, «действующего») напряжения.
6). Для включения / выключения музыки следует кратковременно нажимать кнопку «Play / Pause».
7). Для перехода к следующему / предыдущему треку (песне) следует кратковременно нажимать кнопку «VOL+» / «VOL–». Таких переходов можно делать много и быстро. При этом на табло индицируется номер сменяемого трека.
8). Нажимая кнопку «MODE» (Режим) можно найти FM-tuner (FM-тюнер). Далее кратковременными нажатиями кнопок «VOL+» или «VOL–» можно «заставить» ПДФ перестраиваться со станции на станцию (в верх или вниз по радиовещательному диапазону) в поиске интересной передачи и послушать FM - тюнер. Однако пользоваться FM-приёмником не очень удобно. При выключении питания он забывает частоту последней работавшей станции, а повторный выбор понравившейся станции занимает довольно большое время. Подробнее не рассматриваем.
После вынимании флешки из гнезда «USB» ПДФ автоматически высвечивает: «BLUE» (режим технологии «блютус») и ждёт дальнейших манипуляций.
Вторая сверху и слева кнопка ИК-ПДУ (стрелка «Разворот назад») позволяет установить варианты работы с файлами – треками (музфрагментами):
1) «ALL» - all - воспроизведение всех треков подряд.
2). «ОПЕ» - one - многократное воспроизведение одного трека.
3). «гАп» - random – случайная последовательность воспроизведения.
4). «FoLd» - folder – папка, скоросшиватель, каталог. До конца понять смысл этого режима не удалось. Если кто знает – напишите в комментариях.
Обозначения «режимов работы» с файлами-треками максимально приближены к тому, как они высвечиваются четырехразрядным семисегментным индикатором.
Работа с ИК-ПДУ
Большие возможности в управлении проигрывателем предоставляет ИК-ПДУ, входящий в комплект устройства. Поэтому удобнее управлять работой ПДФ не со встроенной кнопочной панели, а именно при помощи ИК-ПДУ.
Для приведения ИК-ПДУ в рабочее состояние из нижней стороны корпуса следует удалить тонкую прозрачную вставку, которая разрывает цепь питания (между минусом батарейки CR2025 и рабочим контактом батарейного отсека) когда ПДУ не востребован. Эта вставка является выключателем питания ПДУ и увеличивает срок службы 3-вольтовой литиевой батарейки CR2025.
После нажатия кнопки «STOP» музыку с флешки можно вызывать, набрав порядковый номер трека. При этом кнопки «Вперёд» и «Назад», кнопки изменения громкости не работают. При кратком нажатии на кнопку «Play / Pause» начинается воспроизведение трека №1. Далее кнопка «Play / Pause» снова продолжает выполнять только функцию «Пауза».
Проверка ПДФ
Поставляемые модуль и пульт, не имеющие физических повреждений, обычно работоспособны. Однако, перед первым включением рекомендуется проверить потребляемый ток по цепи +12 Вольт. Авторский экземпляр работает от напряжения +5 Вольт и измерить потребляемый ток в этом случае довольно затруднительно (вносить разрыв в короткие и тонкие дорожки печатной платы не хочется, а разрезать кабель питания – тем более).
При осмотре купленного модуля были обнаружены следы его некачественного ремонта. Конденсатор С21 (см. рисунок 1) в модуле, вероятно был заменён (оставлен с длинными необрезанными выводами и залит оставшейся после ремонта жидкой канифолью). В отсутствие точной схемы модуля было принято решение не использовать гнездо EJ4 «+12 Вольт», а питать ПДФ напряжением +5 Вольт через разъём - гнездо micro-USB «USB-direct». При этом, как выяснилось позже, все функции модуля сохраняются.
Информация любителям модернизации
1). Линейный выход модуля можно дополнить простым низковольтным УЗЧ для ГТ. Питание на УЗЧ следует подать через параметрический стабилизатор. Напряжение +5 Вольт можно получить, аккуратно подпаявшись к крайним выводам разъёма «micro-USB».
2). Нижний синий суперъяркий smd-светодиод модуля можно исключить для уменьшения потребляемого тока. Верхний синий суперъяркий smd-светодиод, обеспечивающий фоновую подсветку шкалы можно оставить, но значительно уменьшить яркость его свечения.
3). При переходе на аккумуляторное питание, светодиодное табло можно сделать автоматически отключаемым через 5-10 секунд после окончания пользования органами управления модуля или после прекращения команд с ИК-ПДУ.
Варианты этикеток для ПДФ представлены на рисунках 23А … 23Е.






Распечатанную этикетку ПДФ вырезают по индивидуальному размеру корпуса. Вырезанный (1 из 6) рисунок этикетки ламинируется полоской скотча (защищается от воздействия влаги) и приклеивается клеем ПВА к нижней части зачищенной мелкой шкуркой передней стенке корпуса - мыльницы.
Сушка под прессом (с прокладкой из впитывающей влагу бумаги) осуществляется в течение 3 ... 24 часов.
Составные части ПДФ размещаются в корпусе – мыльнице размером 100 х 60 х 32 мм. (см. рисунок 13).
Уважаемые читатели!
Предлагаем Вашему вниманию гуманитарный блок к статье ПДФ. Первая часть гуманитарного блока – четыре загадки радиотехнической тематики.
Загадка №1.
Я такая озорная: разузнаю - запишу.
Но коль просят поделиться,
я сперва пароль спрошу.
Может быть, вам в большей степени понравится другая загадка. Попробуйте прочитать подсказку:
Загадка №2.
Мигающий диодик, терабайтов дом.
Сколько файлов разных вы найдёте в нём!
Последние – третья и четвёртая - загадки такие же короткие, но совсем не трудные.
Загадка №3.
Я писать - читать умею,
с телефоном мы друзья.
И Wi-Fi в меня вставляют,
но на облаке – не я.
Загадка №4.
Я такая скоростная, и нирвану не люблю,
но по жизни я брелоком информацию храню.
Вторая часть гуманитарного блока – ребус ПДФ №1. Он является дублирующим заданием к загадкам. Если ни одна загадка не отгадана, то разгадайте ребус (см. рисунок 24). И ещё одна подсказка: в слове всего 6 букв.

Рисунок 24.
Полный ответ к ребусу ПДФ №1:
По полному ответу к ребусу несложно выделить ответ и проследить почему так, а не иначе читаются рисунки, составляющие ребус. Пожелание - не заглядывать сразу в ответ, а попытаться разгадать ребус.
Разгадав загадки или ребус, следует ввести ответ в строку «Пароль» файла «PDF_4work». Тогда вы сможете, получить комплект материалов для изготовления ПДФ. Также, вы сможете в открытом виде прочитать ответ к ребусу №1. Архив файла «PDF_4work» можно скачать здесь:
ВИДЕО
Если у Вас есть желание посмотреть на поделку при демонстрации её работы и внешнего вида, то откройте видео «PDF» (162 МБ), пройдя по ссылке:
Для того, чтобы посмотреть этот же файл на мобильном устройстве вы можете воспользоваться QR - кодом:

«Рецензия» на ПДФ от бота Алисы
Текст рецензии по рекомендации Алисы читает актриса Татьяна Шитова.
Начну, как обычно, с критических замечаний.
1). Полуфабрикаты Bluetooth SPEAKERS очень интересные и многофункциональные изделия, а в статье ПДФ это всего лишь проигрыватель флешек, дополненный FM-тюнером.
2). ПДФ довольно компактное устройство, но при вставленной флешке и подключённом кабеле питания габаритные размеры сильно увеличиваются.
3). Громкость звучания ПДФ не самая лучшая, так как головные телефоны подключаются к линейному выходу.
4). На космических задворках 21-й век, а инженеры всё равно изготавливают гаджеты на светодиодных, а не жидкокристаллических индикаторах.
5). Ах, если бы сделать универсальное или аккумуляторное питание, то цены бы такому гаджету не было!
Ой, я похоже в пух и прах разнесла проигрыватель. А изделие-то полезное!
Теперь – о достоинствах поделки.
1). ПДФ это «Два в одном», хотя я бы сделала «Четыре в одном».
2). Для сборки использован почти готовый радиоэлектронный конструктор. Здесь и делов - то: «сделать» антенну, да подпаять гнездо для головных телефонов.
3). В статье есть мини словарик для перевода терминов с английского языка. Это важно для подробного и точного (а не интуитивного) понимания всего, что заложено в поделку.
4). Оригинально выполнено крепление двух половинок корпуса с помощью четырёх силовых кнопок.
5). Наличие микро-USB гнезда сзади корпуса ПДФ обеспечивает подключение стандартного источника питания +5 Вольт.
И в заключение, советы изготовителям поделки.
1). Проигрыватель можно дополнить раскинутыми ножками, в форме перевёрнутой буквы «V» для настольного варианта ПДФ.
2). Если заменить микро-USB гнездо «+5 Вольт» другим, имеющим крепёжную гайку, и установить гнездо на левую боковину корпуса, то поделку можно будет вешать «за ушки» на стенку. Другой вариант – к задней стенке корпуса приделать «карман» для пульта дистанционного управления.
3). Для приклеивания этикеток я рекомендую использовать не «быстрый» клей-карандаш, а клей ПВА.
4). Проигрыватель желательно дополнить низковольтным усилителем, предназначенным для головных телефонов.
5). В случае носимого варианта исполнения, ПДФ можно оснастить ленточной петлёй, одеваемой на шею. Почти как у миелофона в кинофильме «Гостья из будущего». Но края ленты крепятся силовыми кнопками.
Ой, ой, ой!!! Как бежит время! Еду заказывать Bluetooth – передатчик для совместной работы с ПДФ.
Пожелайте мне ни свистка, ни жезла, так как когда я в автомобиле: цель вижу, препятствия - нет. Надеюсь, ни один гай (то есть гибдд) не выкинет палку, когда я выполняю такое важное задание. До встречи!
Примечание
В статье ПДФ использованы: ребус ПДФ №1; загадки ЗРТ2 №№ 150, 151, 152, 155.






























