Приветствую всех самодельщиков!
В общем случилась ситуация, которая иногда случается с китайскими таймерами для автоматического полива с ЖК дисплеем - сломались мозги у таймера (начали гаснуть сегменты индикатора, перестало работать принудительное ручное вкл/выкл полива). Перепробовал все варианты реанимации: переполюсовка батарейки, протирка спиртом контактов кнопок, что-то еще делал - не помню. Никакой реакции. А когда уже перестал входить в режим программирования - стало ясно, что "мозг" умер. Осталось только тело, то бишь механика со всеми потрохами...И механика то исправная: мотор крутится, клапан открывается, закрывается. И что-то мне стало как- то жалко просто так взять и выкинуть все это добро. Подумал: почему бы механику от этого таймера с "умершими мозгами" не подключить в качестве дополнительной к таймеру с нормальными "мозгами". Благо, у меня был второй исправный таймер. Подключить не напрямую конечно же, а через небольшую схемку на двух КМОП микросхемах и паре полевых транзисторов, которая переключает выполняемые программы то на одну механику, то на вторую. 
Получаем как бы таймер с одними мозгами, но уже с двумя клапанами, причем отдельно управляемыми: на программах с нечетными номерами будет работать (открываться/ закрываться) условно основной клапан, на четных программах- условно дополнительный клапан от "сумасшедшего" таймера. Собрал в макетке- вроде работает как хотел. Теперь о имеющихся недостатках. Первый- нельзя будет запрограммировать работать только один клапан (в ситуации когда, допустим, не нужно задействовать второй клапан). Второй - нельзя будет запрограммировать программы на разные дни выполнения, нужно чтобы дни выполнения программ совпадали. Возможно есть еще какие-то. О вариантах решения недостатков я пока не думал. Может они и не такие существенные и их можно будет учесть при программировании либо как-то технически.Но в любом случае, мне кажется, это хоть какой-то шанс вновь использовать сломавшийся таймер, а не выбрасывать его. Прошу прощенья за качество схемы, рисовал от руки.. 
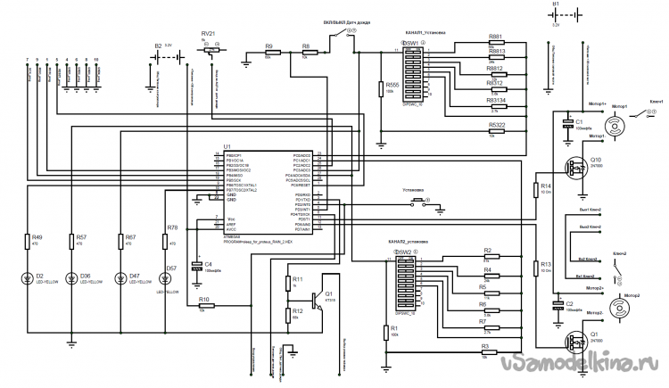
После проработки решил модернизировать схему, расширить функционал. Собрать не на логических микросхемах, а на контроллере, чтобы избавиться от недостатков. Контроллер в режиме сна потребляет 0,3мкА, так что батареек хватает на долго. Можно запрограммировать на каждую программу произвольный канал. Встроил также опрос и отработку датчика дождя, чтоб после дождя не поливалось. Сам датчик пока не подключал- не было необходимости. Разделил питание: отдельно питаются мозги, отдельно силовая часть. Доработал корпус под установку пальчиковых батареек взамен штатных мизинчиковых. Схему с контроллером разместил в нерабочем таймере... Третий сезон уже работает- полет нормальный.
Окончательная схема такая:
Есть вопросы к механической части. Для себя я понял, что нужно брать таймеры не no-name, а каких-нибудь брендов. Я купил вот этой фирмы green helper. У брендовых все оси для шестеренок стальные, полированные, со смазочкой силиконовой, шестереночки крутятся на них очень легко. У no name оси пластиковые...
Так что идея вполне себе реализуемая, работоспособная. Если кому пригодится - буду рад!




