
Тут я на досуге посидел дома по случаю холодной дождливой погоды и решил вступить в клуб гринднанутых. Ну а что, гриндер вещь вроде полезная в хозяйстве, а уж из чего только не предлагают авторы статей и видеороликов повторить свои разработки. Ну а я что рыжий, дай думаю, попробую внести и свои пять копеек в эту распиаренную компанию.
Проект разделил на две части, сначала двигатель, а потом на его базе займусь станочком.
Я всегда хотел бесщёточный двигатель. Ограничение ресурса если только КЗ или износ подшипников. Способен работать в сырости и пыли. Вот и начал их изучать и пробовать упростить их запуск .
[media=https://www.youtube.com/watch?v=WAgwwqd74Jg]
Не так давно я рассказывал, как из сгоревшего щеточного электромотора для обдува радиатора автомобиля, мне удалось собрать бесщёточный моторчик. Там я поменял местами статор и ротор, поэтому цилиндрическая рубашка, с закрепленными в ней магнитами, стала вращаться. Этот был пробный вариант, теперь я его пытаюсь улучшить.
Первым шагом в усовершенствовании двигателя, это с вращающегося цилиндра убрать заклепки которые фиксировали магниты, я их удалил вместе с крепежом магнитов, а сами магниты вклеил при помощи силикона на старые места. Через двое суток хотел переместить глубже в цилиндр, но ничего не вышло, они намертво сидели на местах.


Вторым шагом в усовершенствовании электродвигателя, это увеличение сечения меди в статорных катушках. Как я раньше делал, Наматывал как бы две катушки на один сердечник, соединял начало первой обмотки с концом второй и в этом месте подключал плюс питания. К двум оставшимся концам датчик Холла поочередно подключал минусу того же питания. В результате катушка меняла магнитное поле, толкая постоянные магниты. Такой вариант, для меня был очень интересный своей простотой и малым количеством деталей.
Единственный недостаток, это две обмотки в ограниченном пространстве. В этот раз, намотку сделал жилой из шести проводов по 0.4 мм. Это вроде составило 0.75 квадрата. На каждый полюс уложил сорок витков, Длина жилы 17 м.
Закрепив микросхему с датчиком Холла между катушками, проверил ее работоспособность от магнитов двигателя, подключив светодиоды. Все переключается при смене магнитных полюсов как гирлянда на елке.



И хотя этот датчик Холла отлично показал себя в работе с двумя противофазными катушками, он удерживал «0» или «1» до тех пор, пока не менялось магнитное поле, я в этом проекте решил применить два датчика Холла. Они срабатывают относительно друг друга с разрывом по включению. То есть если проследить по светодиодам, загорается один светодиод, когда он тухнет и загорается другой, существует пауза. Это как мне кажется, уберет возможность сквозняка при переключении «Р» «N» мосфетов.




Третьим шагом по улучшению двигателя, нужно было усилить вращающийся колокол (ротор) и наконец, то убрать регулировочные болты, которые не давали напихать больше меди. На приемке металлолома нашел крышку от данной модели вентилятора ВАЗа, болгаркой обрезал лишнее, получилось кольцо с посадочными выступами и отверстиями под стягивающие болты. Болты, обжимающие подшипник статора, теперь можно удалить. Вместо их приготовил кольцо 4мм толщиной, внутренний размер пятьдесят пять, наружный сто десять. Задача состояла в том, что бы точно просверлить в нем отверстия. Малейшее смещение приведет несоответствие просверленных отверстий и посадочного отверстия под подшипник статора и ничего не соберется. Ничего проще не придумал, как собранные детали вместе склеить между собой силиконом перед сверлением, Спустя сутки, вынул склейку из двигателя и высверлил по отверстиям посадочного кольца бывшей корпусной крышки. Провел предварительную сборку с затяжкой всех гаек. Получилось, все как планировал, никаких зацепов и трений.






Подключил тестер, крутанул ротор, получилось клево, мотор как генератор выдал электричество. Надо будет позже вернуться к теме гидро - ветрогенерации.
Шаг четвертый, управление и питание. Немного поумничаю.
Вариантов запустить электродвигатель несколько.
а – Допустим, имел бы я мощный понижающий трансформатор, возможно движок и запустился бы от сети в 50 Гц как насос в стиральной машинки, правда от 220 В. Но проверить не могу, трансформатора у меня нет.

б - Можно было бы запустить на базе Н-моста, как в проекте с ПОВЫШАЮЩИМ ПРЕОБРАЗОВАТЕЛЕМ С 12 ДО 220 В, но мой Н-мост занят, а «Р» мосфет у меня в одном экземпляре, а идти в радио лавку не охота.


в - А есть еще вариант на двух аккумуляторах. Допустим, возьмем литиевый аккумулятор 3.7 В 2А и через генератор импульсов поочередно подключим две лампочки от фонарика. Через некоторое время, назовем его «Х», аккумулятор разрядился.


Теперь подключим каждую лампу к отдельному аккумулятору, через тот же генератор, емкостью по одному амперу. Каждая лампа будет питаться полупериодом. По идеи лампочки должны отработать тоже время «Х». Исходя из своих умозаключений, подвожу итог, электродвигатель имеет те же два цикла, катушка сначала подключается одной полярность питания, потом другой с одного аккумулятора. Если использовать два аккумулятора с половинчатой емкостью и подключать их поочередно по выше сказанному циклу, то время работы будет прежним. Решил остановиться на этом варианте.


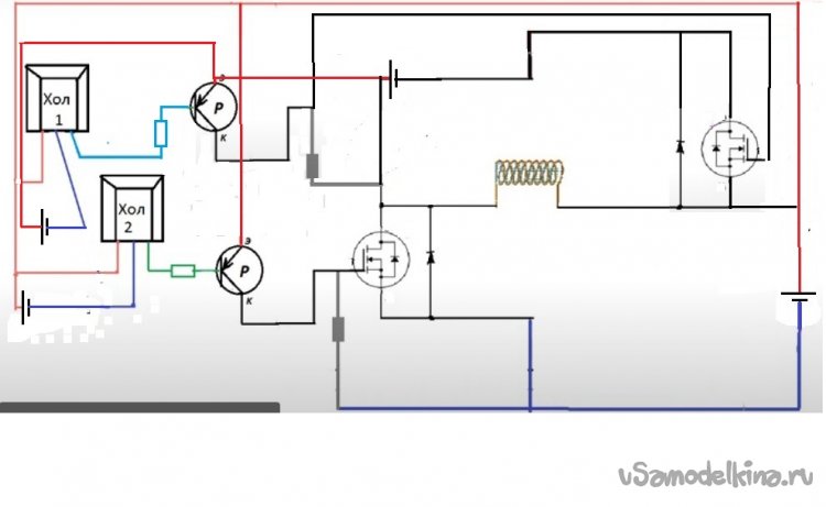
Можно применить N-мосфеты. Если к каждому аккумулятору подключить датчик Холла, а его сигнал направить на мосфет через Р транзистор, все заработает.
Я же в своем проекте применил P-N полумост на мосфетах и добавил отдельное питание для датчиков. Как мне показалось, не судите строго, этот прием обезопасит датчики от всплеска напряжения самоиндукции. Положительный выход питания датчиков подключил к положительной клемме аккумулятора нижнего плеча.
Сигнал с условно первого датчика, он отрицательный, попадает на затвор Р-канального мосфета, открывая его. Сигнал со второго, подается на базу Р-канального транзистора и уже положительный, усиленный открывает N-канальный мосфет. Единственно повторюсь, между переключениями имеется мини пауза, которая препятствует одновременному включению двух мосфетов .
Схемку спаял воздушную, временную, что бы убедиться в правильности моего рассуждения. Подключил аккумуляторы и подал напряжение 5.3 В на датчики Холла. «БИНГО» - электромотор закрутился. Пробовал притормозить, тяжко. Осталось протестировать на напряжении 24 В и 36 В. С центровкой угадал путем высверливания, никакой вибрации.

Поставленная задача выполнена. Я избавился от второй противофазной обмотки, увеличив сечение, а соответственно и мощность данного проекта, а так же увеличив внутренний объем двигателя под медь получил жесткую опорную посадку на подшипник за счет применения металлического кольца.

























