Добрый день всем самоделкиным. Пару дней назад конструировал очередной блок питания для утилитарных нужд, и появилось мысль поделиться с коллегами-радиолюбителями некоторыми идеями о трансформаторах питания неизвестного происхождения. Я, по своей радиолюбительской натуре, - ретроград, и отдаю приоритет старым, добрым трансформаторным источникам питания перед новомодными импульсными, где всё, что может пыхнуть и взорваться, постоянно находится под амплитудным напряжением сети. Я здесь не рассматриваю промаркированные унифицированные зелёные трансформаторы или изделия, добытые из общебытовой аппаратуры и оборудования. Их параметры, имея небольшой навык, можно найти в справочниках, выудить из интернета или с достаточной степенью достоверности прикинуть, анализируя схемы приборов, в которых до того они были установлены. И выводы обмоток там указаны. Кстати, если сердечник трансформатора по-китайски проварен, я его тоже отвергаю. А вот, заполучив в оборот примерно такие изделия, приходится задумываться:
Начнём с самого начала. Первое – это определиться, в принципе, с возможностью использования трансформатора в сети 220V 50Hz. Дело в том, что в различных советских сетях научного, военного и транспортного кластеров широко применялось напряжение 115 V, нередко частота сети составляла 400 Hz. При определённом опыте, 400-герцовые изделия легко распознаются по явно меньшему сечению сердечника, чем у 50-герцовых тех же габаритов. В этом и смысл 400 герц – удешевление и уменьшение массо-габаритных характеристик аппаратуры. Раньше, до эпохи ЭВМ, счётно-решающие приборы ракетных и других комплексов строились на 400-герцовых вращающихся трансформаторах. Так вот, 400-герцовый силовой трансформатор на 220 V, будучи включённым в сеть 50 Hz, в считанные секунды снабдит Вас обильным дымом, вонью и предпосылкой к пожару (не пытайтесь схватить его голой рукой). Причина – малое индуктивное сопротивление первичной обмотки. Это не значит, что 400-герцовые изделия, в принципе, нельзя использовать на 50 Hz, просто подаваемое на них напряжение должно быть, примерно, в 8 раз меньше номинала.
Таким образом, в первую очередь, как я сказал, необходимо определиться с возможностью использования трансформатора. Для этого сначала омметром вычисляем обмотку с самым высоким сопротивлением. Априори считаем её сетевой, на отводы внимание пока не обращаем. При наличии двух (или, крайне редко, больше) примерно одинаковых по сопротивлению обмоток, их надо соединить последовательно, тут возможна ошибка: встречное включение, об этом скажу отдельно. Да, кстати, если выяснится, что у изделия "звонятся" все выводы, то это – не трансформатор, у Вас в руках дроссель или, что реже, автотрансформатор. Для наших целей он не подходит (хотя фанаты могут его и перемотать, но это – не тема данной статьи).
Теперь берём ЛАТР (в моём случае, старый телевизионный автотрансформатор) и подключаем к нему найденную сетевую обмотку. Если обмоток несколько, и мы их соединили последовательно (см. выше), то всё равно, подключаем только первую, самую высокоомную из них. Начиная от нуля, постепенно, по чуть-чуть повышаем ЛАТРом напряжение, постоянно контролируя ток в обмотке. Я для этого создал шунт на 0,1 Ома и меряю напряжение на нём миливольтметром. Для первого этапа достаточно тока до 5 mA. Проверяем напряжение между началом обмотки и концом припаянной к ней следующей обмотки, если суммарное напряжение возросло, обмотки соединены верно, в противном случае выводы второй обмотки поменять местами. Наконец, подключаем к ЛАТру всю суммарную первичную обмотку и постепенно доводим напряжение на ней до 220 V, всё так же контролируя ток. Я, к сожалению, не могу здесь указать его точные параметры, они зависят от множества факторов. Но, если ток быстро растёт и с приближением к 50 – 70 вольтам превысит 50 mA, следует остановиться и задуматься. С таким трансом работать нельзя: либо он не предназначен для питания (скажем, он согласующий, хотя существуют и исключения, например, ТВК от ламповых телевизоров), либо, о чём говорилось выше, он – не на 220 V 50 Hz, либо имеет короткозамкнутые витки. Кстати, если есть возможность, не лишним будет поэкспериментировать с рабочим трансформатором похожей мощности (со схожими габаритами магнитопровода), чтобы оценить холостой ток его первичной обмотки и держать его в голове.
Ну, в общем, если всё в порядке, трансформатор подключён к 220 V, то теперь нужно померить напряжение на всех оставшихся обмотках, и если вдруг выяснится, что на одной из них или на нескольких (обычно, двух) обмотках, имеющих примерно равные сопротивления, но суммарно меньше, чем у сетевой обмотки, а суммарное напряжение близко к сетевому, значит следует считать первичной обмоткой именно её (их) и снова повторить с трансформатором все вышеописанные операции. Бывает так, что на трансе существует повышающая (анодная) обмотка, её вычислить можно по радикально отличающемуся высокому сопротивлению.
С первичкой определились. Впоследствии, также ориентируясь на ток холостого хода, можно поиграться, подавая питание на её отводы, поскольку многие советские трансформаторы имели небольшой запас по возможности подключения к разному питанию. А это влияет и на напряжения вторичных обмоток. Теперь замеряем и записываем напряжения на всех вторичных обмотках и определяем допустимую нагрузку на каждую из них. Для этого нагружаем их по очереди через амперметр на изменяемую нагрузку. Подключаем к обмотке вольтметр. Нагружая обмотку, добиваемся падения напряжения на ней на 10%. (Кратковременно, не забудьте, нагрузка прилично нагревается!). Засекаем ток, перемножаем на упавшее напряжение, вычисляем мощность. Это – предельная расчётная мощность данной обмотки, обычно не стоит превышать 75-80% этой величины. Греться будет.
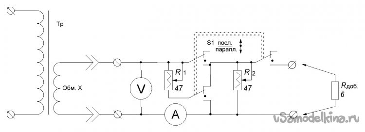
Это мой вариант испытательного стенда, собранного "на коленке".
Потенциометры – проволочные, по 47 Ом 50 W, тумблер – тройной 20-амперный со средней точкой (разрыв всех цепей, остаётся включённым только вольтметр). Добавочная нагрузка (использую открытый проволочный элемент 2х3 Ом) – ну, это для проверки сильноточных обмоток, ампер на 10 ~ 20. В этом случае R1 и R2 используются для плавной подстройки тока. Осторожно! Не закоротите вторичную обмотку "нулями" потенциометров!!!
Стенд обесточен.

Стенд в работе. Сзади справа шунт 6 Ом. Тумблер в режиме "Параллельное подключение. Приборы - электромагнитные.
Всё. Параметры трансформатора, в основном добыты. Но, должен заметить, что всё, сказанное раньше, относится исключительно к фабрично изготовленным трансформаторам, которые (в частности, диаметры проводов обмоток) рассчитывались умными советскими инженерами и производились на советских предприятиях по отработанной технологии. Там не стали бы мотать обмотки проводом большего, чем расчётного, диаметра, но и не занижали бы его, чем очень часто грешат китайцы. Если же трансформатор намотан (перемотан) в гараже или на кухне, то, ввиду дефицита нужного обмоточного провода, или, просто из нежелания заниматься точными расчётами, вторичка может оказаться намотана проводом большего, чем следует, диаметра. Тогда, если Вы нагрузите её предельной, найденной по этой методике, мощностью, она заберёт на себя всю энергию трансформатора, не оставив резерва другим вторичным обмоткам. Когда же Вы подключите и их, транс, в результате, окажется перегруженным, будет гудеть, греться, не отдавать того, что от него хотят и, в конце концов, завоняется и сгорит. Так что, не расслабляйте мозг, относитесь ко всему с известной долей скептицизма. Трансформатор в работе должен быть, максимум, лишь слегка тёплым! И будет вам счастье.







