Данная конструкция, хоть и является вполне рабочей и функционально законченной, всего лишь прототип будущей серии. Вряд ли она будет интересна для применения в домашних условиях, функции ее довольно специфичны. В помещениях имеется по две группы светильников - малый свет и большой, сдвоенные выключатели, скрытая проводка, сделано давно и добротно. Задача: используя готовую электропроводку, без замены выключателей и арматуры, изменить алгоритм управления освещением. Сейчас как: щелкнул одной клавишей - загорелась одна группа светильников, условно малая, щелкнул второй – вторая группа, большая. Перепутал - сразу большой свет, что, как правило, нежелательно. А если хлопнул по обоим сразу - загорается все и раздается вопль: -Хлопни себя по ...! (Если, конечно, хлопнул не главврач...) А требуется так: щелкнул одну клавишу, любую (!), загорелся малый свет. Большой свет загорится только тогда, когда включены обе клавиши.
Вот существующая схема:

В общем, надо реализовать простейшую логическую задачу: малый свет - по логике 2-ИЛИ, большой – по логике 2-И.
А реализовать ее, если делать на обычных тумблерах – легко:

Да вот беда, не припомню я что-то бытовых двухклавишных двухполюсных выключателей, да еще для скрытой проводки. Не ставить же туда галетник или т.п., ведь уже стоят заделанные в стене обычные выключатели. Вот их начинка:

Это обычно применяемые типы выключателей:

Вообще-то все изменения схемы планировалось вносить внутри корпусов светильников, где на внешний вид ничего не повлияет. Ребята, технические исполнители со стороны заказчика, невзирая на мой скепсис, предложили обдумать релейную схему. Прикинули, вот один из вариантов.
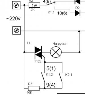
Диодное 2-ИЛИ, релейное 2-И. Громоздко, дорого, и т.д. А вот тиристоров-симисторов сейчас навалом, есть и с оптоуправлением. Вот, например, АОУ163, прекрасная мелкосхема, но слабовата по току.

Другой источник:
Для любителей импорта.
Вот так (внизу) можно реализовать требуемую логику работы.
А в более полной схеме, там, где управление осуществляется подачей фазы 220 В (пардон, 230 В) необходимо добавить еще мостики и ограничительные резисторы, возможно, потребуются конденсаторы после мостиков. Но это определится на стадии наладки. Здесь А и В – входы управления.
Если использовать диодную логику для транспортировки упр. сигнала по одному проводу, то вот окончательная схема этого варианта. Не исключено, что лучше будет перевернуть симисторы, и верхние концы резисторов R5 и R6, соединенные с фазой, переподключить к точкам соединения симисторов и лампочек. (Перепаять проще, чем перерисовать!
)
А еще попалась под руку вот такая "шоколадка" - твердотельное реле 5ПТ19ТС-***.
С такими вот параметрами:

Уже получше, но 1 А тоже маловато, зато это вариант с возможностью управления схемой непосредственно сетевым напряжением. Попробуем использовать 5П19.10ТМВ1-10-8 в такой схеме включения:

Прекрасно работает, а для увеличения допустимого тока нагрузки ставим на выход симисторы, применим ТС106-10-4, ТС122-25-4 великоваты.

Итак, останавливаемся на этом варианте, собираем макет, а затем опытный образец.
Корпус - коробка, клеммы - все стандартное.
Во избежание оскорбления эстетических чувств читающих внутренности показывать не будем (однажды уже обозвали жертвой ЕГЭ), а вот снаружи – пожалуйста!
Предсерийный образец - по результатам прогонки. Все, об… комментируйте!













