Всем ребятам привет!
Вспоминаю времена своей молодости, когда за месяц до Нового Года, практически все ребята начинали изготавливать всякие светящиеся самоделки к этому празднику. Делали либо обычные гирлянды, с простым миганием лампочек, или бегущие огни, с плавным и последовательным изменением яркости лампочек. Но самым крутым изделием того времени, я имею ввиду по эффективности восприятия световых эффектов,
была цветомузыка. Те, кто конструировал эти устройства, были очень горды своим детищем и часто хвастались перед друзьями
показывая её в работе. Я тоже принимал активное участие в разрабатывании электронных схем цветомузыки, но все схемы получались как и всегда, слишком навороченными, т.е. очень усложнёнными. В СССР, уже выпускали цветомузыкальные приставки для продажи, но лично я
не видел на прилавках специализированных магазинов, этих устройств.
Вот мудрёная плата тогдашней разработки. Маленький трансформатор, подключался к динамику магнитофона и таким образом осуществлялась развязка схемы, с сетью 220 Вольт, от схемы магнитофона. Вся схема, смонтированная на плате, запитывалась от сети через разделительный конденсатор с последующей стабилизацией напряжений +/- 15 Вольт. Изменением яркости, в лампах накаливания, по всем четырём каналам, осуществлялось за счёт синхроимпульсной, фазовой схемы управления. Выходные симисторы ТС-106 или КУ208Г, спокойно, без нагрева, работали с лампами до 100 Ватт и этого вполне хватало для домашнего использования цветомузыки. В те далёкие годы я доставал разноцветные зеркальные лампочки из Венгрии. Но светофильтр у этих ламп портился от нагрева и со временем все они приходили в негодность. Сейчас наступило время новых технологий. Появились мощные светодиоды с качественным цветовым излучением. В своей самоделке, я использую светодиоды купленные в магазине Чип и Дип. Пять штук на каждый канал. Марка светодиодов и их цена, пока такая.
Корпус для самоделки, я приобрёл в этом же магазине, но очень давно. Хотя,
всю конструкцию, при желании, можно разместить и в корпусе поменьше. Второй вариант самоделки, постараюсь изготовить в маленьком корпусе и он будет выглядеть как-то так.
А теперь по существу. На лицевой панели установлены четыре регулировочных резистора номиналом 4к7 СП4-1. Я их приклеил герметиком. С их помощью подстраивается оптимальный режим работы соответствующего канала ЦМУ. На практике, эта процедура делается всего один раз. Общий уровень чувствительности приставки, к звуковому сигналу, производится сдвоенными потенциометрами с номиналами 10кОм каждый. Этот регулятор суммирует два стерео канала в один моно канал и обеспечивает необходимый уровень звукового сигнала, при котором ЦМУ начинает работать и всё это будет осуществляться в зависимости от выбранного источника. По простому, если используете выход с колонок, то амплитуда сигнала будет одна, если выход для наушников с компьютера, другая, а если линейный выход с магнитофона или микшера для караоке, третья.
В общем, схема разработана таким образом, что этот регулятор чувствительности сигнала, отлично работает с выходом любого активного устройства кроме микрофона. Микрофон сможет работать только с таким микшерным устройством, которое поддерживает связь с смартфоном через блютуз. А с микшера, сигнал будет поступать на усилитель и параллельно на вход цветомузыкальной приставки.
Такое подключение, позволит независимо регулировать сигнал усилителя мощности и чувствительность ЦМУ приставки. На задней панели, я расположил четыре пары зажимов для проводов с наконечниками, входные разъёмы ЦМУ и сетевой выключатель. Четыре платы с фильтрами, изготовил и настроил. Канал синего, на ВЧ диапазон, канал красного на НЧ диапазон, а жёлтый с зелёным СЧ диапазон.
Внутри корпуса я закрепил три миниатюрных импульсных источников питания. Эти источники, когда-то являлись драйверами светильников, названия не помню, но вот во второй самоделке, я применил 4шт. LD 203. Эти драйвера выдают развязанное трансформатором, нестабильное напряжение около 40 вольт и их необходимо чуточку перенастроить. К резистору 1Е0, параллельно припаять 2Е5. Таким образом, незначительно увеличится выходное напряжение и появится запас по мощности у этих источников. Теперь расскажу про изготовление канальных излучателей. Особый эффект в цветомузыке, это когда свет от излучателей не слепит глаза, а направлен на какой-нибудь экран или рифлёное стекло, на котором получаются цветные узоры. Я решил установить излучатели на шкаф и направить их на потолок, т.е. потолок белый и служит как экран. Очень здорово получается. Сами излучатели, китайские, их уже сняли с производства и купить их нереально. Но есть лампы LB-108. Эти лампы с линзами для 5шт. светодиодов. А линзы помогают сконцентрировать точечное направление света на экран. Лампы легко разбираются и переделываются. Драйвер и родные светодиоды демонтируются, а цветные светодиоды впаиваются. Вот так выглядит такая лампа. Купить можно на Авито всего за 50 рублей. Их тоже сняли с производства, но несколько тысяч ещё осталось нереализованными у многих компаний.
Крепление ламп я осуществлял на куске фанеры, но если делать красиво, то для этой цели хорошо подойдут четыре держателя для душевой рукоятки.
А теперь перейдём к настройкам светодиодных ламп. У каждого цветного светодиода, свои параметры и соединённые последовательно в цепь из пяти штук, имеют разные значения начальных напряжений. То есть, напряжения при которых слегка начинают светиться светодиоды. К примеру, в лампе синего цвета у 5шт. светодиодов, это свечение наступает при 11,9 Вольтах, зелёных при 10,5 Вольтах, жёлтых при 8,5 Вольтах, а у красных при 7,5 Вольтах. Чтобы уравнять восприятие одинаково излучаемого цвета, всеми цветными излучателями, исходя от максимального значения начального напряжения 11,9 Вольт, мне пришлось устанавливать последовательно соединённую цепь с диодами 1N40007, внутри трёх цветных излучателей. В зелёной лампе 4шт., в жёлтой 6шт., в красной 9шт..
Таким образом я подобрал необходимое количество диодов для каждой лампы. Диоды распаиваются в цепочку, потом изолируются обычной изолентой и легко размещаются внутри корпуса лампы.
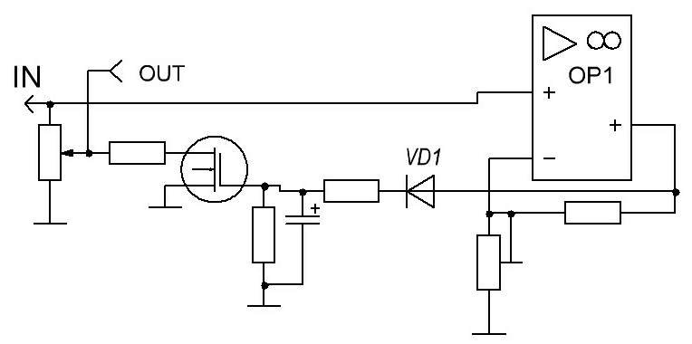
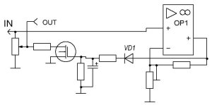
Диоды совершенно не греются т.к. проходящий пульсирующий ток через все диоды, не более 0,3 Ампера. Нарисовал два эскиза полной принципиальной схемы ЦМУ. По этим схемам я изготавливаю второй вариант устройства. Пока всё получается как задумано.
Обсуждение о принципе работы, в комментариях. Первый вариант самоделки, уже работает и есть ролик.
Цветомузыка от RAZRABOTCHIKA
Становитесь автором сайта, публикуйте собственные статьи, описания самоделок с оплатой за текст. Подробнее здесь.


