Компактная пожарная сигнализация китайского производства весьма хороша – реагирует на два различных «раздражителя» сопутствующих возгоранию (СО и дым), датчик наличия (и измеритель концентрации) угарного газа кроме того весьма полезен в помещении с печным отоплением. Сигнализация компактна, не дорога. Как водится, продолжение достоинств – ее пороки. Оба проистекают из компактности и низковольтного батарейного питания, это невысокая громкость штатной сирены (простой пьезоизлучатель), объединение в одном корпусе двух датчиков требующих различной установки (задымления – на потолке, СО – на уровне груди «оператора»).
Первая попытка совершенствования была предпринята в направлении увеличения громкости (сигнализация установлена в отдельно стоящей мастерской). Пьезоизлучатель вынесен наружу под свес крыши, снабжен рупором. Громкость сигнализации увеличилась, ее стало слышно снаружи, из дома. Тем не менее, качественного прироста все-таки не было. Из дома рядом, при дневной возне, звук сирены можно было и не заметить.
Описание конструкции.
Вторая попытка совершенствования сигнализации более основательная. Здесь сирена на пьезоизлучателе заменена на динамические головки (вынесены наружу) с простым усилителем, сделан блок питания вместо гальванических элементов и разнесены датчики дыма и СО. Все это позволило задействовать потенциал устройства более полно.
Блок-схема модернизированного устройства такова:

Где: 1 – фабричная пожарная сигнализация; 2 – вынесенный датчик СО; 3 – блок питания +5 В; 4 – усилитель НЧ нагруженный на динамическую головку 5, вынесенную за пределы мастерской 6.
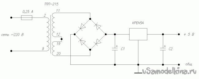
Блок питания +5 В.
Со стабилизированным выходным напряжением (значительные колебания в сети). Стабилизатор собран на основе микросхемы КР142ЕН5А и особенностей не имеет.
Для микросхемы К142ЕН5А емкость входного конденсатора C1 должна быть не менее 2,2 мкФ для керамических или оксидных танталовых и не менее 10 мкФ - для алюминиевых оксидных конденсаторов, а выходного конденсатора C2 - не менее 1 и 10 мкФ соответственно. Роль входного может исполнять конденсатор сглаживающего фильтра, если он расположен не далее 70 мм от микросхемы.
Микросхема КР142ЕН5А может быть заменена на импортную 7805 и ее аналоги. Максимальное входное напряжение для КРЕН5А – 15 В.
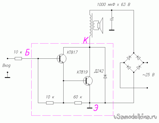
Усилитель ЗЧ.
Простейший однотактный трансформаторный. Собран на двух (одном составном) транзисторах. Усилитель имеет собственный выпрямитель не связанный с питанием цифровой части устройства.
Переменное напряжение для выпрямителя усилителя взято с оставшихся свободными обмоток трансформатора ТПП-215 примененного для питания цифровой части. Защитный диод в составном транзисторе, здесь можно применить несколько менее мощный. Согласующий трансформатор взят от транзисторной радиолы. Схему выделенную сиреневеньким можно заменить одним составным транзистором КТ829А.
Стоит сказать, что схема усилителя не вполне оптимальна в данном применении – первоначально она предназначалась для работы на пьезоизлучатель (согласующий трансформатор был включен наоборот), но достаточно высокой громкости таким образом достичь не удалось и опыты продолжились с динамическими головками. В проектировании УМЗЧ «с нуля» лучше применить двухтактный усилитель или УМЗЧ на недорогой специализированной микросхеме мощностью в несколько ватт.
Что понадобилось для изготовления.
Набор инструмента для радиомонтажа, мультиметр. Набор некрупного слесарного инструмента, шуруповерт, фен строительный.
Фабричная пожарная сигнализация с Али Экспресс, радиоэлементы, монтажный и сетевой провод, термотрубки, крепеж. Материалы и инструменты для изготовления печатной платы.
Практика.
Устройство было собрано на печатной плате – здесь оба выпрямителя, стабилизатор +5 В, УМЗЧ. Печатная плата разработана в программе Sprint-Layout 5.0 и перенесена на фольгированный стеклотекстолит при помощи фоторезиста.
Транзисторы и микросхема стабилизатора работают без радиаторов, их корпуса совершено не греются. В устройстве также включены два индикатора питающих напряжений (цифровая часть и усилитель) представляющих собой цепочку из светодиода и токоограничительного резистора (на схемах не показаны).
Выше, фото макета устройства с пьезоизлучателем, ниже – с динамическими головками. Здесь применены пара последовательно включенных овальных динамиков 2ГД-40, сопротивлением звуковой катушки 4 Ом (передняя панель от старого катушечного магнитофона низкого класса).
После того как удалось добиться хорошей работы усилителя на макете, принялся собирать устройство в корпусе. Он представляет собой деревянное основание, на котором смонтированы новые дополнительные узлы. Устройство закрыто жестяным кожухом, на котором закреплена фабричная сигнализация. В конструкции использована проводка для внешней «чердачной» АС от предыдущего варианта модернизации.
На кусочке тонкой строганной сосновой дощечки четырьмя тонкими шурупами закреплена плата. В качестве стоек применены по два квадратика линолеума подложенных под каждый шуруп. Стандартный трансформатор питания закреплен четырьмя винтами М3 пропущенными сквозь основание, трансформатор согласующий имел четыре лепестка для установки «перекручиванием» в тонком металлическом основании. Надежное его крепление удалось сделать из двух кусочков тонкого металла с отверстиями для шурупов. Ими прижимались к деревянному основанию отогнутые лепестки обоймы трансформатора.
После установки компонентов устройства были уточнены длины проводов и восстановлены все электрические соединения.
Тремя короткими винтиками с полным джентльменским набором (шайба-гайка-гровер) была закреплена на жестяном кожухе пластиковая съемная подошва пожарной сигнализации. Лобзиком по дереву, предварительно в ней был пропилен проем для соединительных проводов, небольшой УШМ аналогичное отверстие было сделано на жести.
Два светодиода для индикации питания закреплены в отверстиях на кожухе устройства изнутри, толстой луженной медной проволокой пропущенной между ножками светодиодов и припаянной по краям к кожуху.
Для вывода сетевого шнура и проводов для подключения динамиков, в кожухе сделаны специальные пазы. Провода закреплены к основанию жестяной скобочкой, на сетевом шнуре завязан узел, не пролезающий в отверстие.
Между одним из выводов сетевого шнура и лепестком трансформатора питания впаян плавкий предохранитель с выводами. После монтажа, предохранитель изолирован термотрубкой.
Правило хорошего тона – подпись назначения индикаторов. Здесь для простоты подписи сделаны стойким лаковым фломастером.
На фото выше стрелочкой показан вынесенный датчик СО. Для испытаний. Ниже – он же в защитном жестяном кожухе на стене. Провод закреплен на деревянной стене в нескольких местах жестяными хомутиками. Длина «разнесения» около 1 метра.
Панель с двумя динамиками установлена на чердаке мастерской вблизи фронтона. Она прикреплена мягкой проволокой к деревянным элементам крыши.
Выводы, пути совершенствования.
В результате работы получилось функциональное устройство более высокого класса, нежели фабричное, послужившее основой. Громкости усилителя с АС вполне хватает. Тем не менее, видятся несколько возможных путей улучшения конструкции.
Усилитель лучше использовать двухтактный или на специальной микросхеме.
Акустическую систему лучше снабдить корпусом (щитом) для разделения колебаний диффузора «вперед» и «назад». Эффективность АС при этом возрастет. Это может быть простой герметичный ящик относительно большого объема или врезание динамических головок в фанерную обшивку фронтона. В любом случае следует предусмотреть защиту головок от попадания снега и дождя.
Инструкция для компактной пожарной сигнализации
Приложение.
Печатная плата устройства.
Babay Mazay, март, 2019 г.
Становитесь автором сайта, публикуйте собственные статьи, описания самоделок с оплатой за текст. Подробнее здесь.
















