В статье «Реле для поворотников своими руками» было описано изготовление реле по сл. Схеме.
В комментах к статье возникло несколько вопросов, в частности, можно ли изготовить такое реле без применения транзисторов PNP структуры. Мой ответ оказался чересчур громоздким для размещения в комментах, поэтому набросал эту статью.
Разберем работу типового реле поворотов. (Вспомнил свой «Ковровец» с тепловым реле…)

Здесь то, что мы называем реле поворотов, обозначено Gen1 и представляет собой двухполюсник, включенный в плюсовую цепь и прерывающий ток в нагрузке с частотой 1 Гц и скважностью 50%. Работа переключателей понятна из схемы. Максимальный пропускаемый ток в режиме «Аварийка» (4 лампы 21 Вт + контролька и, возможно, пищалка) около 8 А. Задача – работоспособное изделие без электромагнитного реле, ключ на полевом транзисторе N проводимости, что-нибудь типа IRFZ44 или IRLB8743. Забегая немного вперед, рисуем схему, для удобства пояснений.

Схема функциональная.
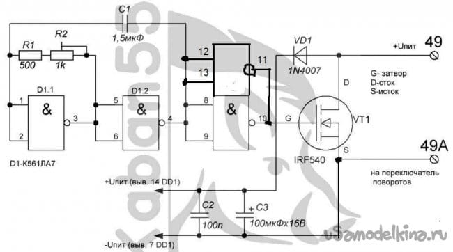
Транзисторы такого типа имеют очень малое сопротивление сток-исток (СИ) в открытом состоянии и, соответственно, малое падение напряжение на нем даже при солидных токах. Но для открывания транзистора на затвор необходимо подать положительное относительно истока напряжение, даже для транзисторов с индексом L единицы вольт. А где их взять, если транзистор находится на самой «верхней», плюсовой точке? Используем схему вольтодобавки, минусовой вывод С1 соединяем с истоком, плюсовой через диод с плюсом питания. При открывании транзистора исток «идет вверх», минус С1 с ним, диод запирается и плюс С1 «уходит вверх» чуть ли не на удвоенное напряжение питания относительно массы. Но относительно истока напряжение на плюсе С1 будет немногим меньше исходного, что вполне достаточно для работы узла управления Gen1, на чем бы он не был собран.
По этой, можно сказать – типовой схеме собрано множество схем, и не только на полевиках. А чем отличается схема из статьи «Реле для поворотников своими руками»?
Казалось бы, мелочью, парой деталей, включенных немного по другому. Улучшений по сравнению с типовой схемой не вижу, а ухудшения…
Пишет Pronin.
«При указанных номиналах деталей этой схемы в симуляторе получаем - период вспышек 1,6сек. И время вспышки ~ 320мсек. На лампочке 12в 10вт. На электролите С2 смена полярности до -0,8в. Это для электролита не Айс!»
На конденсаторе обратная полярность?! И «Такая схема будет работать ну буквально вечно,..»?!
Если не путаю, у изделий 7-й и выше приемки для любого компонента схемы выход на режим выше 60% от номинала согласовывается с представителем Заказчика (ПЗ), выше 85% не допускается ни в коем случае. А тут переполюсовка…
А что же можно поставить в Gen1 кроме PNP транзистора? Например, микросхему.
Можно встроить «пищалку».

Здесь на биполярном транзисторе, но принцип тот же. А можно тряхнуть стариной и слепить мультивибратор на NPN транзисторах.
Рассчитывается легко по программе Symmetrical multivibrator v1.1.1.1

Хватает и онлайн калькуляторов.

Можно добавить регулировку.

А можно сделать вообще оригинально, как у Котов.
Все, комментируйте.







