Всех приветствую в сегодняшней статье мы рассмотрим простую но очень полезную в быту схему а именно диммер 220В. В моем случае данная схема может регулировать максимальную мощность в пределах 1 кВт.
Про эту схему я сделал видеоролик поэтому буду очень рад если посмотрите его до конца. Этим вы мне очень сильно поможете в развитии канала.
Для чего вообще нужен этот прибор? Обычно его используют для регулировки ламп освещения и нагревательных элементов. Для трансформаторов и электро инструмента его не используют он очень плохо влияет на них.
Если не хотите ничего паять то на Алиэкспресс продаются готовые модули на 2 кВт и цена небольшая. Но всё же мы радиолюбители поэтому сделаем схему самостоятельно.
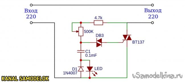
Предлагаю вам схему диммера она очень простая и не требует наладки, работает сразу. В качестве силового элемента у меня выступает симистор BT137 он может переварить 1 кВт мощности. Но вы можете задать мне вопрос - а как увеличить мощность схемы? Тут всё просто надо всего лишь взять симистор помощнее допустим BTA16 он уже на 16 А и в 2 раза мощнее то есть схема может переварить уже 2 кВт и это не предел при наличии соответствующего симистора мощность может быть и 10 кВт.
Комплектующие для диммера:
Давайте рассмотрим принцип работы схемы. Переменным резистором на 500к мы задаём время заряда конденсатора (чем больше сопротивление тем дольше будет заряжаться). Когда конденсатор зарядиться до 32В в этот момент откроется динистор DB3 и пропустит через себя ток и на управляющий вывод симистора оно поступит и он откроется и через себя пропустит нагрузку. В это время конденсатор разрядиться и напряжение будет ниже 32 В и динистор закроется и в тоже время закроется симистор и не будет пропускать через себя нагрузку и так повторяется снова и снова. Светодиод служит в качестве индикатора работы но если вам этого не надо то можете его исключить из схемы но также потребуется отпаять и диод.
Комплектующие для диммера:
- Резистор 4.7 кОм
- Переменный резистор 500 кОм
- Конденсатор 100 нФ ( кодовая маркировка 104 )
- Диод 1N4007 (подойдёт в принципе любой )
- Светодиод ( я взял зелёного цвета )
- Динистор DB3
- Симистор BT137 ( можете брать любой симистор, от него будет зависеть выходная мощность )
Давайте рассмотрим принцип работы схемы. Переменным резистором на 500к мы задаём время заряда конденсатора (чем больше сопротивление тем дольше будет заряжаться). Когда конденсатор зарядиться до 32В в этот момент откроется динистор DB3 и пропустит через себя ток и на управляющий вывод симистора оно поступит и он откроется и через себя пропустит нагрузку. В это время конденсатор разрядиться и напряжение будет ниже 32 В и динистор закроется и в тоже время закроется симистор и не будет пропускать через себя нагрузку и так повторяется снова и снова. Светодиод служит в качестве индикатора работы но если вам этого не надо то можете его исключить из схемы но также потребуется отпаять и диод.
Данный диммер отрезает часть синусоиды и чем больше эта часть отрезана, тем больше у нас ограничена мощность. Можете наглядно посмотреть на фото с осциллографом.
Всю схему я спаял на печатной плате. Ссылку на свою печатную плату я к сожалению не смогу оставить так как она была утеряна. Но оставлю другую плату которую я взял с интернета. После пайки флюс надо обязательно отмыть, а то напряжение не маленькое и если ваш флюс хорошо проводит ток то это ни к чему хорошему не приведёт.
На симистор нам надо прикрутить радиатор он хоть и не очень сильно будет греться но всё же. Не забывайте намазать термопасту тонким слоем для лучшего контакта с радиатором. Для удобного подключения я использовал клеммные колодки но всё же лучше припаять напрямую к плате провода. Также не забывайте на резистор переменный надеть ручку пластиковую или хотя бы обмотайте изолентой, а то может ударить током
Нагрузка регулируется я использую лампочку. Только не надо регулировать мощность электро инструмента, а то они быстро выйдут из строя! Ещё раз напомню вверху есть видео кому интересно посмотрите, этим вы мне сильно поможете. На этом всё, пока








