Здравствуйте. В этой статье я расскажу, как изготовить простой аппарат для точечной сварки с питанием от 12V. Большинство деталей необходимых для сборки устройства можно достать из неисправных импульсных блоков питания или плат старых телевизоров и мониторов.
Материалы и инструменты:
- макетная плата или фольгированный текстолит;
- ферритовое кольцо;
- два полевых транзистора IRF3205 или аналогичные;
- два резистора 5,6 кОм;
- два резистора 470Ом 2 Вт;
- два стабилитрона на 6,2V;
- два ультрабыстрых диода HER108;
- конденсатор 0,68мкФ;
- металлопорошковое кольцо для дросселя;
- обмоточный провод диаметром 0,4-0,7 мм;
- обмоточный провод диаметром 1-1,5 мм;
- припой;
- канифоль (либо другой флюс для пайки радиокомпонентов);
- монтажные провода;
- кусачки;
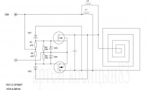
Для начала следует подробно рассмотреть электрическую схему устройства, представленную на фото ниже.
Схему можно условно разделить на две основные части. Первая – это генератор, вторая – трансформатор, на схеме он обозначен как T1.
Генератор построен по схеме простого двухтактного автогенератора. Поочерёдно открываясь, транзисторы, обеспечивают формирование коротких импульсов в обмотках 1 и 2. Я использовал полевые транзисторы IRF 3205, но подойдут и другие N-канальные полевые транзисторы, рассчитанные на ток более 8А (но предпочтительнее на ток более 40А) и напряжение более 50V. Подобные транзисторы можно найти на платах старых кинескопных мониторов (например, транзисторы IRF630). На схеме можно видеть стабилитроны (или по-другому диоды Зенера) обозначенные DZ1 и DZ2. Они необходимы для защиты затворов транзисторов от повышенного напряжения, поскольку у большинства полевых транзисторов максимально допустимое напряжение на затворе равно 20V. В схеме же, за счёт наличия индуктивностей (дросселя и трансформатора), есть риск образования на затворе транзистора напряжения значительно превышающего указанное значение. При питании от 12V можно использовать стабилитроны с напряжением стабилизации в пределах 12-15V. Но в моей схеме за отсутствием других, установлены стабилитроны на 6,2V, работоспособность схемы при этом сохраняется. Так же следует обратить внимание на резисторы, обозначенные как R1 и R4, я использовал компоненты с номинальным сопротивлением 470 Ом, но это значение можно изменять в широких пределах (120 – 510 Ом). Но важно, чтобы используемые резисторы были рассчитаны на мощность более 1 Ватта. Поскольку в процессе работы схемы эти резисторы могут нагреваться и при использовании маломощных элементов выйдут из строя. Если используются б/у резисторы из неисправных приборов важно уметь определять номинальную мощность компонента. Всё достаточно просто, как правило, чем крупнее резистор, тем выше значение его номинальной мощности. Об этом можно найти информацию в интернете, но для удобства я привёл фото с изображением резисторов различной мощности рядом с обычной спичкой.
Так же в схеме можно видеть конденсатор С. От его номинала зависит ток в обмотках 1 и 2, а так же, в определённой степени, рабочая частота схемы. Я использовал конденсатор на 0,68 мкФ 250V.
На схеме можно видеть два диода D1 и D2 это ультрабыстрые диоды, как следует из названия, их отличие состоит в гораздо большей скорости срабатывания, чем у обычных выпрямительных диодов. Я использовал диоды HER108, но их можно заменить аналогами UF1004, UF1007, HER308 или д.р. При выборе диодов следует обратить внимание на такой параметр как время восстановления этот показатель должен быть меньше 100 нс.
Сборку устройства можно начать с намотки трансформатора. В качестве сердечника использованы два ферритовых кольца М2000НМ1-Б габаритами 31х18,5х7.
Сложив два кольца вместе, следует обмотать их изолентой или скотчем, это предотвратит смещение колец относительно друг друга в процессе намотки обмоток и дальнейшей эксплуатации.
Далее следует изготовить первичную обмотку. Она состоит из 7 полных витков и выполнена проводом диаметром 0,5мм двумя жилами по четыре провода в каждой (количество витков может быть меньше, но не менее 3). Фактически это две обмотки по четыре провода в каждой наматываемые одновременно.
После этого конец одной обмотки необходимо соединить с началом другой, сформировав тем самым отвод от середины.
Затем следует изготовить дроссель. За его основу взято металлопорошковое кольцо из компьютерного блока питания. Обмотка состоит из 12 витков двумя проводами диаметром по 0,5 мм.
Количество витков может быть меньше (но желательно не менее семи), а сечение провода больше это зависит от остальных элементов схемы. В случае если в готовом устройстве дроссель сильно нагревается во время работы, следует увеличить сечение провода и/или уменьшить количество витков.
Далее следует перейти к сборке схемы на плате. Сборку схемы лучше производить от центра платы к краям. Чтобы уже установленные детали не мешали установке последующих.
Поскольку диоды устанавливаются между затвором одного транзистора, и стоком другого, во избежание короткого замыкания на выводы следует надеть термоусаживаемую трубку либо отрезки изоляции монтажного провода.
Транзисторы желательно паять в последнюю очередь. На сами транзисторы необходимо установить радиаторы для отведения тепла.
Важно помнить, что металлическая подложка транзистора, к которой крепится радиатор, представляет собой единое целое со стоком транзистора. Поэтому при использовании общего радиатора для обоих транзисторов необходимо между корпусом полупроводникового прибора и радиатором устанавливать изолирующую подложку в противном случае произойдёт короткое замыкание. Так же даже используя раздельные радиаторы, следует следить, чтобы радиатор не соприкоснулся с дорожками на плате или выводами других элементов.
Далее можно перейти к изготовлению вторичной обмотки трансформатора. Она состоит из одного витка тремя жилами обмоточного провода диаметром 1 мм. От количества витков и сечения провода во вторичной обмотке, зависит выходной ток и напряжение. Поэтому я специально не стал закреплять вторичную обмотку при помощи эпоксидного клея или изоленты, для того что бы в случае необходимости иметь возможность легко изменить количество витков или сечение провода, изменяя выходные характеристики устройства. На выводы обмотки установлены винтовые зажимы.
После этого следует изготовить сварочный кабель. В моём случае это скорее конструкция для проверки работоспособности устройства, чем полноценный кабель. Для изготовления использовалось четыре отрезка монтажного провода по 1,5 квадрата каждый. Соединив их, попарно следует прикрепить проверочные электроды, изготовленные из отрезков толстой медной проволоки как показано на фото ниже.
Сварочный кабель готов.
Теперь его следует прикрепить к вторичной обмотке трансформатора при помощи винтовых зажимов.
Устройство в сборе показано на фото ниже.
Готовое устройство подключается к блоку питания с напряжением 12V и мощностью от 100W.
Для проверки работоспособности устройства прикоснулся к электродам лезвием канцелярского ножа. Метал, в месте соприкосновения оплавляется.
Такой сварочный аппарат может использоваться для точечной сварки литий ионных аккумуляторов. Либо как источник тока для различного рода нагревательных элементов. Важным преимуществом прибора является низковольтное питание, что позволяет подключать его к аккумулятору и использовать как портативное устройство.
Становитесь автором сайта, публикуйте собственные статьи, описания самоделок с оплатой за текст. Подробнее здесь.






















