КПУ (Коридорное предупреждающее устройство) является разновидностью охранного устройства. КПУ предназначено для установки в выключатели освещения, оборудуемые двухступенчатым устройством мягкого включения. При замыкании одного (любого) тумблера, лампа накаливания включается на пол мощности. При замыкании второго тумблера – на полную мощность. В КПУ применено два тумблера с двумя парами переключающихся контактов. Вторые («не сетевые») пары контактов выполняют логическую функцию «2 исключающее ИЛИ» (см. таблицу истинности 1) и замыкают цепь «+3…+6В» питания КПУ только при одном (любом) замкнутом тумблере. При замыкании цепи «+3…+6В» питания, КПУ отрабатывает три цикла: 1) «Задержка включения», 2) «Работа», 3) «Останов таймера» с переходом в высокоэкономичный дежурный режим.
1). КПУ - коридорное предупреждающее устройство.
2). МСД - мигающий светодиод.
3). УМВ - устройство мягкого включения.
4). ПУ - предупреждающее устройство.
5). ПП - печатная плата.
Порядок работы с КПУ.
Работают с КПУ следующим образом: При звонке во входную дверь в коридоре включают свет на пол мощности, открывают входную дверь (на цепочке или без – по усмотрению хозяина) и впускают посетителя в коридор. Через несколько десятков секунд или ранее, когда выяснилось, что визит с добрыми намерениями, включают свет на полную мощность (больше света – жест доброй воли), тем самым, отключая питание ПУ. Если же в течение первых десятков секунд выяснилось, что визит носит проблемные или недобрые намерения, свет на полную мощность не включается и КПУ через заранее установленное время автоматически переходит в режим тревоги. Положительно объяснить чем вызвана работа зуммера и МСД можно тем, что нить накала лампы прогрелась и теперь её можно без опаски включить на полную мощность. Без такого объяснения (и даже с объяснением) посетитель должен насторожиться и принять к сведению, что его визит находится под дополнительным контролем.
Кроме того, КПУ может быть использовано как двухступенчатый регулятор мощности для лампы накаливания, так как, отработав в режиме «пол мощности» «охранная часть» КПУ автоматически переходит в высокоэкономичный дежурный режим. Как уже было сказано выше (и следует из таблицы истинности 1), выключение ПУ происходит и при «полном» выключении, и «полном» включении лампы накаливания.
Отличительная особенность КПУ - высокоэкономичный дежурный режим, который обеспечивается снятием питания с основного потребителя тока - МСД HL1 при переходе в дежурный режим.
Основной недостаток КПУ в том, что длительности работы режимов 1 и 2 одинаковы. Однако эти длительности могут быть изменены одновременно в широких пределах установкой перемычек (как именно, рассказано ниже).
КПУ состоит из двух основных частей: УМВ (устройства мягкого включения) и ПУ (предупреждающего устройства).
УМВ предназначен для улучшения потребительских свойств домашнего электрооборудования - настенных двухклавишных (двухтумблерных) выключателей и для экономии рабочего ресурса ламп накаливания. УМВ обеспечивает возможность экономичного (на 50% мощности) режима работы ламп накаливания и режим мягкого (двухступенчатого) включения ламп накаливания для увеличения их срока службы. Перегоревшую лампу нужно будет заменять в несколько раз реже.
Как известно, нити ламп накаливания в холодном состоянии имеют малое сопротивление. Поэтому при включении ламп, пока нити накала не разогрелись, и их сопротивление не выросло, наблюдается бросок тока в 8 – 10 раз превышающий номинальный рабочий ток лампы накаливания. Такая «стартовая» перегрузка приводит к постепенному разрушению нитей накала. Перегорают лампы чаще всего именно при включении.
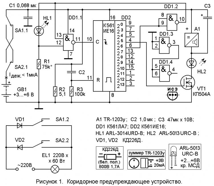
УМВ (см. рисунок 1) предполагает установку двух уровней освещённости лампы накаливания и (при желании) её мягкое включение. Выключатель SA1.2 позволяет включать лампу накаливания на 50% мощности, пропуская через нагрузку (EL1) положительные полуволны сетевого напряжения. Выключатель SA2.2 также позволяет включать лампу накаливания на 50% мощности, пропуская через нагрузку (EL1) отрицательные полуволны сетевого напряжения.
При замыкании SA1.2, положительные полуволны сетевого напряжения (с левого по схеме провода) через диод VD1 поступают на лампу EL1, и EL1 светится в пол накала. При замыкании SA2.2, отрицательные полуволны сетевого напряжения (с левого по схеме провода) через диод VD2 поступают на лампу EL1, и EL1 светится в пол накала.
Лампа EL1 будет светиться в полный накал (на 100% мощности), только при одновременно замкнутых выключателях SA1.2 и SA2.2. В этом случае обе полуволны сетевого напряжения (и положительные, и отрицательные) протекают через EL1.
При включении питания сочетанием «2 ИСКЛ. ИЛИ» (что-нибудь, но не всё) тумблеров SA1.1 и SA2.1 (см. рисунок 1 и таблицу 2), напряжение с батареи GB1 подаётся на ПУ.
Конденсатор С2 начинает заряжаться через резистор R3 и в начале заряда на нижней (по схеме) обкладке С2 присутствует напряжение высокого уровня (логическая 1). Эта логическая 1 устанавливает двоичный счётчик DD2 по входу «R» (вывод 11) в исходное (нулевое) состояние.
Тактовый генератор, выполненный на МСД HL1 и его токоограничительном резисторе R1, вырабатывает импульсы прямоугольной формы. HL1 работает в экономичном микротоковом режиме, его мерцание практически малозаметно, однако такого токового режима работы достаточно для выработки импульсов, согласующихся с логическими элементами КМОП ИМС 561-й серии.
В исходном состоянии на всех выходах DD2 логические нули, на выходе (вывод 10) элемента DD1.2 единица, элемент DD1.1 открыт для прохождения счётных импульсов. Ключ на полевом транзисторе VT1 закрыт, сопротивление его канала исток – сток максимально, а комплексная стоковая нагрузка – светодиод HL2, зуммер А1, конденсатор С3 - выключена.
По окончании действия логической 1 на приоритетном входе R «Reset» («Сброс») - выводе 11 счётчика DD2 - содержимое счётчика начинается увеличиваться на 1 с каждым счётным импульсом на счётном входе С (вывод 10) DD2. При досчёте до 32 на выходе «25» (вывод 4) DD2 появляется лог.1, которая подаётся на управляющий электрод – затвор VT1. Транзистор VT1 открывается. Сопротивление перехода сток – исток резко (до единиц Ом) уменьшается и практически всё напряжение батареи GB1 подаётся на комплексную нагрузку HL2, A1, C3. Звучит зуммер А1, периодически прерываемый последовательно включённым мигающим светодиодом HL2. При досчёте до 64 на выходе «26» (вывод 6) DD2 появляется лог.1, которая преобразуется в ноль элементом DD1.2, подаётся на вход (вывод 13) элемента DD1.1 и останавливает работу счётчика DD2: напряжение с анода HL1 снимается, на счётном входе С (вывод 10) DD2 устанавливается высокий уровень (лог.1). При этом на затворе VT1 устанавливается логический ноль, VT1 закрывается, и комплексная нагрузка выключается. В таком состоянии ПУ может находиться сколь угодно долго, практически не разряжая батарею, даже если питание остаётся включённым. Резистор R2 разряжает конденсаторы С1 и С2 при выключении питания. Разряд С1 необходим для приведения в исходное состояние цепи предустановки в ноль (C2 R3) при быстром повторном включении ПУ (если таковое понадобится).
Время работы таймера, собранного на счётчике DD2 (рис. 1), составляет около 16 секунд и зависит от «веса» выхода счётчика DD2, к которому подключён вход элемента DD1.2, и типа применённого МСД. В небольших пределах изменить выдержку можно подбором номинала R1* (от 3 до 100 кОм), а больших пределах - выбором требуемого выхода DD2.
Возможные изменения в схеме КПУ.
Время работы таймера в широких пределах можно изменять «разрядностью» выходов DD2. Время работы (одновременно двух циклов: «Задержка включения» и «Работа») таймера можно изменить в широких пределах (уменьшить в 2-3 раза или увеличить в 2-9 раз). Так, например, для увеличения времени работы HL2 в 2 раза следует использовать выходы 26 (выв. 6 DD2) и 27 (выв. 13 DD2) счётчика DD2 [ вместо выходов 25 (выв. 4 DD2) и 26 (выв. 6 DD2) DD2 соответственно]. Практически грубо изменить время работы таймера можно предварительным изменением трассировки ПП (печатной платы) или после изготовления ПП - разрезанием медных дорожек, ведущих к выводам DD2, и впайкой перемычек между дорожками и выбранными выходами DD2.
Ток дежурного режима ПУ не превышает 1 мкА и в основном определяется сопротивлением разряжающего резистора R2.
Настройка ПУ, смонтированного без ошибок и из исправных деталей, обычно не требуется. Частоту внутреннего генератора (МСД HL1) в пределах ± 5 … 10% можно изменить подбором номинала R1.
Детали КПУ.
В КПУ применены постоянные резисторы типа ОМЛТ, С2-33. Конденсаторы С1, С2 керамические безындукционные малограбаритные зарубежного производства или типа КМ. Конденсатор С3 – оксидный зарубежного производства. Тумблеры SA1, SA2 МТS-202 или подобные. Микросхемы серии К561 можно (с доработкой печатной платы) заменить малогабаритной серией 564 с планарным металлостеклянным корпусом. HL1 может быть менее распространённый MSB557DA (красный; 5 мм., 0,6 … 1,8 Гц). Транзистор VT1 можно заменить КТ501 (с любой буквой), КП505А или микросхемой КР1014КТ1А (с изменением трассировки платы). Батарея GB1 – два миниатюрных (d = 16,8 мм., h = 34,5 мм.) литиевых элемента типа EL123AP, DL123A, CR123A (3V, 1400 мАh), соединённых последовательно. В тех случаях, когда свежая батарея имеет большую (более 0,5 Вольт) «вольтодобавку», в цепь «+» источника питания рекомендуется включить кремниевый диод типа КД503, а светодиод HL1 зашунтировать керамическим конденсатором с ёмкостью порядка 0,033 мкФ. При некотором снижении громкости звучания зуммера А1 можно использовать батарею ER14505 (d = 14,5 мм., h = 50,5 мм.) с номинальным рабочим напряжением 3,6 Вольт (Е =2400 мАh, I разрядный = 2 /100 мА, срок службы 10 лет).
Пайку радиоэлектронных компонентов следует вести заземлённым жалом паяльника. Обойтись без заземления можно, применив для ИМС специальные розетки (панельки), и установив в них микросхемы по окончании пайки остальных деталей. Полевой транзистор VT1 также желательно установить на плату при помощи самодельной трёхвыводной розетки.
Изготовление розетки для полевого транзистора VT1.
Такая розетка изготавливается из большой розетки для микросхем «Dip» с шагом между выводами 2,5 мм. при помощи пинцета и монтажных кусачек. Четвёртый с края вывод – гнёздный контакт выталкивается из розетки со стороны пайки пинцетом и трёхвыводная часть розетки с двух сторон выкусывается монтажными кусачками. Таким способом из 14-выводной розетки для ИМС можно сделать 4 маленькие розетки для транзисторов.


Печатная плата ПУ выполнена из односторонне фольгированного гетинакса или стеклотекстолита размерами 40 х 27 мм. толщиной 1,5…2,0 мм (см. рисунки 2 и 3). Верхние (по рисунку 2) уголки платы срезаны для лучшего её «вписывания» в корпус цилиндрической формы. Диаметр отверстий на печатной плате под микросхемы 0,7 … 0,8 мм, под остальные радиоэлектронные компоненты – 0,8 … 1 мм, под соединительные проводники - 1…1,2 мм., под крепёжные отверстия – 2,6 … 2,7 мм. Плата ПУ устанавливается, например, в цилиндрическом пластмассовом корпусе - распределительной коробке II УХЛ 4 диаметром 70 и высотой 30 мм. В корпусе (см. рисунок 4) сверху устанавливается печатная плата (скосами вверх), посредине – батарея GB1, в нижней части – тумблеры и элементы комплексной нагрузки А1, HL2.

Вариант фальшпанели корпуса КПУ приведён на рисунке 4. Тумблеры SA1 и SA2 крепятся на передней панели корпуса. В отверстие d = 4,8 … 4,9 мм между тумблерами вставляется на трении смазанный клеем ПВА светодиод HL2. Зуммер А1 (аккуратно, без деформации формы корпуса А1) приклеивается к внутренней передней стенке корпуса. Диоды VD1 и VD2 крепятся пайкой к контактам тумблеров и к одному дополнительному монтажному лепестку. Пайку тумблеров SA1 и SA2 следует вести с особой осторожностью, так как их контакты очень боятся перегрева!!! Рекомендуется перед пайкой предварительно зачистить контакты тумблеров ластиком (стирательной канцелярской резинкой), смазать жидкой канифолью и облудить.
Рисунок печати – «трассировка печатной платы» – (см. рисунок 3) может быть перенесён на медную фольгу методом термопереноса. О методе термопереноса рисунка подробно можно прочитать в файле MTR_TO (3444 кБ) на Яндекс.Диске, пройдя по ссылке:
О методе ускоренного травления ПП подробно можно прочитать в файле «ПП_водная_баня» на Яндекс.Диске, пройдя по ссылке:
Информация любителям улучшать схемы.
Схему таймера КПУ можно применить также для совместной работы с другими устройствами, работающими от постоянного напряжения и потребляющими ток до 250 мА. Другие устройства можно включить параллельно цепи А1, HL2 или вместо неё. Важно только, чтобы суммарный ток нагрузки не превышал максимально допустимого тока (250 мА) стока VT1. Если на место VT1 установить транзистор большей мощности, например IRF840, то ток в нагрузке может составлять до 8 Ампер. Однако, в таком случае в качестве GB1 целесообразно применить 3R12Р («плоская» батарея + 4,5 В - 1 шт.), более мощные элементы (А373 х 3 шт.) или аккумулятор, а размеры корпуса увеличить. Не исключён также сетевой вариант питания КПУ через понижающий трансформатор. Но для этого к корпусу КПУ понадобится подвести напряжение ~ 220 Вольт, а это потребует прокладки ещё одного провода.
Вместо комплексной нагрузки HL2, A1, C3 в цепь стока VT1 можно установить микромощный передатчик, который будет передавать сигнал тревоги на пульт управления мощной сиреной.
Если необходимо сделать работу зуммера А1 непрерываемой, МСД HL2 следует заменить простым светодиодом (можно применить 5-милиметровые сверхяркие светодиоды белого свечения ARL-5013UWC, ARL-5613UWW, зеленого – ARL-5213PGS, красного – ARL-5613URW или аналогичные).
ПУ сохраняет работоспособность при снижении напряжения до + 3 Вольт. Верхний порог напряжения питания ПУ составляет + 6 Вольт и ограничен параметрами применённого МСД HL1. Для надёжной работы ПУ незадействованные выводы 1 и 2 микросхемы DD1 подключены к общему проводу, а выводы 3, 5 и 6 DD1 соединены вместе.
Уважаемые читатели!
Предлагаем Вашему вниманию ребус. Разгадав ребус № 1 (рисунок 5), вы узнаете, как по-другому называется элемент DD1.2 «2И-НЕ» в схеме КПУ (с объединёнными входами).

Полный ответ к ребусу №1:
Уважаемые читатели, если вы желаете получить комплект КД для изготовления КПУ, предлагаем Вам разгадать загадку:
И на схеме, и на плате он имеет «соло» вход. Ему выход подпевает, только всё – наоборот.
Подсказка:
В нём сигнал меняется. Как будто кувыркается.
Разгадав загадки, ответ следует ввести в строку «Пароль» файла «KPU_4work». Тогда вы сможете получить полный комплект схем для изготовления КПУ, эскиз рисунка фальшпанели, и в качестве бонуса готовый к термопереносу (в масштабе = 1:1) отражённый рисунок трассировки печатной платы. Также Вы сможете прочитать полный ответ к ребусу №1. Архив файла «KPU_4work» можно скачать здесь:
ВИДЕО
Если у Вас есть желание посмотреть на поделку при демонстрации её внешнего вида, то откройте видео «KPU» (146 МБ) длительностью 4 мин. 22 с. Его вы можете посмотреть на Яндекс.Диске, пройдя по ссылке:
Для того, чтобы посмотреть этот же файл на мобильном устройстве вы можете воспользоваться QR - кодом:

А вот, что хотел сказать о КПУ вечный студент, плод инженерной мысли, постоянный обитатель Яндекса и молодой духом голосовой помощник – бот Алиса:
Удивляюсь, откуда автор черпает такие «хитрые» идеи. Вот только удобно ли будет обслуживать такое «out of days» устройство. Ведь с каждым днём количество ламп накаливания на прилавках магазинов уменьшается. Уменьшается и срок службы таких лампочек. Вот два таких постновогодних подарочков от производителя, сделанных для того, чтобы почаще покупали новые. У нас в межзвёздном пространстве будущего за такое расточительство приговаривают к односоставной диете. А кормят провинившихся одним лишь прокисшим в дороге молоком, завозимым с отдалённого Млечного пути.
Однако, вернёмся к нашим баранам (к обсуждению поделки). Если Вы являетесь счастливым обладателем нескольких надёжных (выпуска прошлого века) ламп накаливания, то смело можете приступать к изготовлению КПУ. Впрочем, и лампы недавних годов выпуска вполне подойдут.
Схема КПУ составлена по принципу «Два в одном». Два разных устройства имеют общие органы управления: тумблеры с двумя парами переключающихся контактов. Поэтому наличие двойного функционала изделия является тайной для непосвящённых.
Малый потребляемый ток в дежурном режиме достигнут снятием питающего напряжения с анода светодиода HL1. Поэтому главным потребителем тока в дежурном режиме остаётся высокоомный разряжающий резистор R2.
Время работы таймера (двух циклов одновременно) можно изменить в широких пределах. Это даёт возможность применения аналогичного таймера и в других поделках.
К недостаткам схемы следует отнести тот факт, что в позиции HL1 работать будет не любой мигающий светодиод из-за рассогласования логических уровней (нуля и единицы) со счётчиком-дешифратором.
Если в моём космолёте были бы коридоры, а не переходные задраиваемые люки, то я обязательно взяла бы к себе на борт это устройство, а для его питания стала бы использовать лунную батарею.
Ой, меня уже настоятельно приглашают в флипопорт, а я ещё не проходила предполётный маск-контроль. До новых!
Некоторые особенности изготовления КПУ.
Рисунок 6.
Почти все типы деталей, задействованные в КПУ, изображены на рисунке 6 (резисторы – в единичном экземпляре). Зуммер А1 показан на рисунке 8.
Рисунок 7.
На плату КПУ перед монтажом розеток (сокет) под ИМС впаяны 2 перемычки в шёлковой изоляции. Двухвыводную сокету под HL1, после экспериментального подбора подходящего светодиода можно исключить и на её место впаять HL1. (Двухгнёздная сокета недостаточно прочно удерживает установленную в неё деталь).
Рисунок 8.
Вид на плату сверху (без установленных ИМС) изображён на рисунке 8. Тумблеры SA1 и SA2 скреплены тремя слоями изоленты для облегчения монтажа.
Рисунок 9. Вид на плату со стороны трассировки (медной фольги).
Рисунок 10.
По такой схеме включался замыкаемый тумблером чувствительный микроамперметр при проверке потребляемого тока режимов работы №1 и №3.
Рисунок 11.
При проверке потребляемого тока в режиме №2, тумблер замыкался (переключался из положения «0» в положение «I») во избежание порчи микроамперметра повышенным током.
Рисунок 12.
Для удобства подключения микроамперметра (по схеме, приведённой на рисунке 10) используются три однополюсные вилки и 2 лепестка, установленные на выводы микроамперметра.
Рисунок 13. Все компоненты КПУ в сборе.
Примечание: В статье КПУ применены загадки ЗРТ №132, ЗРТ2 №032 и ребус РТТ№ 029.
Приложение для интересующихся навыками разгадывания ребусов.
Вашему вниманию предлагается ребус РРРТ № 091, выполненный в форме презентации Power Point. Архив презентации «РРРТ_091» можно скачать здесь:
Становитесь автором сайта, публикуйте собственные статьи, описания самоделок с оплатой за текст. Подробнее здесь.















