В Интернете можно найти разные варианты микроподачи по вертикали для этой стойки. Предлагаю мой вариант. Минимум дешевых деталей с минимальной доработкой.
В магазине были куплены:
Уголок крепежный усиленный 40х40х40,болт М6х80, гайка М6 барашковая, три винта М4х10,две гайки М6.
Пруток для оси 2,2 мм и кусок листовой стали 1мм нашлись в "закромах".
Уголок дорабатывается и крепится к каретке стойки двумя болтами М4 .
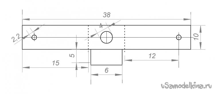
П-образная стойка из листовой стали 1мм имеет небольшой хвостовик, отогнутый вниз .
Он входит в паз где ходит зубчатая рейка каретки и предотвращает вращение стойки с болтом. Размах П-стойки равен 8 мм, по диаметру головки болта М4. В станине сверлится отверстие и нарезается резьба М4. У болта М6 спиливаются две стороны головки и сверлится отверстие под ось.
Если болт М6 "откинут", то стойка работает как обычно .
Если болт М6 ввести в паз уголка, то можно производить микроперемещение по вертикали и фиксацию в нужном положении с помощью законтренных нижних гаек. Затягивать контргайку обязательно иначе от вибрации при работе может произойти перемещение по вертикали.
Для удобства доработал барашковую гайку на ручку со шкалой. Ручка изготовлена из пробки от литровой бутылки. Просверлил отверстие диаметром 6мм по центру пробки. Внутрь вставил барашковую гайку на М6 и закрепил её болтом через крышку.

Болт нужно смазать каким-нибудь маслом перед заливкой, чтобы потом легко выкрутить. Залил внутренности клеевым пистолетом. Разметил шкалу. Измерил окружность крышки и разделил на 10 по числу делений.
Шаг резьбы у гайки на М6 1 мм и деление шкалы получается 0,1 мм.





