Привет друзья!
Сегодня мы рассмотрим стабилизатор на микросхеме L78XX, есть его мы сегодня к сожалению не будем, но зато соберём и рассмотрим стабилизатор, начнём.
СБОРКА
Для начала нам нужно собрать этот стабилизатор, но для этого нужно узнать распиновку L78XX
Вот она:
Последние две цифры в конце означают напряжение стабилизации микросхемы, в моём случае L7812, это значит что напряжение, стабилизации будет 12 вольт.
В даташите советуют схему с двумя конденсаторами, 0,33 uF на входе и 0,1 uF на выходе, хотя схема работает и без них потому что она линейная и помех создавать не будет.
Но для чистоты поставим
Раз конденсатор на 10 uF на вход:
И два конденсатор на 4,7 uF на выход:
Теперь нам нужно припаять провода питания
Белый провод это вход (+)
Зелёный это общий (-)
Припаиваем выходные провода
Красный это выход(+)
А Чёрный это общий (-)
И всё окончательно готово для использования, испытаем.
РАБОТА
Напряжения питания микросхемы стабилизатора ограничено 35-ю вольтами, как увеличить напряжение поговорим потом, выходной ток ограничен 1,5 амперами, есть термо-защита на 150°C
Питать я буду чуть больше двадцати вольт, от лабораторного источника питания

Нагрузкой на выходе будет усилитель который мы собрали до этого, обычно для таких вещей эти стабилизаторы полезны, потому что они могут служить фильтром
Вот видео работы этого стабилизатора с усилителем на выходе:
Звук на выходе отличный, можно даже подумать что он наложен, но нет, как мы ранее говорили, это свойство линейного стабилизатора.
МИНУСЫ
В обмен на стабильность мы получаем большой нагрев и соответственно низкий КПД, а также просадку по напряжение, это такая особенность у линейных стабилизаторов
Почему так? Потому что когда мы подаем 20 вольт, 8 вольт идут в тепло, а исходя из того что ток 400 mA, с помощью закона Ома (P = U × I) мы узнаем что 8 × 400 = 2,4 Ватт идут в тепло, уже придется поставить радиатор, если на входе будет 35 вольт и нагрузка 1,5 ампер, мы понимаем что 35 × 1,5 = 42,5 ватт будут уходить в тепло, на таком уже можно яичницу с сосисками пожарить, ещё и картоху напоследок, для таких задач линейные стабилизаторы неплохо подходят.
За несколько минут радиатор нагрелся так что руки не удержать.
ДОПОЛНЕНИЯ
На самом деле схем включения много но рассмотрим самые популярные
Схема для высокого входного напряжения:
В этой схеме вместо стабилизатора, работу выполняет Высоковольтный транзистор, он Шунтирует стабилизатор, и между входом и выходом стабилизатора напряжения уменщается, а стабилизатор можно сказать используется в качестве управления базой.
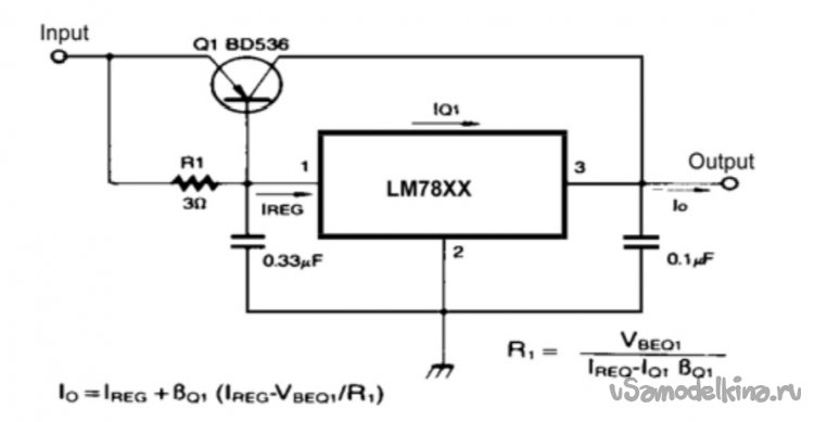
Схема с высоким током:
Схема похожа, но в этом варианте есть стабилизация большого тока, с помощью шунта, и транзистор который открывается при больших токах.
Все схемы я перечислять не буду, их много и вы сами можете посмотреть даташит
А схемы эти мы проверим позже, на этом я прощаюсь, надеюсь вы оценили мои старания, пока.
Мой Мой YouтубЕ











