Сетевой переключатель с индикатором (далее просто СПСИ) предназначен для управления нагрузкой (лампой накаливания или более долговечными, но дорогостоящими светодиодными лампами) из трёх разных мест. Нагрузкой также может быть любое (в том числе трансформаторное) устройство, работающее от переменного напряжения 230 В. Бытовые переключатели или тумблеры соединяются трёхпроводной линией связи и могут располагаться в любых, удобных для потребителей, местах.
Ранее опубликованные подобные схемы обладают одним существенным недостатком. На переключателях невозможно указать в каком положении (включенном или выключенном) они находятся, так как при переключении любого из них нагрузка переключается. Если переключатели и нагрузка располагаются в разных помещениях, то находясь у одного из переключателей нельзя определить, включена ли нагрузка (включён ли свет).
Поэтому каждый переключатель СПСИ оснащён индикатором протекания тока в цепи, по свечению которого легко визуально определить включена ли нагрузка. Совсем не обязательно оснащать таким индикатором каждый переключатель: Индикатор можно установить на одном (любом) или двух переключателях, удалённых от нагрузки.
Ранее опубликованные подобные схемы обладают одним существенным недостатком. На переключателях невозможно указать в каком положении (включенном или выключенном) они находятся, так как при переключении любого из них нагрузка переключается. Если переключатели и нагрузка располагаются в разных помещениях, то находясь у одного из переключателей нельзя определить, включена ли нагрузка (включён ли свет).
Поэтому каждый переключатель СПСИ оснащён индикатором протекания тока в цепи, по свечению которого легко визуально определить включена ли нагрузка. Совсем не обязательно оснащать таким индикатором каждый переключатель: Индикатор можно установить на одном (любом) или двух переключателях, удалённых от нагрузки.
Принцип работы СПСИ
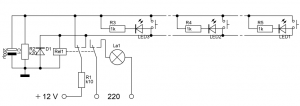
Принцип работы переключающей части СПСИ описывается таблицей истинности (см. таблицу 1 и рисунок 1).
Примечание: 0 – тумблер в нижнем по схеме положении («выключен»), 1 - тумблер в верхнем по схеме положении («включен»), 0 – лампа EL1 выключена, 1 - лампа EL1 включена.
Порядок переключения трёх тумблеров (всего 8 возможных сочетаний статических положений этих тумблеров) приведен в порядке, совпадающем с порядком расположения чисел в коде Грея. Важной особенностью кода Грея является то, что при переходе к следующему, ниже расположенному числу, достаточно в предыдущем числе изменить только одну цифру. Это как раз соответствует принципу работы СПСИ: При каждом переключении любого из трёх тумблеров, нагрузка (лампа) также должна переключаться. Другими словами, изменение положения одного (любого) из тумблеров приводит к переключению нагрузки независимо от положения двух других тумблеров (если нагрузка была выключена, то она включается и наоборот: если нагрузка была включена, то она выключается).
В разрыв третьего (считаем сверху вниз на рисунке 1) провода, соединяющего переключатели между собой, включены индикаторы. Так как все три индикатора одинаковы, то их компоненты имеют одни и те же позиционные буквенные обозначения, отличающиеся цифрой (1, 2 или 3), написанной после точки. Каждый индикатор состоит из силовой обводной цепи [1] на встречно - параллельно соединённых выпрямительных диодах VD1 и VD2 … VD4; и собственно индикаторной цепи R1 VD5 HL1 VD6 C1. На диодах VD2 … VD4 прямое падение напряжения в три раза больше, чем на диоде VD1. Такого напряжения, поданного на цепь R1 VD5 HL1 достаточно для заметного свечения светодиодов с рабочим прямым напряжением 1,5 … 1,8 В (суперяркие красные, жёлтые, оранжевые). Резистор R1 ограничивает ток через светодиод HL1. C1 является конденсатором фильтра постоянного тока. Выпрямительный диод VD5 и стабилитрон VD6 дополнительно защищают HL1 от чрезмерных прямого и обратного напряжений (соответственно).
При желании использовать в качестве HL1 зелёные или синие светодиоды, последовательно с цепью VD2 … VD4 следует включить дополнительно 1 – 3 аналогичных диодов, что конечно ведёт к неоправданному увеличению числа деталей СПСИ. Проверен также вариант замены кремниевого диода VD5 германиевым диодом типа Д2Б (30 Вольт, 16 мА), но в этом случае рекомендуется из нескольких экземпляров выбрать диод, имеющий наименьший обратный ток. (В этом случае включать последовательно в цепь VD2 … VD4 дополнительные кремниевые диоды не требуется).
Максимальный ток через нагрузку СПСИ составляет 1,7 х 2 = 3,4 Ампера, что соответствует мощности около 750 Вт, однако для большей надёжности работы коммутируемую мощность следует ограничить 0,5 кВт (рекомендуемый коэффициент нагрузки по мощности для выпрямительных диодов = 0,7). Рабочие режимы светодиодов HL1 при применении в качестве нагрузки ламп накаливания разной мощности приведены ниже:
При P EL1 = 25 Ватт: U ПРЯМ. HL1 = 1,71 Вольта; I РАБ. HL1 = 85 мкА.
При P EL1 = 40 Ватт: U ПРЯМ. HL1 = 1,73 Вольта; I РАБ. HL1 = 116 мкА.
При P EL1 = 100 Ватт: U ПРЯМ. HL1 = 1,75 Вольта; I РАБ. HL1 = 280 мкА.
Примечание: R1 = 150 Ом.
При P EL1 = 40 Ватт: U ПРЯМ. HL1 = 1,73 Вольта; I РАБ. HL1 = 116 мкА.
При P EL1 = 100 Ватт: U ПРЯМ. HL1 = 1,75 Вольта; I РАБ. HL1 = 280 мкА.
Примечание: R1 = 150 Ом.
Даже при столь малом токе в десятки - сотни микроампер свечение HL1 хорошо заметно в комнате, не освещённой солнечным светом.
СПСИ можно использовать, например, для включения – выключения освещения в ОО (охраняемом объекте). Для этого по одному тумблеру устанавливают внутри и снаружи охраняемого объекта, например, рядом с входной дверью. А третий – в комнате дежурного. Если комната дежурного расположена на несколько этажей выше, чем охраняемый объект; а из её окон хорошо видны окна ОО, то, включив освещение в ОО дистанционно, можно оперативно проконтролировать отсутствие в нём непрошеных гостей.
Также, дистанционным включением – выключением освещения можно создавать эффект присутствия в неохраняемом объекте с занавешенными не очень плотными шторами окнами.
В малосемейных общежитиях для включения освещения в общем тёмном коридоре, также можно установить на выходах из комнат разных хозяев по тумблеру. Кроме того, неплохо оборудовать не одним, а двумя-тремя переключателями освещения подъезд. При этом тумблеры СПСИ можно установить на первом, последнем и промежуточном этажах.
Иногда требуется управлять освещением и (или) приводным механизмом на сцене или в зрительном зале кинотеатра из разных мест. В этом случае также можно применить СПСИ.
На половину курьёзным способом применения СПСИ можно считать установку двух тумблеров снаружи и изнутри туалета или ванной комнаты в яслях или детском саде. Если случайно свет в туалете будет выключен наружным тумблером, то его можно без лишнего шума включить внутренним. Третий тумблер СПСИ устанавливается у стола дежурной няни.
Детали СПСИ
В СПСИ можно использовать любые тумблеры, рассчитанные на коммутацию сетевого напряжения требуемой мощности. SA1, SA3 – типа T2 (с соединёнными вместе, например, первым и третьим контактами) или современные малогабаритные MTS-102; SA2 - типа Т3 или современные малогабаритные MTS-202. При пайке тумблеров типа MTS, SMTS (особо миниатюрных) следует строго соблюдать температурный режим (очень боятся перегрева)! Рекомендуется предварительно залудить контакты тумблеров, не прилагая к ним заметных усилий. Резисторы R1 - типа МЛТ, С2-23. Конденсаторы оксидные К50-35 или зарубежного производства. Диоды VD1 … VD4 заменимы диодами КД226 (В … Д) или любыми другими, обеспечивающими требуемый коммутируемый ток нагрузки. При токе нагрузки до 0,5 … 0,6 Ампера подойдут диоды КД105 Б … Г(с ленточными выводами). Диоды VD5 должны выдерживать прямой ток не менее 10 мА и могут быть типа КД105Б, КД102Б. Стабилитроны VD6 - на напряжение стабилизации от 3,3 до 5,6 Вольт: КС133 … КС156 с любой буквой. Светодиоды HL1 – любые суперяркие с прямым рабочим напряжением +1,5 … 1,8 Вольта. Предохранитель FU1 устанавливается в держателе типа ДПБ и располагается, например, рядом с переключателем SA3. Номинал предохранителя FU1 может быть пропорционально уменьшен, при включении EL1 (или другой нагрузки) мощностью менее 500 Вт. Лампу EL1 можно заменить галогенной, имеющей белый цвет свечения (полное наименование галогенной лампы см. на рисунке 4).
Детали индикаторов СПСИ размещаются на трёх одинаковых печатных платах (см. рисунки 2 и 3) из односторонне фольгированного стеклотекстолита размерами 28 х 28 мм.


Рисунок печати – «трассировка печатной платы» – (см. рисунок 3) может быть перенесён на медную фольгу методом термопереноса или переведён при помощи копирки и обведён кислотостойкими перманентными маркерами. Подойдут, например, маркеры centropen 2846 CE PERMANENT или другие, специализированные, для подписывания компьютерных CD – дисков. Для того, чтобы маркеры быстро не высохли, а послужили неоднократно, следует сразу же после их использования плотно закрывать пишущий узел колпачком. Толщина платы не критична и может составлять 1,5 … 2,5 мм. В плате сверлятся 4 крепёжных отверстия диаметром 2,7 мм под винты М2,5. Отверстия под выводы диодов VD2 … VD4 – 1,3 мм, под остальные детали - 0,9 ± 0,2 мм.; под соединительные проводники - 1,2 ± 0,2 мм. Буквы Х и Y на схеме электрической принципиальной (рисунок 1) упрощают обозначение соответствующих им контактных «пятачков» на печатных платах.
Односторонние печатные платы устанавливаются, например, в самодельных корпусах вместе с соответствующими им тумблерами или в цилиндрических пластмассовых распределительных коробках IIУХЛ4 диаметром 70 и высотой 30 мм.
Если СПСИ планируется использовать в условиях повышенной влажности, места пайки и выводы деталей следует троекратно покрыть цапонлаком.
Заметно разнообразить и расширить применение СПСИ можно, если увеличить количество мест управления нагрузкой использовав всё ту же трёхпроводную (всего трёх-!) линию связи. Принципиальная схема соединения блоков А1, А2, Аn-1, Аn приведена на схеме – рисунке 4.
Дополнительные места управления нагрузкой включаются в разрыв трёхпроводной цепи, изображённой пунктирной линией. Для введения дополнительных мест управления нагрузкой следует использовать тумблеры с двумя (а не с одной) парами переключающихся контактов. Подойдут также бытовые сдвоенные настенные переключатели шведского производства S90 [ 2 ]. При последовательном соединении большого количества (более 5-10) блоков – индикаторов тока, для уменьшения появляющейся асимметрии полуволн сетевого напряжения, половину блоков рекомендуется включить в противоположной полярности.
Перед началом эксплуатации СПСИ рекомендуется разгадать ребус (смотри ниже рисунок 5) и впоследствии соблюдать рекомендацию – одно из правил по технике безопасности при работе с радио- и электроприборами, зашифрованное в этом ребусе.
Приложение 1.
Уважаемые читатели! Вы можете получить готовый к термопереносу (в масштабе = 1:1) отражённый рисунок трассировки печатной платы, если разгадаете ребус.
Разгадав ребус, следует взять второе слово, содержащееся в ответе к ребусу и ввести его в именительном падеже в строку «Пароль» файла «SPSI_4work». После этого вы сможете, получить схемы СПСИ, и в качестве бонуса готовый к термопереносу (в масштабе = 1:1) отражённый рисунок трассировки ПП (печатной платы).
Архив бонусного файла «SPSI_4work» можно скачать здесь:
Если у Вас нет желания разгадывать ребус, то ребус можно заменить загадкой:
Стойкий оловянный солдатик предел обороны знает: за аппаратуру всем своим застеклённым нутром переживает. И если всё идёт как надо, то долго своего часа дождаться не может.
Загадка простенькая и её тематика знакома каждому радиолюбителю. Если же Вам понадобится подсказка, её вы можете найти здесь:

Рисунок 5.
Полный ответ к ребусу СПСИ (к рисунку 5) Вы сможете прочитать нажав на триггерную кнопку «Скрыть/показать текст».
Некоторые особенности изготовления СПСИ.
Так как СПСИ состоит из трёх одинаковых БИТ (блоков индикации и тумблера), то речь пойдёт об одном, оснащённом тумблером SA1.
Рисунок 6.
ПП СПСИ крепится к корпусу (через цилиндрические бонки с резьбой) четырьмя винтами М2,5 х 6 с полукруглыми головками. Головки винтов не должны касаться печатных дорожек. Поэтому в верхней части рисунка 6 показано как из тонкой (0,5 мм) полоски стеклотекстолита размером 42 х 18 мм изготавливаются 21 изолирующие шайбы. С запасом. Для трёх блоков индикации потребуется всего 12 шайб. Ниже на рисунке 6 показаны тумблер, светодиод и корпус для будущего БИТ. Корпус для БИТ взят от старого шторного карниза «Струна».
Рисунок 7.
ПП СПСИ сделана миниатюрной. Для оперативного подбора возможной замены светодиода HL1, в ПП вместо светодиода впаяны два проводника, оканчивающиеся трех контактной розеткой, изготовленной из панельки (сокеты) DIP14 для ИМС. После сделанного выбора, светодиод впаивается непосредственно в ПП.
Рисунок 8.
Фотография с расположением деталей на светодиодном блоке индикации, приведена на рисунке 8. Все детали установлены на ПП вертикально. Все три БИТ для тумблеров SA1, SA2, SA3 сделаны одинаковыми и устанавливаются в отдельных корпусах вместе с соответствующими им тумблерами.
Рисунок 9.
Для передней стенки корпуса БИТ ножницами вырезается кусок самоклеящейся плёнки размером 79 х 49 мм. Если обратная сторона самоклеящейся плёнки не расчерчена на сантиметровые квадраты, разметка выполняется вручную. Приклеенную к корпусу с небольшим припуском плёнку можно подравнять теми же ножницами, используя корпус, как направляющую линейку. В корпусе сначала шилом намечаются центры отверстий. Затем сверлятся отверстия сверлом меньшего диаметра, чтобы в случае «ухода» сверла от намеченного шилом центра, доработать отверстия надфилем в нужном направлении. При удачной сверловке меньшим диаметром, далее применяется сверло номинального диаметра. Фаски в просверленных отверстиях снимаются вручную сверлом с диаметром, превосходящим диаметр отверстия на 50 ... 100%.

Рисунок 10.
Внешний вид одного из трёх корпусов БИТ показан на рисунке 10. Три отверстия снизу и сверху корпуса являются вентиляционными. Если БИТ будут использоваться на открытом воздухе, то верхние вентиляционные отверстия следует исключить и заменить боковыми для исключения попадания капель дождя внутрь корпуса. Если отверстия сверху уже просверлены, то их можно просто закрыть декоративной самоклеящейся плёнкой.
А вот что думает о предложенном СПСИ инженер человеческих душ и искатель новых схемотехнических решений голосовой помощник Алиса:
Литература: 1). А. Ознобихин. «Индикатор для выключателя» «Радиомир» 2005, №10, с. 35. 2). Ю. Беленец. А. Кузема. «Один светильник – много выключателей» «Радио» 2004, № 10, с. 45, рис. 2. Рубрика «Обмен опытом». Ред. А. Долгий.









